-
Hako EPC Spare Parts List PDF 8.59GB
Original price was: 200.110Current price is: 110. USDThis is an offline spare parts catalog, you need to use this to sell the spare parts and it can help you a little with assembly. It’s from a manufacturer and the best in the world.Hot-45%
REALEASE :
REALEASE :
-
Hako Spare Parts List Machine Collection 456 MB Operating Manual
Original price was: 100.45Current price is: 45. USDThis is an offline spare parts catalog, you need to use this to sell the spare parts and it can help you a little with assembly. It’s from a manufacturer and the best in the world.Hot-55%
REALEASE :
REALEASE :
-
ZF Transmission GK20LD Spare Parts List
10 USDSize: 0.33 MBFormat: PDFLanguage: EnglishBrand: ZFType of Machine: Drive SystemType of Manual: Spare Parts ListModel: ZF GK20LD Drive SystemPublication Date: 2006Number of Pages: 7 PagesREALEASE :
-
Yanmar Engine SMARTASSIST-Direct Operation Manual 0AYSA-EN0018 2018
10 USDSize: 46.31 MBFormat: PDFLanguage: EnglishBrand: YanmarType of Machine: EngineType of Manual: Operation ManualModel: Yanmar SMARTASSIST-Direct EnginePart Number: 0AYSA-EN0018Publication Date: 2018Number of Pages: 430 PagesREALEASE :
-
Yanmar Engine 3TNV88C-KHW Parts Catalog 0CD50-M04200EN 2018
10 USDSize: 1.72 MBFormat: PDFLanguage: EnglishBrand: YanmarType of Machine: EngineType of Manual: Parts CatalogThis Parts Catalog Is The 1st Edition Of 3TNV88C-KHWModel: Yanmar 3TNV88C-KHW EngineApplication Model: Hako Citymaster 650 Rider SweeperPart Number: 0CD50-M04200ENPublication Date: 2018Number of Pages: 27 PagesREALEASE :
-
Yanmar Engine 3TNV88C-KHW Error Diagnostic Trouble Codes Wiring Diagram
10 USDSize: 11.49 MBFormat: PDFLanguage: EnglishBrand: YanmarType of Machine: EngineType of Manual: Error Code List, Diagnostic Trouble Codes, Electrical SchematicModel: Yanmar 3TNV88C-KHW EngineApplication Model: Hako Citymaster 650 Rider SweeperPublication Date: 2021Number of Pages: 52 PagesREALEASE :
-
Yanmar Engine 3TNV88C-KHW Error Code Electrical Schematic
10 USDSize: 27.90 MBFormat: PDFLanguage: EnglishBrand: YanmarType of Machine: EngineType of Manual: Error Code, Electrical SchematicModel: Yanmar 3TNV88C-KHW EngineApplication Model: Hako Citymaster 650 Rider SweeperPublication Date: 2021Number of Pages: 52 PagesREALEASE :
-
Yanmar Engine 3TNV88C To 4TNV98CT Troubleshooting Manual 0DTN4-G00200 2015
10 USDSize: 19.34 MBFormat: PDFLanguage: EnglishBrand: YanmarType of Machine: EngineType of Manual: Troubleshooting ManualModel: Yanmar 3TNV88C 3TNV86CT 4TNV88C 4TNV86CT 4TNV98C 4TNV98CT EnginePart Number: 0DTN4-G00200Publication Date: 2015Number of Pages: 404 PagesREALEASE :
-
Yanmar Engine 3TNV88C To 4TNV98CT Service Manual 0BTN4-EN0024 2015
10 USDSize: 24.99 MBFormat: PDFLanguage: EnglishBrand: YanmarType of Machine: EngineType of Manual: Service Manual, Electrical SchematicModel: Yanmar 3TNV88C 3TNV86CT 4TNV88C 4TNV86CT 4TNV98C 4TNV98CT EnginePart Number: 0BTN4-EN0024Publication Date: 2015Number of Pages: 317 PagesREALEASE :
-
Yanmar Engine 3TNV88C To 4TNV98CT Application Manual 0FTN4-EN0041 2015
10 USDSize: 50.35 MBFormat: PDFLanguage: EnglishBrand: YanmarType of Machine: EngineType of Manual: Application ManualModel: Yanmar 3TNV88C 3TNV86CT 4TNV88C 4TNV86CT 4TNV98C 4TNV98CT EnginePart Number: 0FTN4-EN0041Publication Date: 2015Number of Pages: 546 PagesREALEASE :
-
Yanmar Engine 3TNV88C To 4TNV98CT Application Manual 0DTN4-EN0041 2015
10 USDSize: 38.32 MBFormat: PDFLanguage: EnglishBrand: YanmarType of Machine: EngineType of Manual: Application ManualModel: Yanmar 3TNV88C 3TNV86CT 4TNV88C 4TNV86CT 4TNV98C 4TNV98CT EnginePart Number: 0DTN4-EN0041Publication Date: 2015Number of Pages: 546 PagesREALEASE :
-
Yanmar Engine 3TNV88C To 4TNV94CHT Operation Manual 0ATN4-EN0017 2018
10 USDSize: 13.26 MBFormat: PDFLanguage: EnglishBrand: YanmarType of Machine: EngineType of Manual: Operation ManualModel: Yanmar 3TNV88C 3TNV86CT 3TNV86CHT 4TNV88C 4TNV86CHT 4TNV98C 4TNV98CT 4TNV94CHT EnginePart Number: 0ATN4-EN0017Publication Date: 2018Number of Pages: 122 PagesREALEASE :
-
Yanmar Engine 3TNV88C Parts Catalog 0CD50-M04200EN 2018
10 USDSize: 4.74 MBFormat: PDFLanguage: EnglishBrand: YanmarType of Machine: EngineType of Manual: Parts CatalogModel: Yanmar 3TNV88C EngineApplication Model: Hako Citymaster 650 Rider SweeperPart Number: 0CD50-M04200ENPublication Date: 2018Number of Pages: 27 PagesREALEASE :
-
Wiedenmann Cylinder Gritter 5403.000 Part list EN DE FR
10 USDSize: 1.38 MBFormat: PDFLanguage: English, German, FrenchBrand: WiedenmannType of Machine: Cylinder GritterType of Manual: Part listModel: Wiedenmann 5403.000 Cylinder GritterNumber of Pages: 24 PagesREALEASE :
-
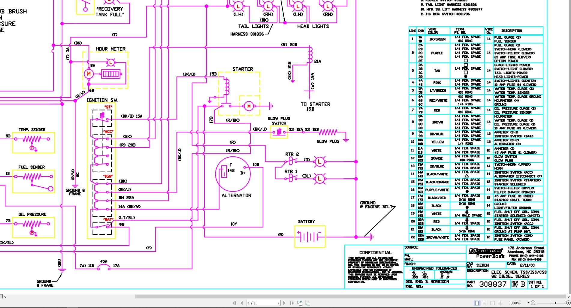
Toyota Engine 82 Series Electrical Schematic 308837
10 USDSize: 0.16 MBFormat: PDFLanguage: EnglishBrand: ToyotaType of Machine: EngineType of Manual: Electrical SchematicModel: Toyota 82 Series EnginePart Number: 308837Number of Pages: 1 PagesREALEASE :
-
Toyota Engine 4P Series Timing Procedure
10 USDSize: 12.40 MBFormat: PDFLanguage: EnglishBrand: ToyotaType of Machine: EngineType of Manual: Timing ProcedureModel: Toyota 4P Series EngineList of Files:Toyota 4P Series Timing Part 1.pdfToyota 4P Series Timing Part 2.pdfREALEASE :
-
Toyota Engine 4P Repair Manual KER002
10 USDSize: 123.67 MBFormat: PDFLanguage: EnglishBrand: ToyotaType of Machine: EngineType of Manual: Repair ManualModel: Toyota 4P EnginePart Number: KER002Number of Pages: 249 PagesREALEASE :
-
Toyota Engine 4P 174000- Parts Catalog
10 USDSize: 2.25 MBFormat: PDFLanguage: EnglishBrand: ToyotaType of Machine: EngineType of Manual: Parts CatalogModel: Toyota 4P 174000- EngineNumber of Pages: 51 PagesContents:Instructions On The Use Of This CatalogHeading And Contents Of Illustration And IndexStandard Parts ListIllustrated IndexFig. No. IndexIllustration And TestNumber Parts IndexREALEASE :
-
Toyota Engine 3P 4P 5R 5Y Series Troubleshooting Guide
10 USDSize: 2.71 MBFormat: PDFLanguage: EnglishBrand: ToyotaType of Machine: EngineType of Manual: Troubleshooting GuideModel: Toyota 3P 4P 5R 5Y Series EngineNumber of Pages: 18 PagesREALEASE :
-
Powerboss Rider Sweeper Admiral 38 40 48 Error Code List
10 USDSize: 0.77 MBFormat: PDFLanguage: EnglishBrand: PowerbossType of Machine: Rider SweeperType of Manual: Error Code ListModel: Powerboss Admiral 38 ; Admiral 40 ; Admiral 48 Rider SweeperNumber of Pages: 22 PagesREALEASE :
-
PowerBoss Sweeper WS40 Parts Manual
10 USDSize: 3.67 MBFormat: PDFLanguage: EnglishBrand: PowerBossType of Machine: SweeperType of Manual: Parts ManualModel: PowerBoss WS40 SweeperNumber of Pages: 16 PagesREALEASE :
-
PowerBoss Sweeper WS35 Parts Manual
10 USDSize: 5.72 MBFormat: PDFLanguage: EnglishBrand: PowerBossType of Machine: SweeperType of Manual: Parts ManualModel: PowerBoss WS35 SweeperNumber of Pages: 22 PagesREALEASE :
-
PowerBoss Sweeper WS30 Parts Manual
10 USDSize: 2.26 MBFormat: PDFLanguage: EnglishBrand: PowerBossType of Machine: SweeperType of Manual: Parts ManualModel: PowerBoss WS30 SweeperNumber of Pages: 14 PagesREALEASE :
-
PowerBoss Sweeper WS20 Parts Manual
10 USDSize: 3.88 MBFormat: PDFLanguage: EnglishBrand: PowerBossType of Machine: SweeperType of Manual: Parts ManualModel: PowerBoss WS20 SweeperNumber of Pages: 7 PagesREALEASE :
0
0 ITEMSVIEW CART
- You have no items in your shopping cart.























