Expert Support
Full Speed
100% Working
Case Backhoe Loader N Series Training Manual
20 USD
- Description
Description
List of Files:
01-1 N Series T4 Intro.pdf
01-2 580N T4 spec sheet.pdf
01-3 580SN T4 spec sheet.pdf
01-4 580SNWT T4 spec sheet.pdf
01-5 590SN T4 spec sheet.pdf
02-1 General Electrical N T4 Rev1.pdf
03-1 Vehicle Control Module T4 Guide Rev1.pdf
03-2 VCM Configuration Map N T4.pdf
04-1 Pilot Control Electical Rev 1.pdf
05-1 N T4 Hydraulic Section Rev1.pdf
05-2 Pump Setting Procedure.pdf
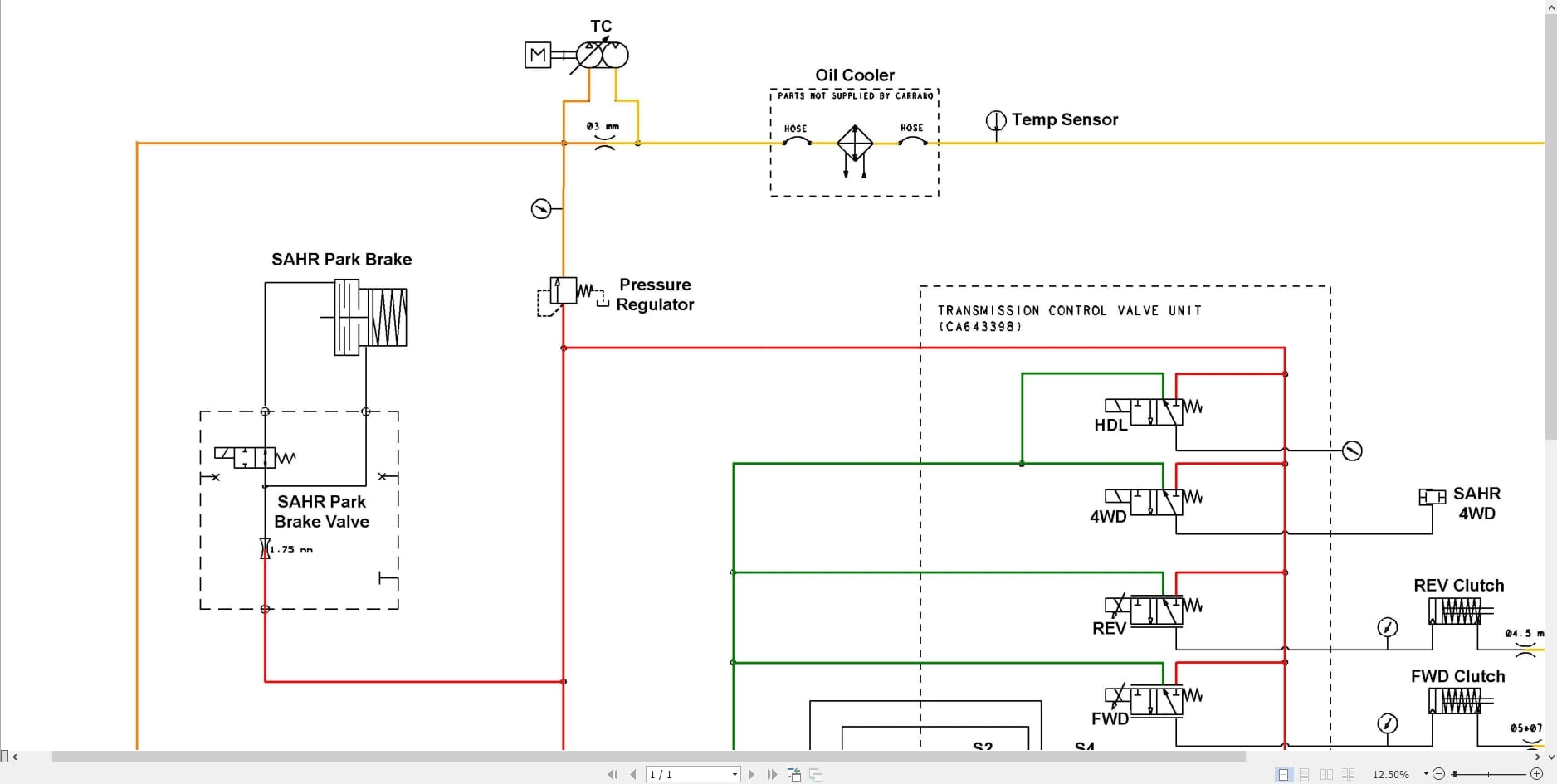
06-1 Power Shuttle Transmissions.pdf
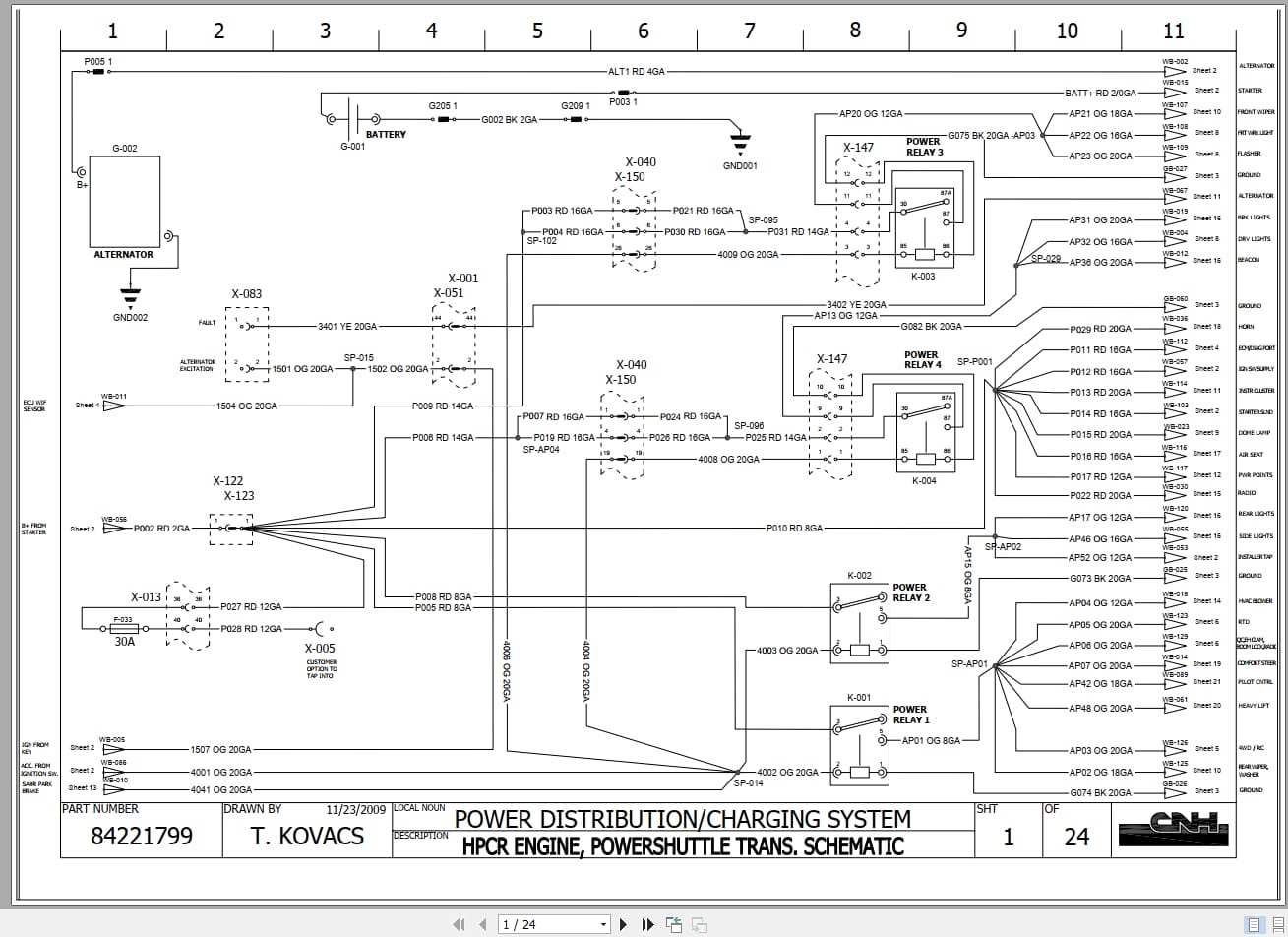
06-2 Power Shuttle Trans schematics.pdf
07-1 Powershift S-type transmission Rev1.pdf
07-2 S-type hyd schematic.pdf
08-1 Powershift H-type Transmission.pdf
09-1 N Series Brake System.pdf
10-1 F5H Tier 4 Engine.pdf
11-1 EST N T4.pdf
11-1 EST- M Series 3 Loader Backhoe.pdf
Cover N Series T4 TLB Binder.pdf
ES-1 N T4 TLB Power Shuttle.pdf
ES-2 N T4 TLB Powershift.pdf
ES-3 T3 HPCR Pshuttle.pdf
ES-4 T3 HPCR SPS.pdf
ES-5 T3 MECH Pshuttle.pdf
ES-6 T3 MECH SPS.pdf
N Series T4 TLB Test.pdf
N Series TLB Electrical Schematics cover.pdf
Print Instructions for N-Series Training Manual with Schematics.pdf
Spine N Series T4 TLB Binder.pdf
Student Workbook N Series T4 TLB Rev1.pdf
Technician Profile N Series T4 TLB.pdf













