





Expert Support
Full Speed
100% Working
Hangcha X Series 4.0t-5.0t BD40-XC1 to BD50-XC2-I Operating And Maintenance Manual 2024 DE
20 USD
- Description
Description
Contents:
Inhaltsverzeichnis
Vorwort
I Einleitung Des Fahrzeugs
1 Allgemein
2 Strukturelle Einführung
3 Standardtechnische Daten
4 Kennzeichen Und Namensschild
Ii Fahrzeugtransport
1 Kranbeladung Und -Entladung
2 Fahrzeugtransport
Iii Batteriewartung, Laden Oder Austausch
1 Sicherheitsvorschriften Für Den Umgang Mit Säurebatterien
2 Standard-Batterietyp
3 Batterieladung
4 Demontage Und Installation Der Batterie
5 Lithiumbatterie
Iv Fahrzeugbetrieb
1 Sicherheitsregeln
2 Instrumente Und Steuermechanismus
3 Fahrzeugbetrieb
V Gabelstaplerwartung
1 Wartung Alle 8 Stunden (Oder Täglich)
2 Wartung Alle 100 Stunden (Oder Monatlich)
3 Wartung Alle 1200 Stunden (Oder Jährlich)
4 Gabelstapler-Schmierung
Vi Struktur, Prinzip Und Fehlerbehebung
1 Fahrgestellsystem
4 Bremssystem
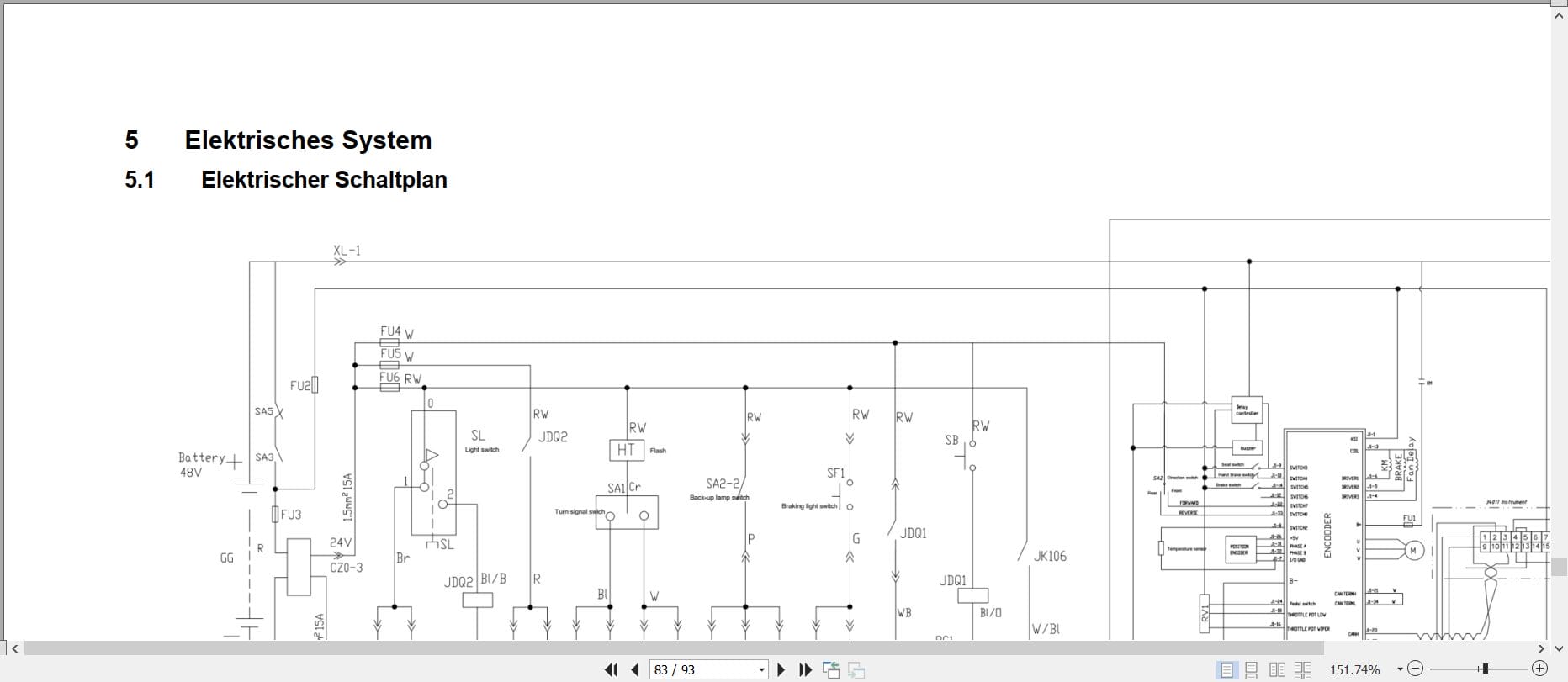
5 Elektrisches System
Related Products
-
Hangcha Forklift 2024 Operator Service Manual EPC Spare Parts Catalog PDF 12.6 GB
0 out of 5This is a service information package, you will need to use this to repair a vehicle700350 USDHot-50%
REALEASE :
REALEASE :
-
Hangcha XH Series 6.0t-10t CPD60-XHY2G-W to CPD100-XHY2G-W Service Manual 2023 EN
0 out of 550 USDSize: 11.38 MBFormat: PDFLanguage: EnglishBrand: HangchaType of Machine: Forklift TruckType of Manual: Service Manual, Wiring Diagrams, Hydraulic DiagramsModel: Hangcha XH Series 6.0t-10t CPD80-XHY2G-W CPD90-XHY2G-W CPD100-XHY2G-W Forklift TruckPublication Date: 2023Number of Pages: 134 PagesREALEASE :
-
Hangcha XH Series RS4531CH-XHJG RS4531CH-XHJG-C Operation Maintenance Manual 2025 EN
0 out of 520 USDSize: 20.55 MBFormat: PDFLanguage: EnglishBrand: HangchaType of Machine: Reach StackerType of Manual: Operation And Maintenance ManualModel: Hangcha XH Series RS4531CH-XHJG RS4531CH-XHJG-C Reach StackerPublication Date: 2025Number of Pages: 165 PagesREALEASE :
-
Hangcha Forklift PDF Manual 2023 Collection
0 out of 5This is a service information package, you will need to use this to repair a vehicle15080 USDHot-47%
REALEASE :
REALEASE :
-
Hangcha XR Series 1.5t-3.8t CPCD15-XRG71J to CPD38-XRH5B1 Service Manual 2025 EN
0 out of 550 USDSize: 11.94 MBFormat: PDFLanguage: EnglishBrand: HangchaType of Machine: Electric Forklift TruckType of Manual: Service Manual, Wiring Diagrams, Hydraulic DiagramsModel: Hangcha XR Series 1.5t-3.8t Electric Forklift TruckCPCD15-XRG71J CPCD18-XRG71J CPCD15-XRG71JF CPCD18-XRG71JF CPCD15-XRG71JB1 CPCD18-XRG71JB1CPCD15-XRW10 CPCD18-XRW10 CPCD15-XRW10F CPCD18-XRW10F CPCD15-XRW10B1 CPCD18-XRW10B1 CPQD15-XRW21CPQD18-XRW21 CPQD15-XRW21F CPQD18-XRW21F CPQD15-XRW21B1 CPQD18-XRW21B1 CPQYD15-XRW21 CPQYD18-XRW21CPQYD15-XRW21F CPQYD18-XRW21F CPQYD15-XRW21B1 CPQYD18-XRW21B1 CPCD15-XRW32F CPCD18-XRW32FCPCD15-XRW32B1 CPCD18-XRW32B1 CPYD15-XRW51F CPYD18-XRW51F CPYD15-XRW51B1 CPYD18-XRW51B1CPCD15-XRH5 CPCD18-XRH5 CPCD15-XRH5F CPCD18-XRH5F CPCD15-XRH5B1 CPCD18-XRH5B1 CPCD15-XRG98CPCD18-XRG98 CPCD15-XRG98F CPCD18-XRG98F CPCD15-XRG98B1 CPCD18-XRG98B1 CPCD20-XRG72 CPCD25-XRG72CPCD20-XRG72F CPCD25-XRG72FCPCD20-XRG72B1 CPCD25-XRG72B1 CPCD20-XRG92 CPCD25-XRG92 CPCD20-XRG92FCPCD25-XRG92F CPCD20-XRG92B1 CPCD25-XRG92B1 CPCD20-XRW10 CPCD25-XRW10 CPCD20-XRW10F CPCD25-XRW10FCPCD20-XRW10B1 CPCD25-XRW10B1 CPCD20-XRG2 CPCD25-XRG2 CPQD20-XRW22 CPQD25-XRW22 CPQD20-XRW22FCPQD25-XRW22F CPQD20-XRW22B1 CPQD25-XRW22B1 CPQYD20-XRW22 CPQYD25-XRW22 CPQYD20-XRW22F CPQYD25-XRW22FCPQYD20-XRW22B1 CPQYD25-XRW22B1 CPCD20-XRW55F CPCD25-XRW55F CPCD20-XRW55B1 CPCD25-XRW55B1 CPCD20-XRW33FCPCD25-XRW33F CPCD20-XRW33B1 CPCD25-XRW33B1 CPYD20-XRW52F CPYD25-XRW52F CPYD20-XRW52B1 CPYD25-XRW52B1CPCD20-XRH5 CPCD25-XRH5 CPCD20-XRH5F CPCD25-XRH5F CPCD20-XRH5B1 CPCD25-XRH5B1 CPCD30-XRG72 CPCD35-XRG72CPCD38-XRG72 CPCD30-XRG72F CPCD35-XRG72F CPCD38-XRG72F CPCD30-XRG72B1 CPCD35-XRG72B1 CPCD38-XRG72B1CPCD30-XRG92 CPCD35-XRG92 CPCD38-XRG92 CPCD30-XRG92F CPCD35-XRG92F CPCD38-XRG92F CPCD30-XRG92B1CPCD35-XRG92B1 CPCD38-XRG92B1 CPCD30-XRW10 CPCD30-XRW10F CPCD35-XRW10F CPCD30-XRW10B1 CPCD35-XRW10B1CPCD30-XRG2 CPCD35-XRG2 CPCD38-XRG2 CPQD30-XRW22 CPQD35-XRW22 CPQD30-XRW22F CPQD35-XRW22F CPQD38-XRW22FCPQD30-XRW22B1 CPQD35-XRW22B1 CPQD38-XRW22B1 CPQYD30-XRW22 CPQYD35-XRW22 CPQYD38-XRW22 CPQYD30-XRW22FCPQYD35-XRW22F CPQYD38-XRW22F CPQYD30-XRW22B1 CPQYD35-XRW22B1 CPQYD38-XRW22B1 CPCD30-XRW55F CPCD35-XRW55FCPCD38-XRW55F CPCD30-XRW55B1 CPCD35-XRW55B1 CPCD38-XRW55B1 CPCD30-XRW33F CPCD35-XRW33F CPCD38-XRW33FCPCD30-XRW33B1 CPCD35-XRW33B1 CPCD38-XRW33B1 CPCD30-XRW52F CPCD35-XRW52F CPCD38-XRW52F CPCD30-XRW52B1CPCD35-XRW52B1 CPCD38-XRW52B1 CPCD30-XRH5 CPCD35-XRH5 CPCD38-XRH5 CPCD30-XRH5F CPCD35-XRH5F CPCD38-XRH5FPublication Date: 2025Number of Pages: 153 PagesREALEASE :
-
Hangcha XH Series 9.0t H90EC-8-XHJG H90EC-7-XHJG Operation Maintenance Manual 2023 EN
0 out of 520 USDSize: 21.14 MBFormat: PDFLanguage: EnglishBrand: HangchaType of Machine: Lithium E-TrucksType of Manual: Operation And Maintenance ManualModel: Hangcha XH Series 9.0t H90EC-8-XHJG H90EC-7-XHJG Lithium E-TrucksPublication Date: 2023Number of Pages: 142 PagesREALEASE :
-
Hangcha XH Series 6.0t-X10t CPD60-XHY2G-W to CPD100-XHY2G-W Service Manual 2023 EN
0 out of 550 USDSize: 11.38 MBFormat: PDFLanguage: EnglishBrand: HangchaType of Machine: Electric Forklift TruckType of Manual: Service Manual, Wiring Diagrams, Hydraulic DiagramsModel: Hangcha XH Series 6.0t-X10t Electric Forklift TruckCPD80-XHY2G-W CPD90-XHY2G-W CPD100-XHY2G-W CPD60-XHY2G-W CPD70-XHY2G-WPublication Date: 2023Number of Pages: 134 PagesREALEASE :
-
Hangcha XH Series 9.0t H90EC-8-XHJG H90EC-7-XHJG Service Manual 2023 EN
0 out of 550 USDSize: 11.10 MBFormat: PDFLanguage: EnglishBrand: HangchaType of Machine: Forklift TruckType of Manual: Service Manual, Wiring Diagrams, Hydraulic DiagramsModel: Hangcha XH Series 9.0t H90EC-8-XHJG H90EC-7-XHJG Forklift TruckPublication Date: 2023Number of Pages: 105 PagesREALEASE :







