Expert Support
Full Speed
100% Working
Kubota Dumper KC120 00001- Parts Catalog EN DE
20 USD
- Description
Description
Contents:
Kc120 (S N;00001-) Motor Engine Kurbelwellengehause Crankcase
Kc120 (S N;00001-) Motor Engine Ol-Fanger Oil Pan
Kc120 (S N;00001-) Motor Engine Zylinderkopf Cylinder Head
Kc120 (S N;00001-) Motor Engine Getriebehause Gear Case
Kc120 (S N;00001-) Motor Engine Haube Zylinderkopf Cylinder Head Cover
Kc120 (S N;00001-) Motor Engine Lagergehäuse Main Bearing Case
Kc120 (S N;00001-) Motor Engine Nockenwelle Camshaft
Kc120 (S N;00001-) Motor Engine Kolben, Kurbelwelle Piston, Crankshaft
Kc120 (S N;00001-) Motor Engine Kreiselrad Flywheel
Kc120 (S N;00001-) Motor Engine Nockenwelle Fuel Camshaft
Kc120 (S N;00001-) Motor Engine Geschwindigkeitskontrolle Nockenhohn Speed Control
Kc120 (S N;00001-) Motor Engine Grp. Apparat Leeraufe Assy Apparatus, Idle
Kc120 (S N;00001-) Motor Engine Einspritzpumpe, Pumpe Inpection Pump, Fuel Pump
Kc120 (S N;00001-) Motor Engine Geschwindgkeitspegler Governor
Kc120 (S N;00001-) Motor Engine Dusenhalter, Gluehkerze Nozzle Holder, Glow Plug
Kc120 (S N;00001-) Motor Engine Dusenhalter (Einzel-Teil) Nozzle Holder (Component
Kc120 (S N;00001-) Motor Engine Kraftstoffilter Einzel-Teil Fuel Filter Component
Kc120 (S N;00001-) Motor Engine Dynamo Dynamo
Kc120 (S N;00001-) Motor Engine Dynamo (Einzel-Teil) Dynamo (Component Parts)
Kc120 (S N;00001-) Motor Engine Anlasser, Anlasser (Einzel-Teil) Starter, Starter (Component
Kc120 (S N;00001-) Motor Engine Flansch, Wasserpumpe Water Flange, Water Pump
Kc120 (S N;00001-) Motor Engine Kuhler Radiator
Kc120 (S N;00001-) Motor Engine Ventil, Kipphebel Valve, Rocker Arm
Kc120 (S N;00001-) Motor Engine Verteiler, Auspuffrohr Inlet Manifold, Exhaust
Kc120 (S N;00001-) Motor Engine Luftfilter (Einzel-Teil) Air Cleaner (Component
Kc120 (S N;00001-) Motor Engine Hydraulikpumpme (Einzel-Teil) Hydraulic Pump (Component
Kc120 (S N;00001-) Motor Engine Montage Metallteil Kit Metal, Engine
Kc120 (S N;00001-) Motor Engine Zubehor Accessories
Kc120 (S N;00001-) Kettendumper Carrier Rahmen Frame
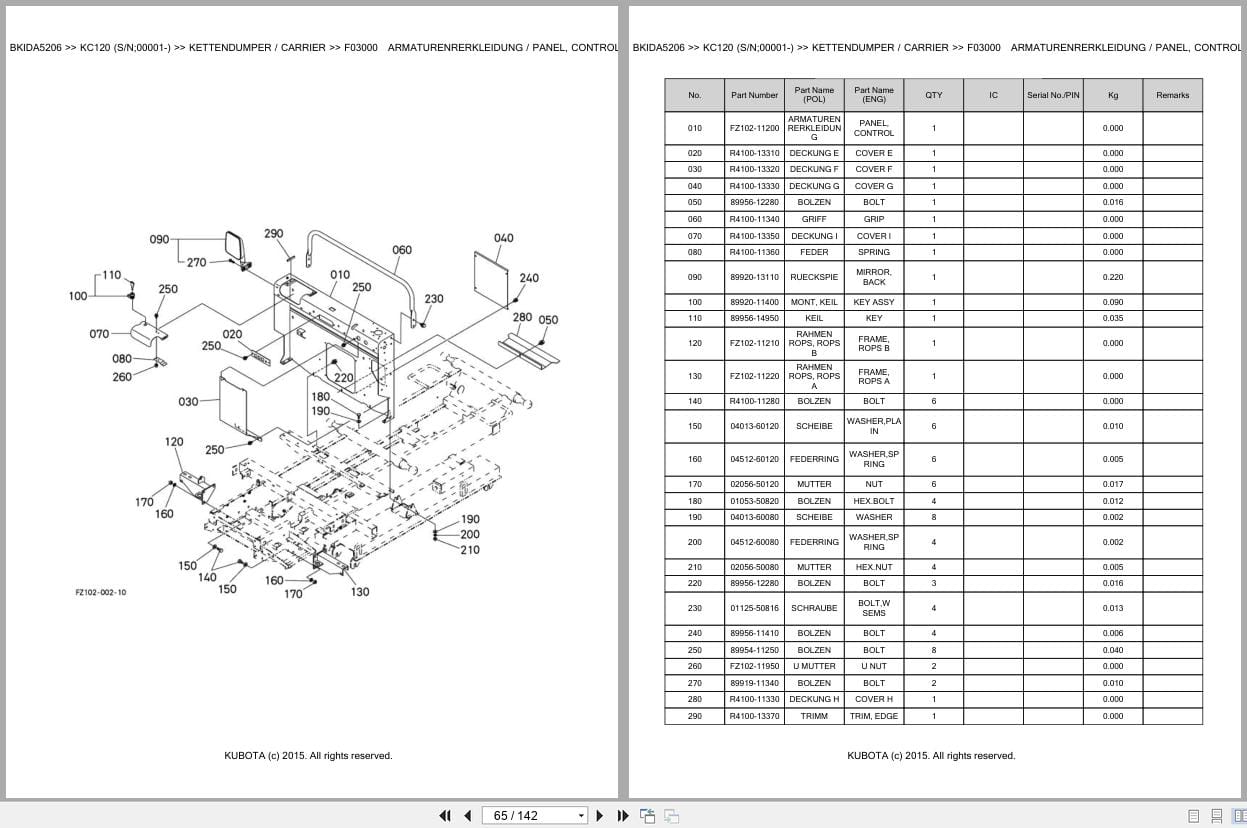
Kc120 (S N;00001-) Kettendumper Carrier Armaturenrerkleidung Panel, Control
Kc120 (S N;00001-) Kettendumper Carrier Motordecket Engine Cover
Kc120 (S N;00001-) Kettendumper Carrier Sitz Seat
Kc120 (S N;00001-) Kettendumper Carrier Moter Trager Engine Base
Kc120 (S N;00001-) Kettendumper Carrier Kraftstofftank Fuel Tank
Kc120 (S N;00001-) Kettendumper Carrier Unterbau Kuhler Base, Radiator
Kc120 (S N;00001-) Kettendumper Carrier Luftfilter , Auspufftorf Air Cleaner ,
Kc120 (S N;00001-) Kettendumper Carrier Spannrolle, Hst Pulley, Hst
Kc120 (S N;00001-) Kettendumper Carrier Hst, Oel Tank Hst, Oil Tank
Kc120 (S N;00001-) Kettendumper Carrier Regelungsventil Control Valve
Kc120 (S N;00001-) Kettendumper Carrier Fahrpedal Drive Pedal
Kc120 (S N;00001-) Kettendumper Carrier Riemenantrieb V-Belt, Drive
Kc120 (S N;00001-) Kettendumper Carrier Seite Kupplungshebelarm Side Clutch
Kc120 (S N;00001-) Kettendumper Carrier Beschleunigungshebel Accelerator Lever
Kc120 (S N;00001-) Kettendumper Carrier Pédale Du Frein Brake Pedal
Kc120 (S N;00001-) Kettendumper Carrier Kipperhebel, Zylinder Dump Lever, Cylinder
Kc120 (S N;00001-) Kettendumper Carrier Karroceair Body
Kc120 (S N;00001-) Kettendumper Carrier Staender Holder
Kc120 (S N;00001-) Kettendumper Carrier Gummilaufketten Rubber Crawler
Kc120 (S N;00001-) Kettendumper Carrier Loserolle Idler Wheel
Kc120 (S N;00001-) Kettendumper Carrier Hst (Einzel-Teil ) Hst (Component Parts
Kc120 (S N;00001-) Kettendumper Carrier Getriebege (Einzel-Teil) Transmission (Component
Kc120 (S N;00001-) Kettendumper Carrier Getriebege (Einzel-Teil 4) Transmission (Component
Kc120 (S N;00001-) Kettendumper Carrier Schnur Batterie Cord, Battery
Kc120 (S N;00001-) Kettendumper Carrier Kabelgeshirr Wire Harness
Kc120 (S N;00001-) Kettendumper Carrier Aufkleber Label
Kc120 (S N;00001-) Kettendumper Carrier Schaumgummi Sponge
Kc120 (S N;00001-) Kettendumper Carrier Rops Rops












