✓
Expert Support
✓
Full Speed
✓
100% Working
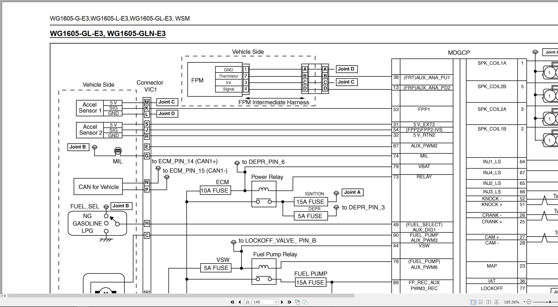
Kubota Gasoline LPG Natural Gas Engine WG1605-E3 Workshop Manual 9Y111-06612 2014
Size: 10.71 MB
Format: PDF
Language: English
Brand: Kubota
Type of Machine: Gasoline, LPG, Natural Gas Engine
Type of Manual: Workshop Manual
Model:
Kubota WG1605-G-E3 Gasoline Engine
Kubota WG1605-L-E3 LPG Engine
Kubota WG1605-GL-E3 Gasoline And LPG Engine
Kubota WG1605-N-E3 Natural Gas Engine
Kubota WG1605-LN-E3 Natural Gas And LPG Engine
Kubota WG1605-GLN-E3 Gasoline, Natural gas, LPG Engine
Part Number: 9Y111-06612
Publication Date: 2014
Number of Pages: 145 Pages
10 USD
- Description
Description
Contents:
I Information
G General
General
1. Engine Identification
2. General Precautions
3. Maintenance Check List
4. Check And Maintenance
5. Special Tools
1 Engine
Mechanism
1. Engine Body
2. Lubricating System
3. Cooling System
4. Fuel System
5. Exhaust System
6. Electrical System
Servicing
1. Troubleshooting
2. Servicing Specifications
3. Tightening Torques
4. Checking, Disassembling And Servicing













