- NEWS UPDATE 12.2025 - [HOT] How To Discount - How To Pay By Visa Through Paypal - [HOT] Remote Service Support Program - How to Payment and Delivery - Exchange Manual & Software -

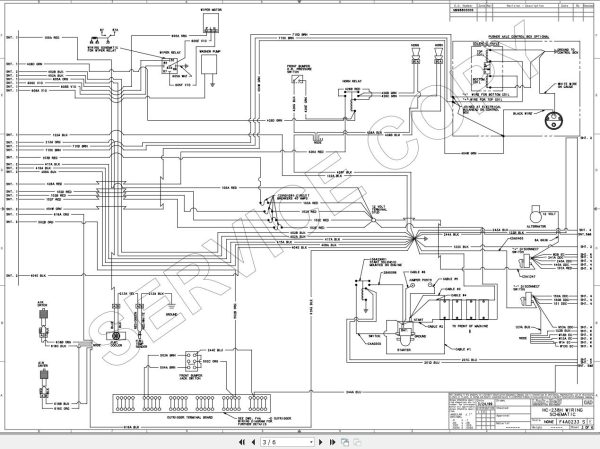
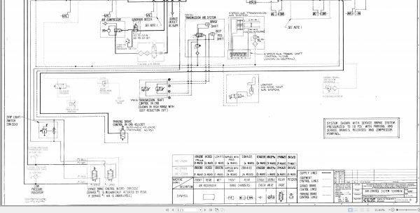
Link Belt Crane HC-238H Hydraulic and Electrical Diagrams

Expert Support

Full Speed

100% Working

Link Belt Crane HC-238H Hydraulic and Electrical Diagrams

20 USD

Tag:
  • Description

Description

Size: 5.21 MB
Format: PDF
Language: English
Brand: Link-Belt
Type of Machine: Crane
Type of Manual: Electrical and Hydraulic Diagrams
Model: Link Belt HC-238H Crane