✓
Expert Support
✓
Full Speed
✓
100% Working
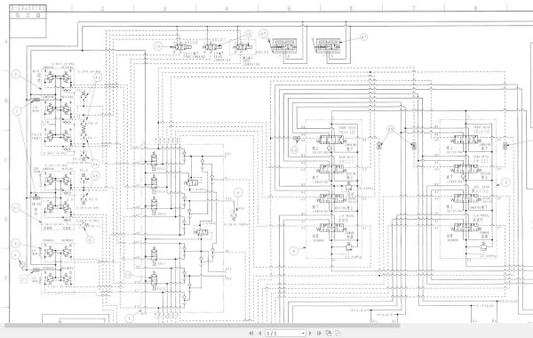
Link Belt Crane LS-208H II Electrical and Hydraulic Diagrams
20 USD
- Description
Description
Size: 3.79 MB
Format: PDF
Language: English
Brand: Link-Belt
Type of Machine: Crane
Type of Manual: Electrical Diagram, Hydraulic Diagram
Model: Link Belt LS-208H II Crane













