Expert Support
Full Speed
100% Working
Skyjack Articulating Booms SJ63AJ Service Manual 167275AJ 2022
20 USD
- Description
Description
Contents:
Section 1 – Scheduled Maintenance
Operator’s Responsibility for Maintenance
Service and Maintenance
Tables
Scheduled Maintenance Inspections and Function Tests
Section 2 – Maintenance Tables and Diagrams
Tables
Diagrams
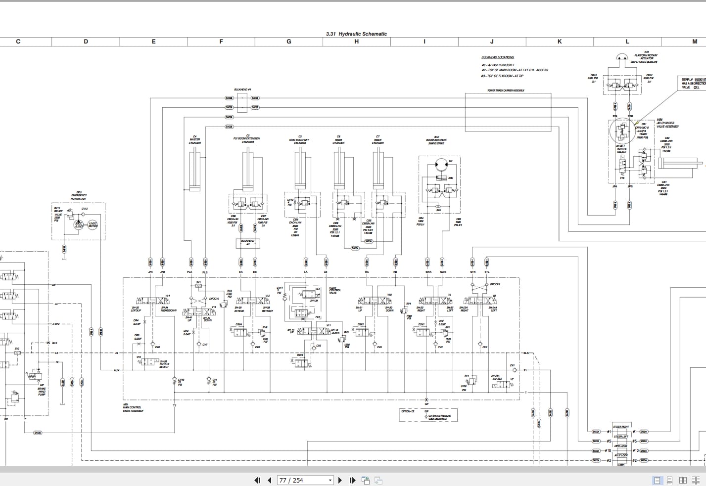
Section 3 – System Component Identification and Schematics
Charts
Parts Lists
Diagrams and Schematics
Section 4 – Troubleshooting Information
Introduction
4.1a Electrical System (ANSI/CSA)
4.1b Electrical System (CE & AS)
4.2a Hydraulic System (ANSI/CSA)
4.2b Hydraulic System (CE & AS)
4.3 Load Sensing System (CE)
Section 5 – Procedures
General
Safety and Workmanship
Platform
Boom
Turret
Deutz Diesel Engine
GM Dual Fuel Engine
Hydraulic Tank
Manifold and Hydraulic Pumps
Axles
Grease Points
Options













