







Expert Support
Full Speed
100% Working
Skyjack DC Electric Scissors SJ100 Series Operating Maintenance Parts Manual 104280-AA 2002
15 USD
- Description
Description
Contents:
Section 1 – Introduction
Purpose Of Equipment
Use Of Equipment
Warnings
Description
Operator Warnings (Figure 11-1)
Section 2 – Operation
Operating Controls Identification
Operator Qualifications
Base Controls
Platform Controls
Identification And Operation Of Safety Devices
Operating Procedures
Set-Up Procedure
Winching and Towing Procedures
Prestart Checks
Start and Operation
Emergency Lowering System
Shutdown Procedure
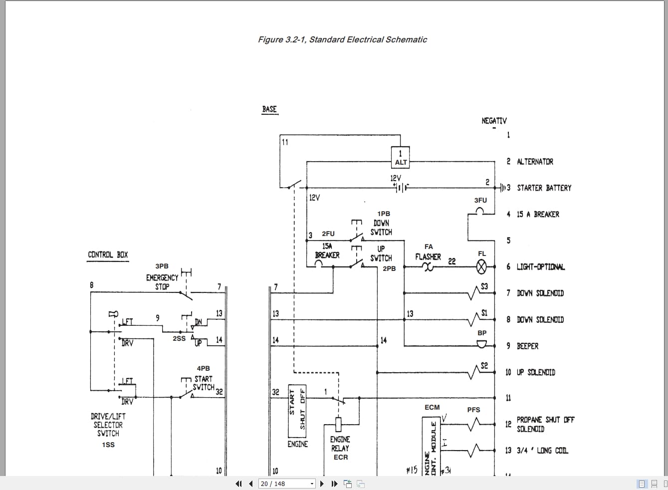
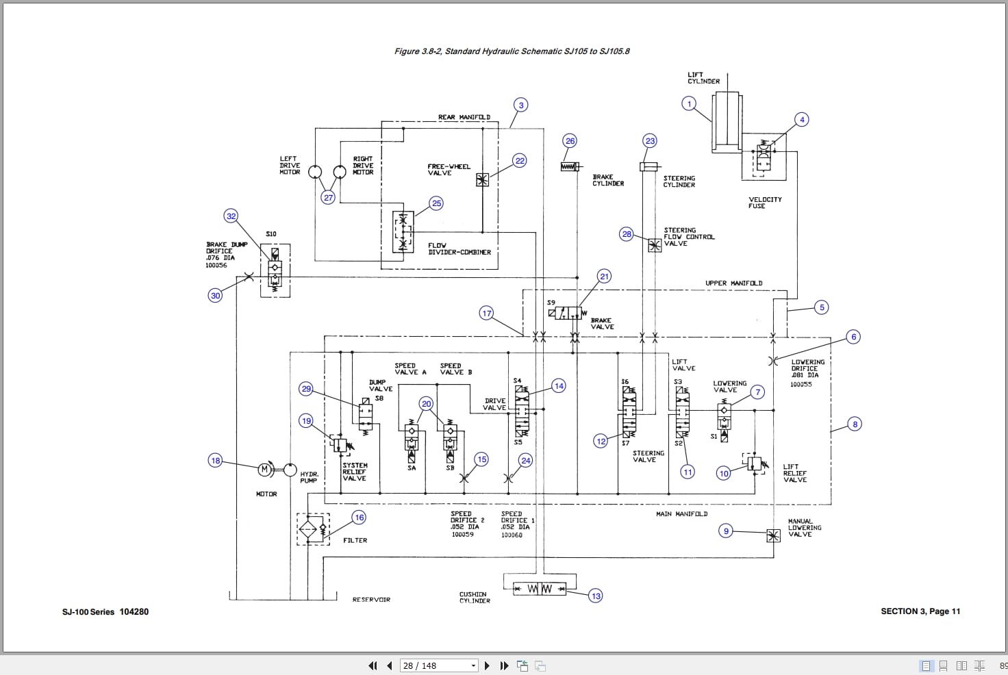
Section 3 – System Component Identification And Schematics
Table Of Contents
Section 4 – Troubleshooting Information
Information
Section 5 – Maintenance And Service
Table Of Contents
Section 6 – Operation
Table Of Contents
Appendix – Engine Manufacturers’ Owners Manual
Appendix A, Wisconsin Robin Engine
Appendix B, Honda Engine
Related Products
-
Skyjack Vertical Mast Lifts SJ20 Service Manual 238886ADA 2023
0 out of 520 USDSize: 9.74 MBFormat: PDFLanguage: EnglishBrand: SkyjackType of Machine: Vertical Mast LiftsType of Manual: Service Manual, Electrical SchematicModel: Skyjack SJ20 Vertical Mast LiftsSerial Number: A601000001 to A601000905Part Number: 238886ADAPublication Date: 2023Number of Pages: 158 PagesREALEASE :
-
Skyjack Vertical Mast Lifts SJ12E SJ16E SJ20E Operating Manual 243762ABA 2022
0 out of 510 USDSize: 5.67 MBFormat: PDFLanguage: EnglishBrand: SkyjackType of Machine: Vertical Mast LiftsType of Manual: Operating ManualModel: Skyjack SJ12E, SJ16E, SJ20E Vertical Mast LiftsSerial Number: A601001639 & abovePart Number: 243762ABAPublication Date: 2022Number of Pages: 92 PagesREALEASE :
-
Skyjack Vertical Mast Lifts SJ12E SJ16E SJ20E Service Manual 241914ADA 2023
0 out of 520 USDSize: 10.70 MBFormat: PDFLanguage: EnglishBrand: SkyjackType of Machine: Vertical Mast LiftsType of Manual: Service Manual, Electrical SchematicModel: Skyjack SJ12E, SJ16E, SJ20E Vertical Mast LiftsSerial Number: A601000906 – A601999999Part Number: 241914ADAPublication Date: 2023Number of Pages: 154 PagesREALEASE :
-
Skyjack Vertical Mast Lifts SJ20 Parts Manual 238885ACA 2023
0 out of 515 USDSize: 6.43 MBFormat: PDFLanguage: EnglishBrand: SkyjackType of Machine: Vertical Mast LiftsType of Manual: Parts ManualModel: Skyjack SJ20 Vertical Mast LiftsSerial Number: A601000001 to A601000905Part Number: 238885ACAPublication Date: 2023Number of Pages: 116 PagesREALEASE :
-
Skyjack NA 4.93GB PDF Operating Parts Service Manuals
0 out of 5This is a service information package, you will need to use this to repair a vehicle200Original price was: 200.140Current price is: 140. USDHot-30%
REALEASE :
REALEASE :
-
Skyjack Lift Aerial Working Platform AWP All Models 2020 Documentation PDF DVD
0 out of 5Skyjack Lift Aerial Working Platform AWP All Models 2020 Documentation PDF DVDSize: 6.39 GBFormat: PDFLanguage: EnglishBrand: Skyjack LiftAmount of DVD: 1 DVDWindow: All Window 32 & 64 bit, Mac OSType of Vehicle: Aerial working platform (AWP)Type of Document: Operating – Parts – Service Manuals PDF200Original price was: 200.110Current price is: 110. USDHot-45%
REALEASE :
30.05.2020
REALEASE :
30.05.2020
-
Skyjack Vertical Mast Lifts SJ12E SJ16E SJ20E Parts Manual 241913ADA 2023
0 out of 515 USDSize: 7.44 MBFormat: PDFLanguage: EnglishBrand: SkyjackType of Machine: Vertical Mast LiftsType of Manual: Parts ManualModel: Skyjack SJ12E, SJ16E, SJ20E Vertical Mast LiftsSerial Number: A601000906 – A601999999Part Number: 241913ADAPublication Date: 2023Number of Pages: 138 PagesREALEASE :
-
Skyjack Vertical Mast Lifts SJ20 Operating Manual 236504AFA 2022
0 out of 510 USDSize: 5.17 MBFormat: PDFLanguage: EnglishBrand: SkyjackType of Machine: Vertical Mast LiftsType of Manual: Operating ManualModel: Skyjack SJ20 Vertical Mast LiftsSerial Number: A601000001 – A601000905Part Number: 236504AFAPublication Date: 2022Number of Pages: 94 PagesREALEASE :







