Expert Support
Full Speed
100% Working
Skyjack DC Electric Scissors SJIII3215 SJIII3219 Service Manual 157927AP 2023
20 USD
- Description
Description
Contents:
Section 1 – Scheduled Maintenance
Operator’s Responsibility For Maintenance
Service And Maintenance
Tables
Scheduled Maintenance
Tables
Section 2 – Maintenance Tables And Diagrams
Table 2.1 Specifications And Features
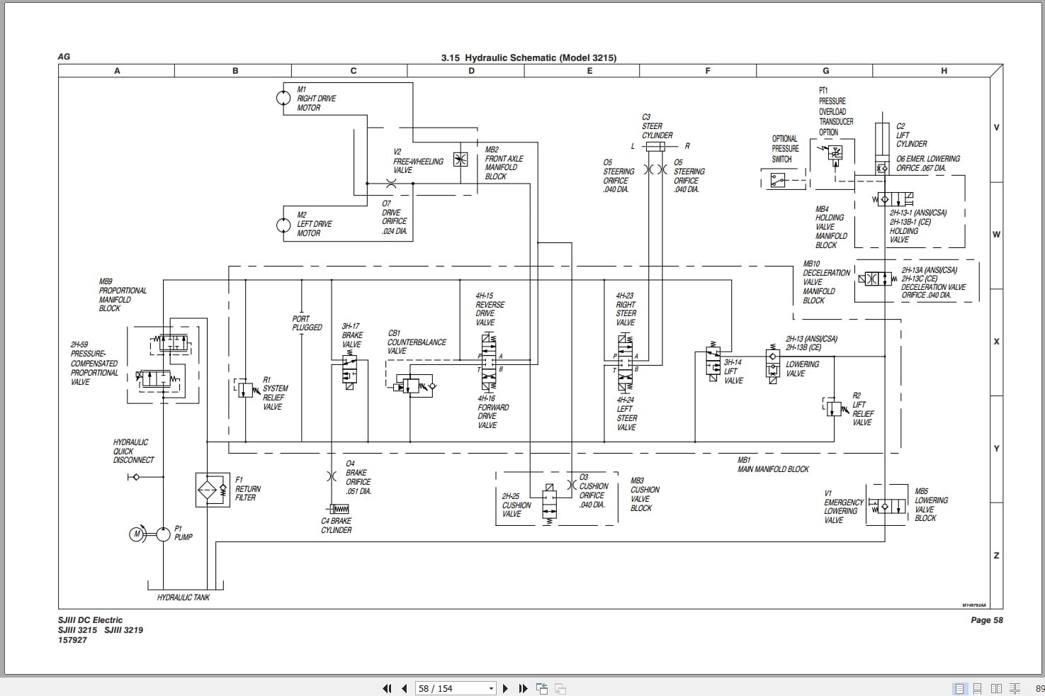
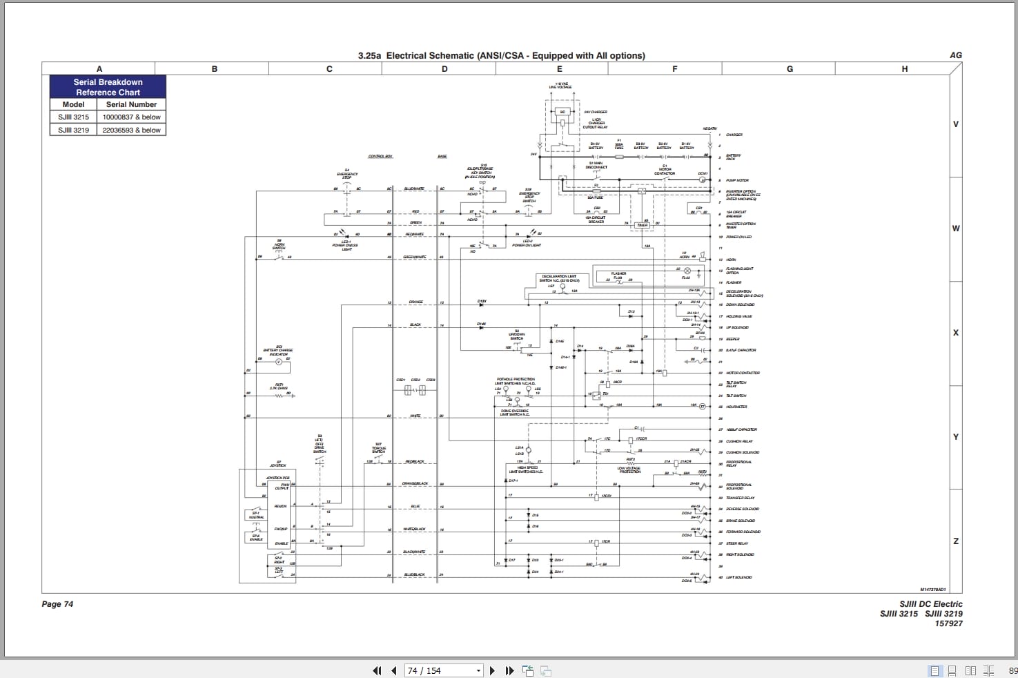
Section 3 – System Component Identification And Schematics
Charts
Parts List
Diagrams And Schematics
Section 4 – Troubleshooting Information
Introduction
Electrical System
Hydraulic System
Section 5 – Procedures
Service & Maintenance
Platform
Base
Scissors
Section 6 – Appendix A
Parts List
Diagrams And Schematics
Troubleshooting
Electrical System
Hydraulic System
Service & Maintenance
Platform
Base













