-
Kobelco Hydraulic Excavator SK210-9 (IV) Shop Manual
Kobelco Hydraulic Excavator SK210-9 (IV) Shop ManualSize: 132 MBFomat: PDFLanguage: EnglishBrand: KobelcoType of machine: Hydraulic ExcavatorType of document: Shop ManualModel:Serial: S5YN0042E01Number of page: 1054Date modified:-4%REALEASE :
15.10.2019
REALEASE :
15.10.2019
-
Kobelco Hydraulic Excavator SK260-9 SK295-9 (IV) Sevice Manual
Kobelco Hydraulic Excavator SK260-9 SK295-9 (IV) Sevice ManualSize: 443 MBFomat: PDFLanguage: EnglishBrand: KobelcoType of machine: Hydraulic ExcavatorType of document: Service ManualModel: SK260-9 . . . . . . . . . . . . . LL14U1700 and higher ~SK295-9 . . . . . . . . . . . . . LB07U0900 and higher ~Serial: 84531464845314658453146684531467Number of page: 1925Date modified: July 2011-4%REALEASE :
15.10.2019
REALEASE :
15.10.2019
-
Kobelco Hydraulic Excavator SK350-9 Tier 4 Sevice Manual
Kobelco Hydraulic Excavator SK350-9 Tier 4 Sevice ManualSize: 78.7 MBFomat: PDFLanguage: EnglishBrand: KobelcoType of machine: Hydraulic ExcavatorType of document: Service ManualModel: SK350-9 . . . . . . . . . . . . . YC12U2400 and higher ~Serial: 845369778453697884536979Number of page: 1389Date modified: July 2011-4%REALEASE :
15.10.2019
REALEASE :
15.10.2019
-
Kobelco Hydraulic Excavator SK485LC-9 Shop Manual
Kobelco Hydraulic Excavator SK485LC-9 Shop ManualSize: 88.8 MBFomat: PDFLanguage: EnglishBrand: KobelcoType of machine: Hydraulic ExcavatorType of document: Shop ManualModel:Serial: S5LS0018E02Number of page: 1232Date modified:-4%REALEASE :
15.10.2019
REALEASE :
15.10.2019
-
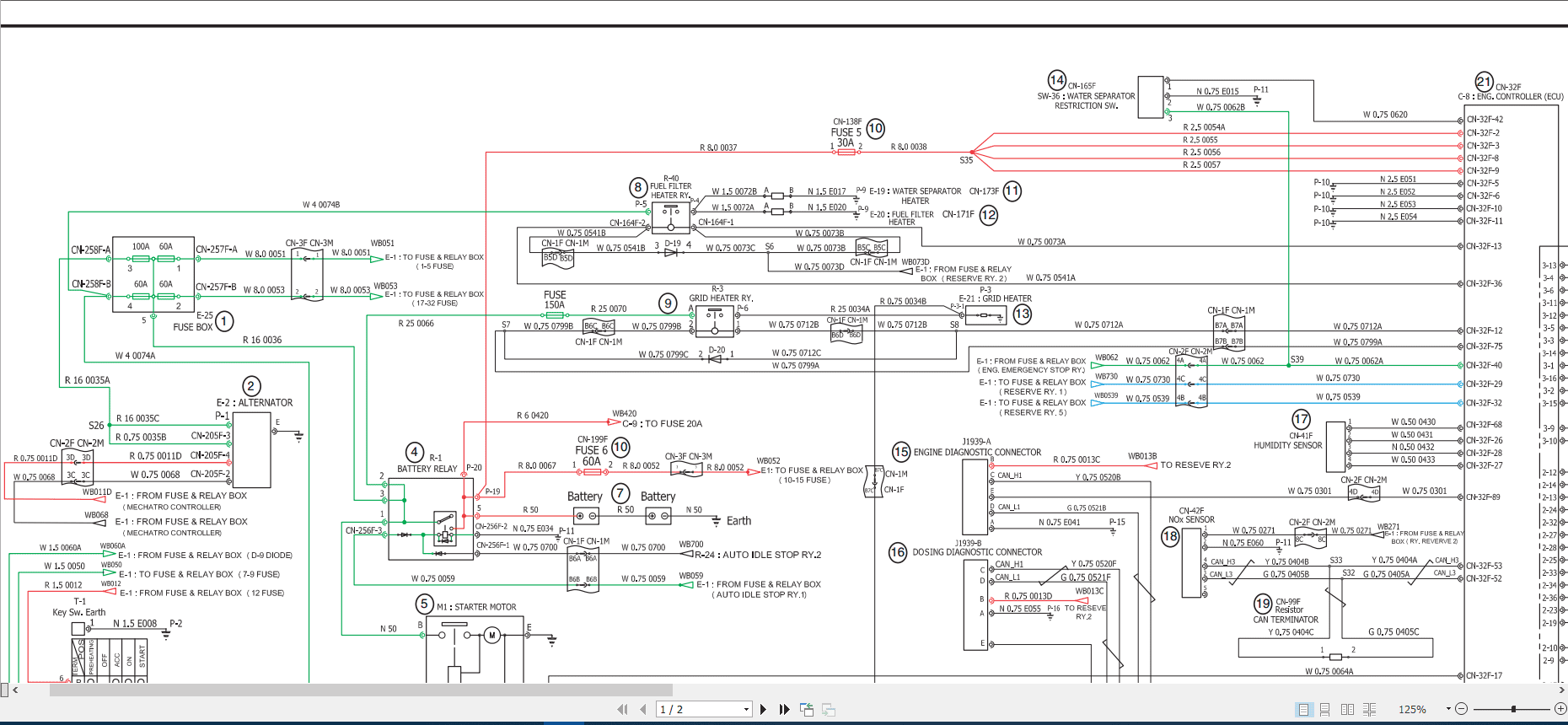
Kobelco SK170-9 SK210-9 SK260-9 SK295-9 Schematic Diagram
Kobelco SK170-9 SK210-9 SK260-9 SK295-9 Schematic DiagramSize: 11 MBFomat: PDFLanguage: EnglishBrand: KobelcoType of machine:Type of document: Schematic DiagramModel:Serial:Number of page: 2Date modified:-50%REALEASE :
15.10.2019
REALEASE :
15.10.2019
-
Kobelco Electrical Schematic Section_ch23_041-086 Schematic Diagram
Kobelco Electrical Schematic Section_ch23_041-086 Schematic DiagramSize: 63.6 MBFomat: PDFLanguage: EnglishBrand: KobelcoType of machine: Electrical SchematicType of document: Schematic DiagramModel:Serial:Number of page: 64Date modified:-8%REALEASE :
15.10.2019
REALEASE :
15.10.2019
-
Kobelco Hydraulic Schematic Section Schematic Manual
Kobelco Hydraulic Schematic Section Schematic ManualSize: 4.95 MBFomat: PDFLanguage: EnglishBrand: KobelcoType of machine:Type of document: Schematic ManualModel:Serial:Number of page: 42Date modified:-8%REALEASE :
15.10.2019
REALEASE :
15.10.2019
-
Kobelco Excavator SR Series Service Support
Kobelco Excavator SR Series Service SupportSize: 37.6 MBFomat: PDFLanguage: EnglishBrand: KobelcoType of machine: Kobelco ExcavatorType of document: Service SupportModel:Serial:Number of page: 348Date modified: 09/01-8%REALEASE :
15.10.2019
REALEASE :
15.10.2019
-
Scania SDP3 v2.41.1.41.0 Diagnostic & Programmer
Scania SDP3 v2.41.1.41.0 Diagnostic & ProgrammerDiagnostic & Programmer software for Scania trucks .Size: 2.3gb (After install)Region: All regionsType: Diagnostic & Programmer SoftwareVersion: v2.41.1.41.0Languages: English, Hungarian, Dutch, Danish, Spanish, Italian, Chinese, Mexican, German, Norwegian, Polish, Russian, Turkish, French, Czech, Swedish, JapaneseOS: Window 7 (32 or 64bit), window 10 (32 or 64bit) (Tested on win 7 64 bit ultimate)-44%REALEASE :
15.10.2019
REALEASE :
15.10.2019
-
Clark ForkLift Parts Pro Plus v492 [10.2019]
Clark ForkLift Parts Pro Plus v492 [10.2019]Size: 2.04GbLanguages: English, Spanish, German, FrenchType: Parts Pro Plus Spare Parts Catalog Clark ForkLiftRegion: All regionsMake: ClarkWin: Windows VISTA, Windows 7,Windows 8, Windows10 x32/x64Amount of disks: 1 DVDYear: 10.2019REALEASE :
15.10.2019
-
JCB ServiceMaster 4 v1.86.5 [10.2019] Diagnostic Full
JCB ServiceMaster 4 v1.86.5 [10.2019] Diagnostic FullSize: 8.82GBLanguages: English, Italian, German, FrenchType : Diagnostic software for JCB construction, agricultural machines and enginesRegion: All regionsWin: WinXP, WIN7, WIN8, WIN10Version: 4 v1.86.5Quantity of CD: 1 DVDYear: 10.2019Calibration program JCB ServiceMaster 4 allows the user to diagnose construction, agricultural and engine JCB.Link download high speed-42%REALEASE :
15.10.2019
REALEASE :
15.10.2019
-
Kobelco 7055 7065 Shop Manual_EN
Kobelco 7055 7065 Shop Manual_ENSize: 30 MBFormat: PDFLanguage: EnglishBrand: KobelcoType of document: Parts CatalogModel:Serial: S5GG0001ENumber of page: 557Date modified:-9%REALEASE :
14.10.2019
REALEASE :
14.10.2019
-
Kobelco Hydraulic Excavator SK14 K914 Shop Manual
Kobelco Hydraulic Excavator SK14 K914 Shop ManualSize: 45.2 MBFomat: PDFLanguage: EnglishBrand: KobelcoType of machine: Hydraulic ExcavatorType of document: Shop ManualModel: SK14. . . . . . . . . . . . . . L-60103~60216K914 . . . . . . . . . . . . . . LR-0117~Serial: S5LR0001E-02 NANumber of page: 734Date modified: 02/87-5%REALEASE :
14.10.2019
REALEASE :
14.10.2019
-
Kobelco Hydraulic Excavator SK130_SK140LC-8 shop manual
Kobelco Hydraulic Excavator SK130_SK140LC-8 shop manualFile type: PDF.Size: 112 Mb.Total: 1122 pages.Applicable Machine: YP09-05001 and up-17%REALEASE :
14.10.2019
REALEASE :
14.10.2019
-
Kobelco Hydraulic Excavator SK60 Shop Manual _EN
Kobelco Hydraulic Excavator SK60 Shop Manual _ENSize: 99.6 MBFormat: PDFLanguage: EnglishBrand: KobelcoType of document: Shop ManualModel: SK60Number of page: 779-10%REALEASE :
14.10.2019
REALEASE :
14.10.2019
-
Kobelco Hydraulic Excavator SK200_210LC-8 Shop Manual _EN
Kobelco Hydraulic Excavator SK200_210LC-8 Shop Manual _ENSize: 44 MBFormat: PDFLanguage: EnglishBrand: KobelcoType of document: Shop ManualModel: SK200-SK210LC-8Number of page: 1082-9%REALEASE :
14.10.2019
REALEASE :
14.10.2019
-
Kobelco Hydraulic Excavator SK200_210NLC-6 Shop Manual _EN
Kobelco Hydraulic Excavator SK200_210NLC-6 Shop Manual _ENSize: 59.5 MBFormat: PDFLanguage: EnglishBrand: KobelcoType of document: Shop ManualModel: SK200-SK210NLC-6Number of page: 1000-9%REALEASE :
14.10.2019
REALEASE :
14.10.2019
-
Kobelco Hydraulic Excavator SK210LC-9 Shop Manual _EN
Kobelco Hydraulic Excavator SK210LC-9 Shop Manual _ENSize: 144 MBFormat: PDFLanguage: EnglishBrand: KobelcoType of document: Shop ManualModel: SK210LC-9Number of page: 1610Date modifided: 2017-4%REALEASE :
14.10.2019
REALEASE :
14.10.2019
-
Kobelco Hydraulic Excavator SK170LC-10 NA Shop Manual
Kobelco Hydraulic Excavator SK170LC-10 NA Shop ManualMarket: NAType: Hydraulic ExcavatorYear 2017File type: pdf.Size: 191Mb.Total: 1958 pages.Applicable Machine from: YM09-01001~-9%REALEASE :
14.10.2019
REALEASE :
14.10.2019
-
Kobelco Hydraulic Excavator SK75-8 S5LG0003E01 Shop Manual
Kobelco Hydraulic Excavator SK75-8 S5LG0003E01 Shop ManualSize: 82.0 MBFomat: PDFLanguage: EnglishBrand: KobelcoType of machine: Hydraulic ExcavatorType of document: Shop ManualModel: Kobelco Hydraulic Excavator SK75-8Page of number: 938 pagesBook Code No: S5LG0003E01-17%REALEASE :
14.10.2019
REALEASE :
14.10.2019
-
Kobelco Hydraulic Excavator SK130HDL-8B S5LX0001E01 SHOP MANUAL
Kobelco Hydraulic Excavator SK130HDL-8B S5LX0001E01 SHOP MANUALSize: 109 MBFomat: PDFLanguage: EnglishBrand: KobelcoType of machine: Hydraulic ExacavtorType of document: Shop ManualModel: Kobelco Hydraulic Excavator SK130HDL-8BPage of number: 1092 pagesBook Code No: S5LX0001E01-9%REALEASE :
14.10.2019
REALEASE :
14.10.2019
-
Kobelco Hydraulic Excavator SK200_210LC(NLC)-6E S5YN0014E Shop Manual
Kobelco Hydraulic Excavator SK200_210LC(NLC)-6E S5YN0014E Shop ManualSize: 61.0 MBFomat: PDFLanguage: EnglishBrand: KobelcoType of machine: Hydraulic ExacavtorType of document: Shop ManualModel: Kobelco Hydraulic Excavator SK200_210LC(NLC)-6EPage of number: 1041 pagesBook Code No: S5YN0014E-9%REALEASE :
14.10.2019
REALEASE :
14.10.2019
-
Kobelco Hydraulic Excavator SK200_SK210LC-8 (HS Engine) S5YN0023E02 SHOP MANUAL_Asia
Kobelco Hydraulic Excavator SK200_SK210LC-8 (HS Engine) S5YN0023E02 SHOP MANUAL_AsiaSize: 54.0 MBFomat: PDFLanguage: EnglishBrand: KobelcoType of machine: Hydraulic ExacavtorType of document: Shop ManualModel: Kobelco Hydraulic Excavator SK200_SK210LC-8 (HS Engine)Page of number: 1072 pagesBook Code No: S5YN0023E02-9%REALEASE :
14.10.2019
REALEASE :
14.10.2019
-
Kobelco Hydraulic Excavator SK250_SK260LC-8(HS Engine) S5LQ0017E03 Shop Manual_Asia
Kobelco Hydraulic Excavator SK250_SK260LC-8(HS Engine) S5LQ0017E03 Shop Manual_AsiaSize: 62.5 MBFomat: PDFLanguage: EnglishBrand: KobelcoType of machine: Hydraulic ExacavtorType of document: Shop ManualModel: Kobelco Hydraulic Excavator SK250_SK260LC-8(HS Engine)Page of number: 1092 pagesBook Code No: S5LQ0017E03-9%REALEASE :
14.10.2019
REALEASE :
14.10.2019