-
HOLDEN Collection Models Workshop Service Manuals
100 USDSize: 8.95 GBFormat: PDFLanguage: EnglishBrand: HoldenType of Machine: Passenger Vehicles (Automotive), Engines, Transmissions, Electrical Systems, Diagnostic SystemsType of Manual: Service Manual, Workshop Manual, Repair Manual, Diagnostics Manual, Wiring Diagram, Parts Catalog, Owner ManualHot
REALEASE :
REALEASE :
-
JAC M3EV 2024 Electric Diagram
30 USDSize: 15.5 MBFormat: PDFLanguage: EnglishBrand: JACType of Machine: AutomotiveType of Manual: Electric DiagramModel: JAC M3EV 2024Number of Pages: 236 PagesREALEASE :
-
Husqvarna 701 enduro 2021 Repair Manual
10 USDSize: 29.7 MBFormat: PDFLanguage: EnglishBrand: HusqvarnaType of Machine: BikeType of Manual: Repair ManualModel: Husqvarna 701 enduro 2021Number of Pages: 406 pagesREALEASE :
-
Hongqi 2021 E-HS9 Wiring Diagrams
50 USDSize: 52.43 MBFormat: PDFLanguage: EnglishBrand: HongqiType of Machine: AutomotiveType of Manual: Wiring Diagrams, Electrical SchematicModel: Hongqi 2021 E-HS9 AutomotiveDate: 2021REALEASE :
-
Jetour X70 1.5T 2018 Electrical Wiring Diagrams
20 USDSize: 19.3 MBFormat: PDFLanguage: EnglishBrand: JetourType of Machine: AutomotiveType of Manual: Electrical Wiring DiagramsModel: Jetour X70 1.5T 2018Publication Date: 2018Number of Pages: 101 PagesREALEASE :
-
XPENG X9 RHD User Manual
10 USDSize: 44.20 MBFormat: PDFLanguage: EnglishBrand: XPENGType of Machine: AutomotiveType of Manual: User ManualModel: XPENG X9 RHDPart Number: XPENG X9 RHD User ManualNumber of Pages: 365 PagesREALEASE :
-
XPENG G6 2024 User Manual
10 USDSize: 33.6 MBFormat: PDFLanguage: EnglishBrand: XPENGType of Machine: AutomotiveType of Manual: User ManualModel: XPENG G6 2024Number of Pages: 312 PagesREALEASE :
-
Xiaomi YU7 User Manual
10 USDSize: 95.88 MBFormat: PDFLanguage: EnglishBrand: XiaomiType of Machine: AutomotiveType of Manual: User ManualModel: Xiaomi YU7Number of Pages: 313 PagesREALEASE :
-
Voyah Dream 2022 Service Manual
20 USDSize: 47.12 MBFormat: PDFLanguage: EnglishBrand: VoyahType of Machine: AutomotiveType of Manual: Powertrain System – Service ManualModel: Voyah Dream 2022Number of Pages: 576 PagesREALEASE :
-
NETA Auto Automotive Service Manual
20 USDSize: 239 MBFormat: PDFLanguage: EnglishBrand: NETA AutoType of Machine: AutomotiveType of Manual: Service ManualModel: NETA Auto AutomotiveNumber of Pages: 3356 PagesREALEASE :
-
KAIYI E5 V1.1 2021 Repair Manual
20 USDSize: 63.53 MBFormat: PDFLanguage: EnglishBrand: KAIYIType of Machine: AutomotiveType of Manual: Repair ManualModel: KAIYI E5 V1.1 2021Number of Pages: 1480 PagesREALEASE :
-
Exeed E0Y REEV LHD 2025 Electric Diagrams
30 USDSize: 137.94 MBFormat: PDFLanguage: EnglishBrand: ExeedType of Machine: AutomotiveType of Manual: Electric DiagramsModel: Exeed E0Y REEV LHD 2025Number of Pages: 422 PagesREALEASE :
-
Denza N7 User Manual
10 USDSize: 19.48 MBFormat: PDFLanguage: EnglishBrand: DenzaType of Machine: AutomotiveType of Manual: User ManualModel: Denza N7Number of Pages: 292 PagesREALEASE :
-
Changan UNI-K iDD DF722 Operation Manual 2023
20 USDSize: 13.5 MBFormat: PDFLanguage: EnglishBrand: ChanganType of Machine: AutomotiveType of Manual: Operation ManualModel: Changan UNI-K iDDAutomatic Transmission DF722Publication Date: 2023Number of Pages: 365 PagesREALEASE :
-
Changan UNI-K iDD 2023 Wiring Diagram
20 USDSize: 21.3 MBFormat: PDFLanguage: EnglishBrand: ChanganType of Machine: AutomotiveType of Manual: Wiring DiagramModel: Changan UNI-K iDDPublication Date: 2023Number of Pages: 299 PagesREALEASE :
-
AVATR 12 Owner Manual
10 USDSize: 69.31 MBFormat: PDFLanguage: EnglishBrand: AVATRType of Machine: AutomotiveType of Manual: ManualModel: AVATR 12Number of Pages: 400 PagesREALEASE :
-
Baic A1 2014 Electric Diagrams and Maintenance Manual
20 USDSize: 8.31 MBFormat: PDFLanguage: EnglishBrand: BaicType of Machine: AutomotiveType of Manual: Electric Diagrams and Maintenance ManualModel: Baic A1 2014Number of Pages: 565 PagesREALEASE :
-
Baic X25 2015 Circuit Diagram Maintenance Manual
20 USDSize: 7.96 MBFormat: PDFLanguage: EnglishBrand: BaicType of Machine: AutomotiveType of Manual: Electric Diagrams – Maintenance ManualModel: Baic X25 2015Number of Pages: 256 PagesREALEASE :
-
Baic X25 2015 Electrical Equipment Maintenance Manual
20 USDSize: 13.97 MBFormat: PDFLanguage: EnglishBrand: BaicType of Machine: AutomotiveType of Manual: Electrical Equipment – Maintenance ManualModel: Baic X25 2015Number of Pages: 409 PagesREALEASE :
-
Exeed E03 REEV 2025 Service Manual
50 USDSize: 124.72 MBFormat: PDFLanguage: EnglishBrand: ExeedType of Machine: AutomotiveType of Manual: Service ManualModel: Exeed E03 REEV 2025Number of Pages: 5258 PagesREALEASE :
-
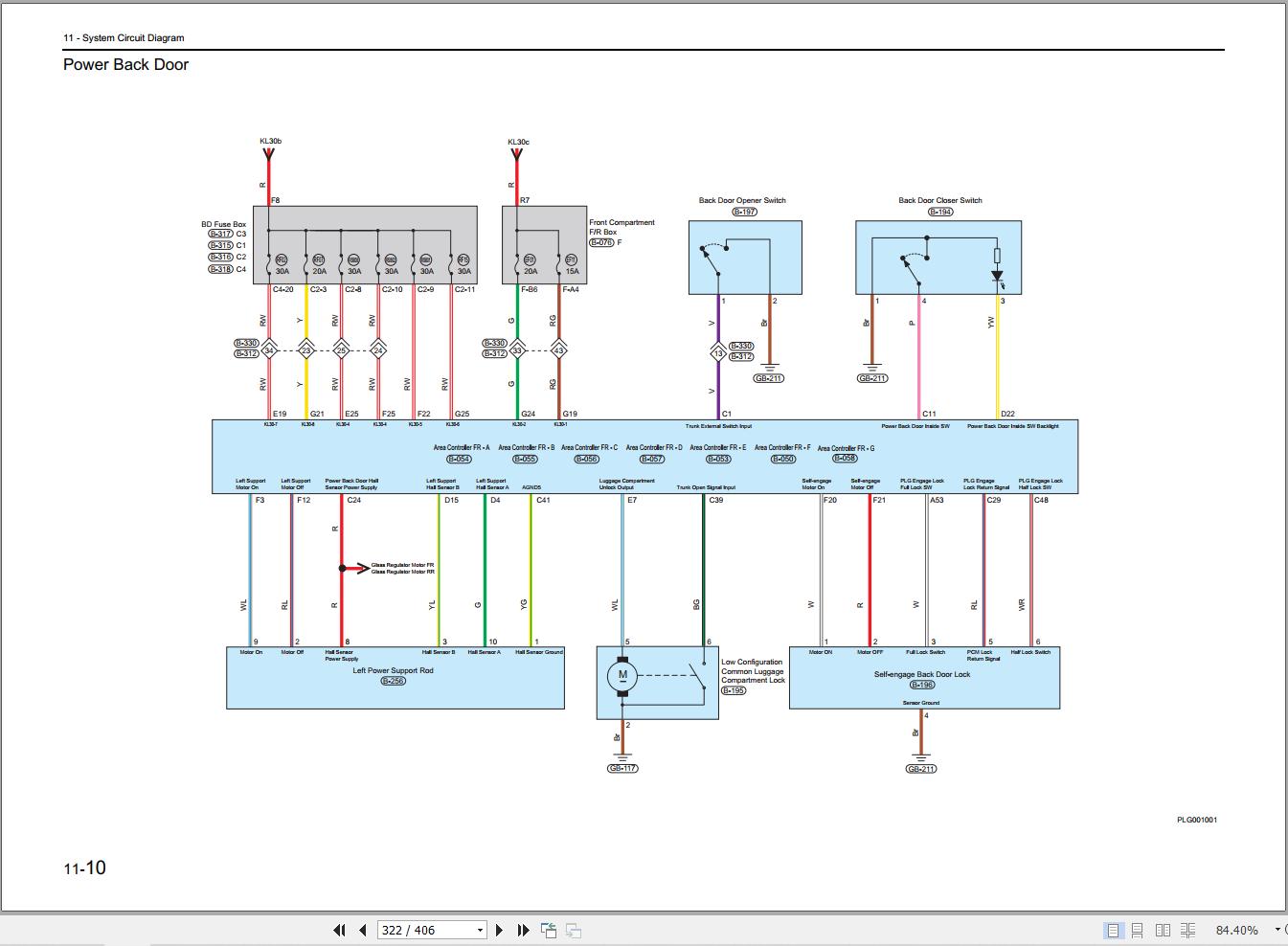
Exeed STERRA E03 2024 Electric Diagrams
30 USDSize: 107 MBFormat: PDFLanguage: EnglishBrand: ExeedType of Machine: AutomotiveType of Manual: Electric DiagramsModel: Exeed STERRA E03 2024Number of Pages: 406 PagesREALEASE :
-
LiXiang L9 Parts Catalog 2022-2023 ZH
100 USDSize: 132 MBFormat: PDFLanguage: ChineseBrand: LiXiangType of Machine: AutomotiveType of Manual: Parts CatalogModel: LiXiang L9Year: 2022 2023Number of Pages: 415 PagesREALEASE :
-
Daewoo Tacuma 2002 Service Manual
15 USDSize: 27.44 MBFormat: PDFLanguage: EnglishBrand: DaewooType of Machine: AutomotiveType of Manual: Service Manual, Wiring DiagramsModel: Daewoo Tacuma 2002Number of Pages: 1953 PagesREALEASE :
-
Geely Engine MR479Q MR479QA MR481QA JL481Q Workshop Manual
15 USDSize: 13.70 MBFormat: PDFLanguage: EnglishBrand: GeelyType of Machine: EngineType of Manual: Workshop ManualModel: Geely MR479Q MR479QA MR481QA JL481Q EngineNumber of Pages: 198 PagesREALEASE :
0
0 ITEMSVIEW CART
- You have no items in your shopping cart.
























