-
Doosan Excavator DX150W-7 DX170WAT-7 Shop Manual 950106-02394_D_KO
150 USDHow to download the Doosan Shop Manual PDF file:1/ Contact Us => “”CLICK HERE“”2/ Let us know your modeln or nameplate information.3/ We will send you some images and details to make sure they match exactly what you need.4/ Make the payment and receive the download link for the PDF file.REALEASE :
-
Doosan Excavator DX57W-7 Shop Manual 950106-02256_E_EN
150 USDHow to download the Doosan Shop Manual PDF file:1/ Contact Us => “”CLICK HERE“”2/ Let us know your modeln or nameplate information.3/ We will send you some images and details to make sure they match exactly what you need.4/ Make the payment and receive the download link for the PDF file.REALEASE :
-
Doosan Excavator DX190W-7 Shop Manual
150 USDREALEASE :
-
Doosan Excavator DX300-7 Shop Manual
150 USDREALEASE :
-
Doosan Excavator DX300LC-5 Shop Manual 950106-00980E
150 USDSize: 102.83 MBFormat: PDFLanguage: EnglishBrand: DoosanType of Machine: ExcavatorType of Manual: Shop ManualModel: Doosan DX300LC-5 ExcavatorSerial Number: 1001 and Up, 50001 and UpPart Number: 950106-00980EPublication Date: 2014Number of Pages: 1576 PagesREALEASE :
-
Doosan Excavators DX140W-7 DX160W-7 Shop Manual 950106-02394_C_EN
200 USDSize: 80.4 MBFormat: PDFLanguage: EnglishBrand: Doosan, DevelonType of Machine: ExcavatorsType of Manual: Shop Manual, Hydraulic Schematic, Electric Schematic, Error Code, Wiring Harness LayoutModel: DX140W-7 DX160W-7Part Number: 950106-02394_C_ENNumber of Pages: 467 PagesREALEASE :
-
Doosan Excavator DX140W ACE Service Manual 950106-00272 KO
30 USDSize: 67.10 MBFormat: PDFLanguage: KoreanBrand: DoosanType of Machine: ExcavatorType of Manual: Service Manual, Electrical and Hydraulic DiagramModel: Doosan DX140W ACE ExcavatorSerial Number: 5001 and upPart Number: 950106-00272Publication Date: 2011Number of Pages: 952 PagesREALEASE :
-
Doosan Excavator DX300LC-5 Parts Catalog 950106-00982EF-1
20 USDSize: 17.27 MBFormat: PDFLanguage: EnglishBrand: DoosanType of Machine: ExcavatorType of Manual: Parts CatalogModel: Doosan DX300LC-5 ExcavatorPart Number: 950106-00982EF-1Number of Pages: 840 PagesREALEASE :
-
Doosan Excavator DX180LC Parts Catalog K1024424EF
20 USDSize: 44.59 MBFormat: PDFLanguage: EnglishBrand: DoosanType of Machine: ExcavatorType of Manual: Parts CatalogModel: Doosan DX180LC ExcavatorSerial Number 5001 and UpPart Number: K1024424EFPublication Date: 2006Number of Pages: 618 PagesREALEASE :
-
Doosan Excavator DX140LC-3 Parts Catalog 950106-00387EF
20 USDSize: 10.56 MBFormat: PDFLanguage: EnglishBrand: DoosanType of Machine: ExcavatorType of Manual: Parts CatalogModel: Doosan DX140LC-3 ExcavatorSerial Number 1001 and UpSerial Number 50001 and Up (Europe Only)Part Number: 950106-00387EFPublication Date: 2012Number of Pages: 778 PagesREALEASE :
-
Doosan Excavator DX140LC Parts Catalog K1027953EF
20 USDSize: 8.75 MBFormat: PDFLanguage: EnglishBrand: DoosanType of Machine: ExcavatorType of Manual: Parts CatalogModel: Doosan DX140LC ExcavatorSerial Number 5001 and UpPart Number: K1027953EFPublication Date: 2007Number of Pages: 654 PagesREALEASE :
-
Doosan Excavator DX27Z Parts Catalog K1028287CEF
20 USDSize: 6.05 MBFormat: PDFLanguage: EnglishBrand: DoosanType of Machine: ExcavatorType of Manual: Parts CatalogModel: Doosan DX27Z ExcavatorSerial Number 5001 and UpPart Number: K1028287CEFPublication Date: 2013Number of Pages: 350 PagesREALEASE :
-
Doosan Excavator Solar 140W-V 160W-V Shop Manual 023-00065E
20 USDSize: 86.51 MBFormat: PDFLanguage: EnglishBrand: DoosanType of Machine: ExcavatorType of Manual: Shop Manual, Electrical SchematicModel: Doosan Solar 140W-V, Solar 160W-V ExcavatorSerial Number: 1001 and UpPart Number: 023-00065ENumber of Pages: 900 PagesREALEASE :
-
Doosan Excavator Solar 180W-V Shop Manual 023-00068E
20 USDSize: 112.42 MBFormat: PDFLanguage: EnglishBrand: DoosanType of Machine: ExcavatorType of Manual: Shop Manual, Electrical SchematicModel: Doosan Solar 180W-V ExcavatorSerial Number: 1001 and UpPart Number: 023-00068EPublication Date: 2003Number of Pages: 988 PagesREALEASE :
-
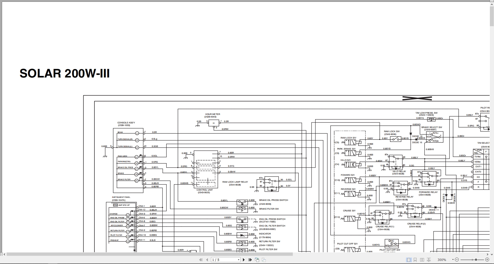
Doosan Excavator SOLAR 200W-III Electrical And Hydraulic Schematic
20 USDSize: 0.80 MBFormat: PDFLanguage: EnglishBrand: DoosanType of Machine: ExcavatorType of Manual: Electrical And Hydraulic SchematicModel: Doosan SOLAR 200W-III ExcavatorNumber of Pages: 5 PagesREALEASE :
-
Doosan Excavator Solar 225NLC-V Shop Manual 023-00062E
20 USDSize: 38.78 MBFormat: PDFLanguage: EnglishBrand: DoosanType of Machine: ExcavatorType of Manual: Shop Manual, Electrical SchematicModel: Doosan Solar 225NLC-V ExcavatorSerial Number: 1001 and UpPart Number: 023-00062ENumber of Pages: 684 PagesREALEASE :
-
Doosan Excavator Solar 290LC-V Shop Manual 2023-7113AE
20 USDSize: 42.44 MBFormat: PDFLanguage: EnglishBrand: DoosanType of Machine: ExcavatorType of Manual: Shop Manual, Electrical SchematicModel: Doosan Solar 290LC-V ExcavatorSerial Number: 0001 and UpPart Number: 2023-7113AENumber of Pages: 616 PagesREALEASE :
-
Doosan Excavator Solar 470LC-V Shop Manual S0102000 2004
20 USDSize: 16.17 MBFormat: PDFLanguage: EnglishBrand: DoosanType of Machine: ExcavatorType of Manual: Shop Manual, Electrical SchematicModel: Doosan Solar 470LC-V ExcavatorPart Number: S0102000Publication Date: 2004Number of Pages: 614 PagesREALEASE :
-
Doosan Excavator DX140W Tier III Parts Catalog
15 USDSize: 33.06 MBFormat: PDFLanguage: EnglishBrand: DoosanType of Machine: ExcavatorType of Manual: Parts CatalogModel: Doosan DX140W Tier III ExcavatorNumber of Pages: 1038 PagesREALEASE :
-
Doosan Excavator Solar 225LC-V Shop Manual 023-00058E ES
20 USDSize: 54.87 MBFormat: PDFLanguage: SpanishBrand: DoosanType of Machine: ExcavatorType of Manual: Shop Manual, Electrical SchematicModel: Doosan Solar 225LC-V ExcavatorSerial Number: 1001 and upPublication No: 023-00058EPublication Date: 2007Number of Pages: 571 PagesREALEASE :
-
Doosan Excavator Solar 225LC-V Shop Manual 023-00058E
20 USDSize: 37.74 MBFormat: PDFLanguage: EnglishBrand: DoosanType of Machine: ExcavatorType of Manual: Shop Manual, Electrical SchematicModel: Daewoo Solar 225LC-V ExcavatorSerial Number: 1001 and UpPublication No: 023-00058EPublication Date: 2002Number of Pages: 670 PagesREALEASE :
-
Doosan Excavator DX300LCA-7M DX320LCA-7M Shop Manual 950106-02329BE 2022
50 USDSize: 49.82 MBFormat: PDFLanguage: EnglishBrand: DoosanType of Machine: ExcavatorType of Manual: Shop Manual, Hydraulic And Electrical SchematicModel: Doosan DX300LCA-7M ; DX320LCA-7M ExcavatorEngine: Doosan DE08 Tier 2 EnginePart Number: 950106-02329BEPublication Date: 2022Number of Pages: 419 PagesREALEASE :
-
Doosan Excavator SOLAR 185W-V Parts Catalog
20 USDSize: 28.3 MBFormat: PDFLanguage: EnglishBrand: DoosanType of Machine: ExcavatorType of Manual: Parts CatalogModel: Doosan SOLAR 185W-V ExcavatorNumber of Pages: 614 PagesREALEASE :
-
Doosan Excavator DX190W-5 Shop Manual 950106-01482E
150 USDSize: 65.02 MBFormat: PDFLanguage: EnglishBrand: DoosanType of Machine: ExcavatorType of Manual: Shop Manual, Hydraulic Schematic, Electrical SchematicModel: Doosan DX190W-5 ExcavatorSerial Number: 1001 and UpPublication No: 950106-01482 ENumber of Pages: 1618 PagesREALEASE :
0
0 ITEMSVIEW CART
- You have no items in your shopping cart.

























