-
Komatsu Excavator PC1000-1 Hydraulic Circuit Diagram
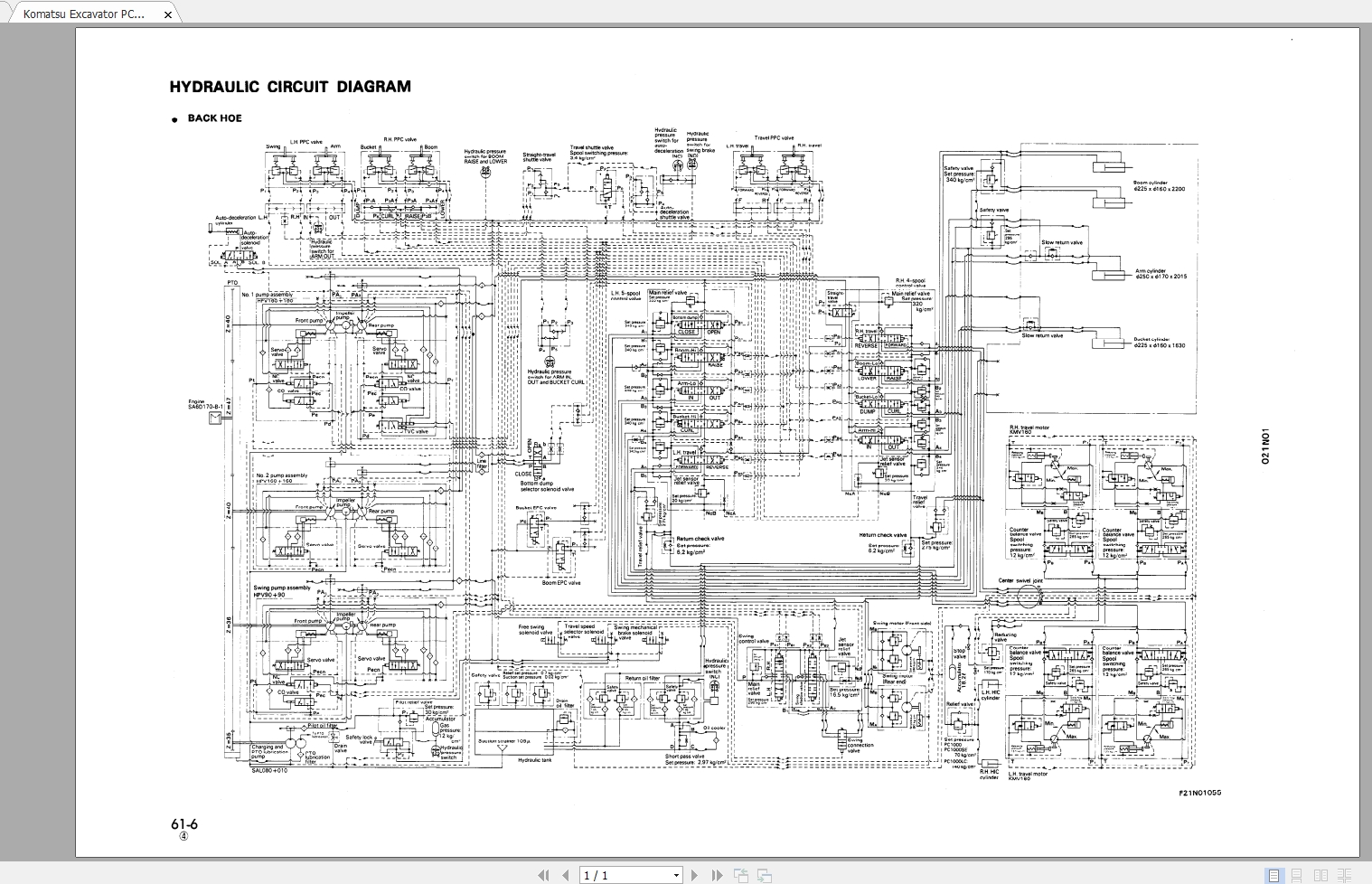
10 USDKomatsu Excavator PC1000-1 Hydraulic Circuit DiagramSize: 222 KBFormat: PDFLanguage: EnglishBrand: KomatsuType of machine: Hydraulic ExcavatorType of document: Circuit DiagramsModel: Komatsu PC1000-1 Circuit DiagramNumber of pages: 1 page-50%
REALEASE :
20.08.2020
REALEASE :
20.08.2020
4

