-
Kubota Tractor L2500F Wiring Diagrams
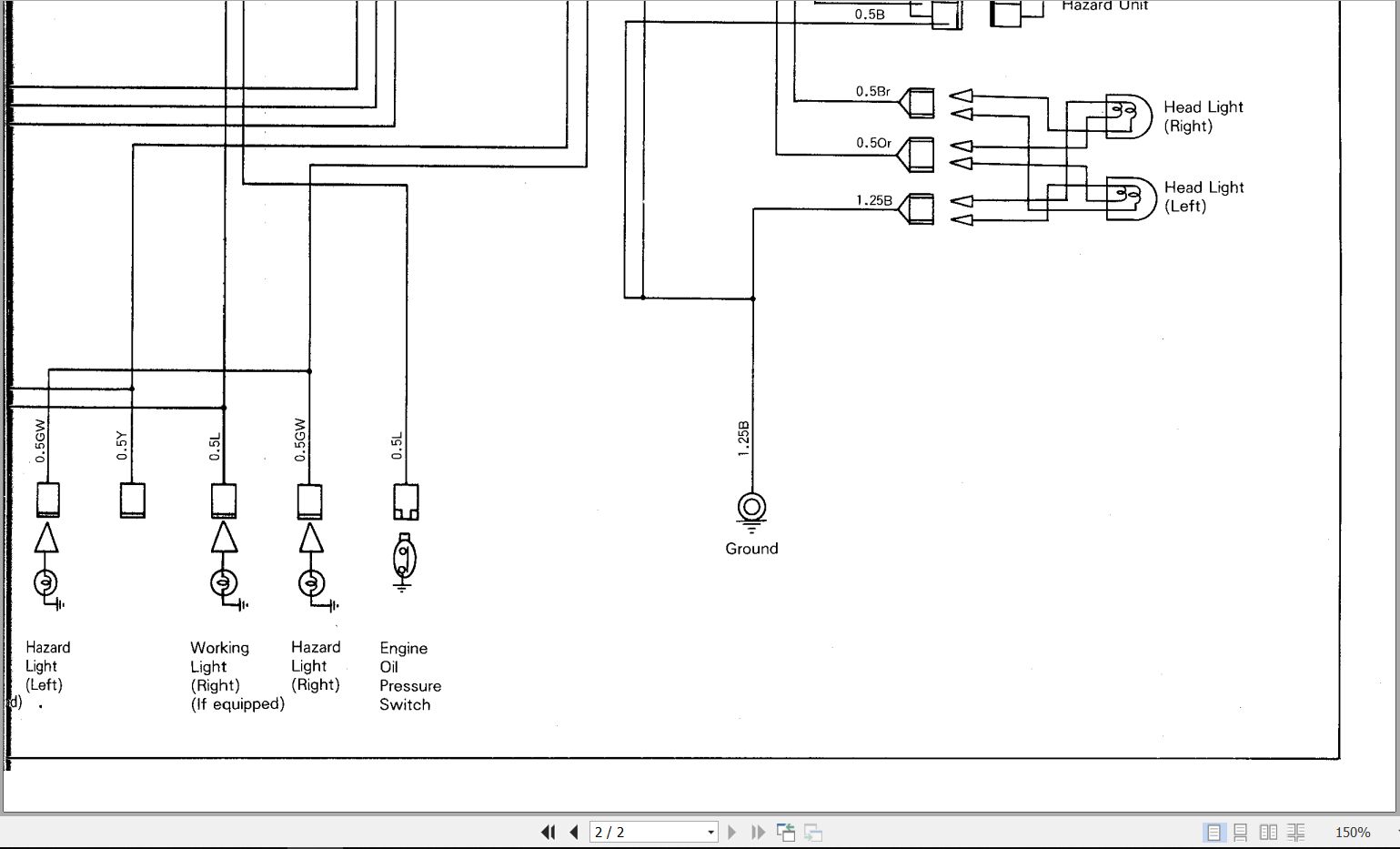
10 USDSize: 0.08 MBFormat: PDFLanguage: EnglishBrand: KubotaType of Machine: TractorType of Manual: Wiring DiagramsModel: Kubota L2500F TractorREALEASE :
-
Kubota Tractor L2500F Parts Manual
15 USDSize: 2.46 MBFormat: PDFLanguage: EnglishBrand: KubotaType of Machine: TractorType of Manual: Parts ManualModel: Kubota L2500F TractorNumber of Pages: 228 PagesREALEASE :
0
0 ITEMSVIEW CART
- You have no items in your shopping cart.



