-
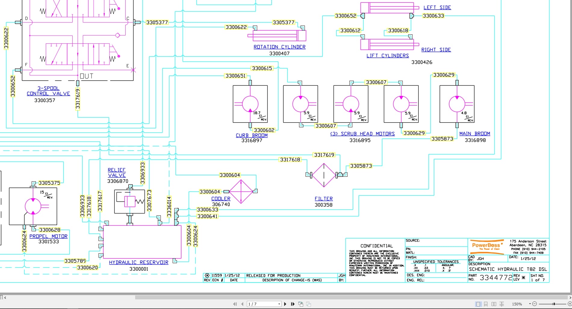
PowerBoss Sweeper T82 DSL LP GAS Hydraulic Schematic
10 USDSize: 1.92 MBFormat: PDFLanguage: EnglishBrand: PowerBossType of Machine: SweeperType of Manual: Hydraulic SchematicModel: PowerBoss T82 DSL ; T82 LPG ; T82 Gasoline SweeperList of Files:T82 DSL Hydraulic Schematic 3344772 2012.pdfT82 LP GAS Hydraulic Schematic 3344774 2012.pdfREALEASE :
-
PowerBoss Sweeper T82 CE DSL CE LP GAS Electrical Schematic
10 USDSize: 0.26 MBFormat: PDFLanguage: EnglishBrand: PowerBossType of Machine: SweeperType of Manual: Electrical SchematicModel: PowerBoss T82 CE DSL ; T82 CE LP GAS SweeperList of Files:T82 CE DSL Electrical Schematic 3344395 2010.pdfT82 CE LP GAS Electrical Schematic 3397505 2011 1.pdfT82 CE LP GAS Electrical Schematic 3397505 2011 2.pdfREALEASE :
0
0 ITEMSVIEW CART
- You have no items in your shopping cart.



