





✓
Expert Support
✓
Full Speed
✓
100% Working
Amazone Sprayer Pantera 4502 Operating Manual MG5624
Size: 16.7 MB
Format: PDF
Language: English
Brand: Amazone
Type of Machine: Self-propelled fields sprayer (Euro 3A / Euro 4 Emission Standard)
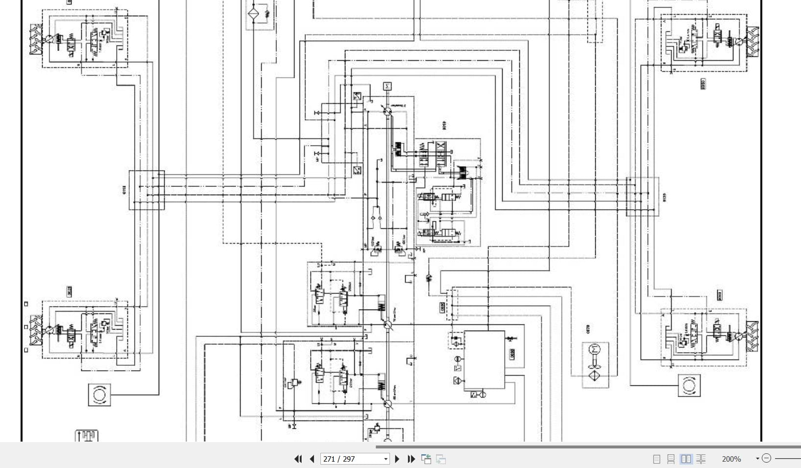
Type of Manual: Operating Manual, Hydraulic Diagram
Model: Amazone Pantera 4502 Sprayer
Publication Date: 2018
Parts Number: MG5624
Number Of Pages: 297 Pages
10 USD
- Description
Description
Contents:
1 User Information
2 General Safety Instructions
3 Loading
4 Product description
5 Structure and function, carrier vehicle
6 Construction and function of the field sprayer
7 AMADRIVE control terminal
8 Filling terminal
9 Start-up
10 Driving on public roads
11 Driving with the Pantera
12 Using the field sprayer
13 Faults
14 Cleaning, maintenance and repair
15 Diagrams and overviews
16 Spray table
Related Products
-
Amazone ZG-TX 6800 Special 9000 Special 9000 Super 11200 Super Operating Manual MG7645-US-EN-II
0 out of 510 USDSize: 5.55 MBFormat: PDFLanguage: EnglishBrand: AmazoneType of Machine: Trailed spreaderType of Manual: Operating ManualModel: Amazone Trailed spreaderZG-TX 6800 special ; ZG-TX 9000 specialZG-TX 9000 super ; ZG-TX 11200 superPublication Date: MG7645-US-EN-IIParts Number: MG7645-US-EN-IINumber Of Pages: 144 PagesREALEASE :
-
Amazone reversible Plough Tyrok 400 OL V Operating Manual MG7696-EN-II
0 out of 510 USDSize: 7.92 MBFormat: PDFLanguage: EnglishBrand: AmazoneType of Machine: Trailed reversible ploughType of Manual: Operating ManualModel: Amazone Tyrok 400 OL ; Tyrok 400 OL VPublication Date: 2024Parts Number: MG7696-EN-IINumber Of Pages: 118 PagesREALEASE :
-
Deutz Engine TCD 4.1 L4 TCD 6.1 L6 Operating Manual MG5703
0 out of 510 USDSize: 301 MBFormat: PDFLanguage: EnglishBrand: DeutzType of Manual: Operating ManualModel: Deutz TCD 4.1 L4, TCD 6.1 L6 StandardPublication Date: 2016Parts Number: MG5703Number Of Pages: 50 PagesREALEASE :
-
Deutz Engine TCD4.1L4 TCD6.1L6 TTCD6.1L6 Operating Manual MG5728
0 out of 510 USDSize: 2.24 MBFormat: PDFLanguage: EnglishBrand: DeutzType of Manual: Operating ManualModel: Deutz TCD 4.1 L4, TCD 6.1 L6, TTCD 6.1 L6 EnginePublication Date: 2018Parts Number: MG5728Number Of Pages: 46 PagesREALEASE :
-
Amazone ZA-M 1001 Special ZA-M 1201 ZA-M 1501 Series Operating Manual MG3307
0 out of 510 USDSize: 9.05 MBFormat: PDFLanguage: EnglishBrand: AmazoneType of Machine: Fertiliser spreaderType of Manual: Operating ManualModel: AmazoneZA-M 1001 SpecialZA-M 1501 SpecialZA-M 1201ZA-M 1501Publication Date: 2021Parts Number: MG3307Number Of Pages: 134 PagesREALEASE :
-
Amazone UniTrail UX Supplement operating manual MG4039
0 out of 510 USDSize: MBFormat: PDFLanguage: English, German, French, Dutch, Swedish, Danish, Polish, Zech RepublicBrand: AmazoneType of Machine: UniTrailType of Manual: Supplement operating manual, Hydraulic DiagramModel: Amazone UX UniTrailPublication Date: 2014Parts Number: MG4039Number Of Pages: 86 PagesREALEASE :
-
Amazone reversible plough Tyrok 400 400V Operating Manual MG7196-EN-II
0 out of 510 USDSize: 7.79 MBFormat: PDFLanguage: EnglishBrand: AmazoneType of Machine: Trailed reversible ploughType of Manual: Operating ManualModel: Amazone Tyrok 400 ; Tyrok 400V Trailed reversible ploughPublication Date: 2024Parts Number: MG7196-EN-IINumber Of Pages: 116 PagesREALEASE :
-
Deutz Engine TCD4.1L4 TCD6.1L6 TTCD6.1L6 Operating Manual MG6238
0 out of 510 USDSize: 2.08 MBFormat: PDFLanguage: EnglishBrand: DeutzType of Manual: Operating ManualModel: Deutz TCD 4.1 L4, TCD 6.1 L6, TTCD 6.1 L6 EnginePublication Date: 2018Parts Number: MG6238Number Of Pages: 48 PagesREALEASE :









