✓
Expert Support
✓
Full Speed
✓
100% Working
Atlas Copco Boomer S1D Hydraulic Electrical Schematic 8999045900 EN
Size: 12.01 MB
Format: PDF
Language: English
Brand: Atlas Copco
Type of Machine: Boomer
Type of Manual: Electrical Schematic, Hydraulic Schematic
Model: Atlas Copco S1D Boomer
Part Number: 8999045900
Number of Pages: 101 Pages
20 USD
- Description
Description
Contents:
Air Diagram
Flow Diagram, Gar30 Compressor
Air/Water System
Man.Grease Equipment
Electric Diagram
Emergency Set A41
Water Mist, Threading, Stinger
Pcs Panel
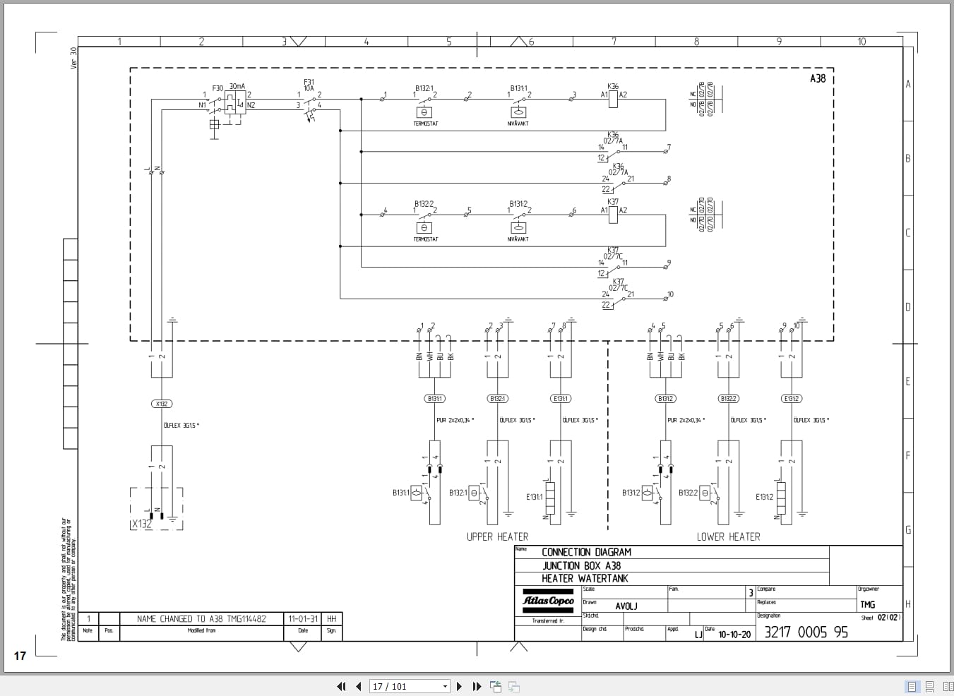
Heater Watertank
Heater Hydraulic Oil
24vdc
Emergency Stop A48
Carrier
Emergency Stop A48
Spotlight Remote Contr
Dcs75*1 Iec 400-690y/D
Dcs75*1 Iec 400-690y/D/Ext.
Dcs75*1 Iec 400-690y/D/Int.A10
Fire Protection Diagram
Fire Suppression
Hydraulic Diagram
Hydraulic Oil Filling
Rear Module
Middle Module
Power Module
Cabin Module
Front Module
Boom Module
Overview: Dimension Drawing
Bmht 2×37/25l
Dim. Drawing
Dim. Drawing
Strop Instr.
Risk Area , Work
Risk Area , Transport












