-40%
✓
Expert Support
✓
Full Speed
✓
100% Working
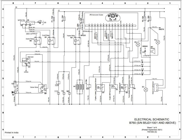
Bobcat Backhoe Loader B760 Electrical and Hydraulic Schematic
Bobcat Backhoe Loader B760 Electrical and Hydraulic Schematic
Size: 1.29 MB
Format: PDF
Language: English
Brand: Bobcat
Type of Machine: Backhoe Loader
Type of Manual: Electrical and Hydraulic Schematic
Model: Bobcat B760 Backhoe Loader
30 USD
- Description
Description
Bobcat Backhoe Loader B760 Electrical and Hydraulic Schematic
Size: 1.29 MB
Format: PDF
Language: English
Brand: Bobcat
Type of Machine: Backhoe Loader
Type of Manual: Electrical and Hydraulic Schematic
Model: Bobcat B760 Backhoe Loader
List Of Files:
B760_INDIA_ELEC_7451063 (6 Pages)
B760_INDIA_HYD_7453306 (2 Pages)









