-33%
✓
Expert Support
✓
Full Speed
✓
100% Working
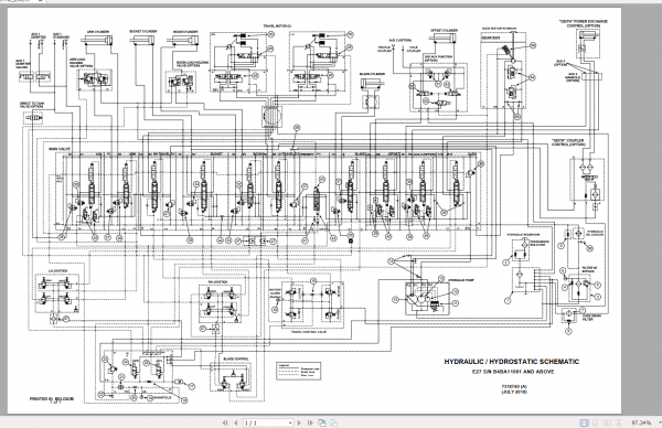
Bobcat Compact Excavator E27 Electrical & Hydraulic Diagram
Bobcat Compact Excavator E27 Electrical & Hydraulic Diagram
Size: 3.21 MB
Format: PDF
Language: English
Brand: Bobcat
Type of Machine: Compact Excavator
Type of document: Electrical & Hydraulic Diagram
Original price was: 30.20Current price is: 20. USD
- Description
Description
Bobcat Compact Excavator E27 Electrical & Hydraulic Diagram
Size: 3.21 MB
Format: PDF
Language: English
Brand: Bobcat
Type of Machine: Compact Excavator
Type of document: Electrical & Hydraulic Diagram












