-50%
✓
Expert Support
✓
Full Speed
✓
100% Working
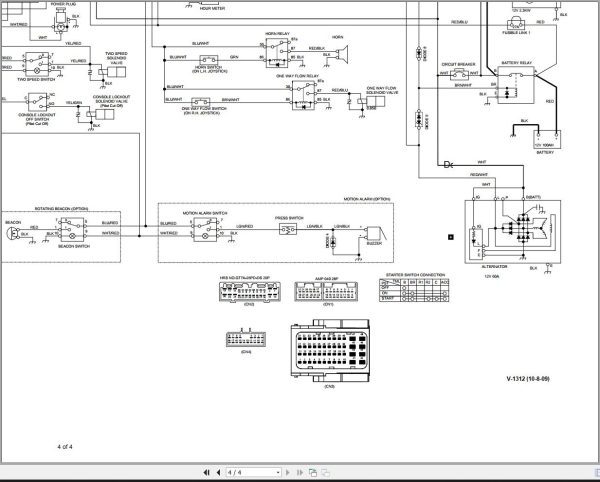
Bobcat Compact Excavator E60 Electric, Hydraulic Circuit Diagram
Bobcat Compact Excavator E60 Electric, Hydraulic Circuit Diagram
Size: 4.97 MB
Format: PDF
Language: English
Brand: Bobcat
Type of Machine: Compact Excavator
Type of Manual: Electric, Hydraulic Circuit Diagram
Model: Bobcat E60 Compact Excavator
10 USD
- Description
Description
Bobcat Compact Excavator E60 Electric, Hydraulic Circuit Diagram
Bobcat Compact Excavator E60 Electric, Hydraulic Circuit Diagram
Size: 4.97 MB
Format: PDF
Language: English
Brand: Bobcat
Type of Machine: Compact Excavator
Type of Manual: Electric, Hydraulic Circuit Diagram
Model: Bobcat E60 Compact Excavator
List Of Files:
Bobcat E60 Electric Schematic 6987190
Bobcat Hydraulic Schematic 6987190
Bobcat E60 Electric Schematic 7407587
Bobcat E60 Hydraulic Schematic 7407587












