-50%
✓
Expert Support
✓
Full Speed
✓
100% Working
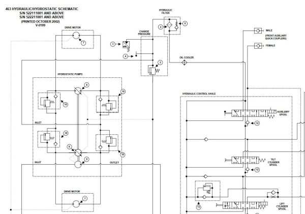
Bobcat Loader 463 Hydraulic Schematic
Bobcat Loader 463 Hydraulic Schematic
Size: 366 KB
Format: PDF
Language: English
Brand: Bobcat
Type of Machine: Loader
Type of Manual: Hydraulic Schematic
Model: Bobcat 463 Loader
List Of Files:
463_HYD_STD_V-0638 (2 Pages)
463AF_HYD_STD_V-0199 (2 Pages)
463F_HYD_STD_V-0050 (2 Pages)
Original price was: 20.10Current price is: 10. USD
- Description
Description
Bobcat Loader 463 Hydraulic Schematic
Size: 366 KB
Format: PDF
Language: English
Brand: Bobcat
Type of Machine: Loader
Type of Manual: Hydraulic Schematic
Model: Bobcat 463 Loader
List Of Files:
463_HYD_STD_V-0638 (2 Pages)
463AF_HYD_STD_V-0199 (2 Pages)
463F_HYD_STD_V-0050 (2 Pages)









