-33%
✓
Expert Support
✓
Full Speed
✓
100% Working
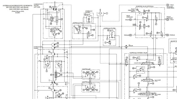
Bobcat Loader 963 Electrical and Hydraulic Schematic
Bobcat Loader 963 Electrical and Hydraulic Schematic
Size: 1.29 MB
Format: PDF
Language: English
Brand: Bobcat
Type of Machine: Loader
Type of Manual: Electrical and Hydraulic Schematic
Model: Bobcat 963 Loader
Original price was: 30.20Current price is: 20. USD
- Description
Description
Bobcat Loader 963 Electrical and Hydraulic Schematic
Size: 1.29 MB
Format: PDF
Language: English
Brand: Bobcat
Type of Machine: Loader
Type of Manual: Electrical and Hydraulic Schematic
Model: Bobcat 963 Loader
List Of Files:
963F_HYD_STD_MC-2364
963F_HYD_STD_MC-2405
963_ELEC_MF_AHC_V-0014
963_ELEC_MF_AHC_V-0085
963_ELEC_MF_V-0090
963_ELEC_OP_V-0017
963_ELEC_OP_V-0080
963_ELEC_OP_V-0081
963_ELEC_OP_V-0082
963_ELEC_OP_V-0083
963_ELEC_WS_V-0013
963_ELEC_WS_V-0084
963_HYD_STD_MC-2656









