-33%
✓
Expert Support
✓
Full Speed
✓
100% Working
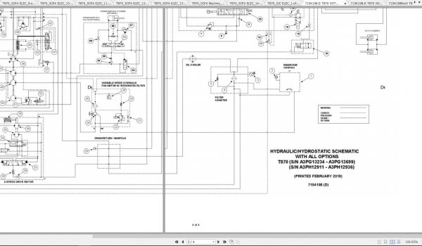
Bobcat Loader T870 Hydraulic & Electrical Schematic
Bobcat Loader T870 Hydraulic & Electrical Schematic
Size : 189 MB
Format : PDF
Language : English
Brand: Bobcat
Type of machine: Loader
Type of document: Hydraulic & Electrical Schematic
Model: Bobcat T870 Loader
Original price was: 30.20Current price is: 20. USD
- Description
Description
Bobcat Loader T870 Hydraulic & Electrical Schematic
Size : 189 MB
Format : PDF
Language : English
Brand: Bobcat
Type of machine: Loader
Type of document: Hydraulic & Electrical Schematic
Model: Bobcat T870 Loader












