-50%
✓
Expert Support
✓
Full Speed
✓
100% Working
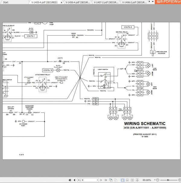
Bobcat Utility Vehicle 3450 Hydraulic & Electrical Schematic
Bobcat Utility Vehicle 3450 Hydraulic & Electrical Schematic
Size : 422 KB
Format : PDF
Language : English
Brand: Bobcat
Type of machine: Utility Vehicle
Type of document: Hydraulic & Electrical Schematic
Model: Bobcat 3450 Utility Vehicle
Date: 08/2010
Serial Number: AJNY11001 & Above
Contents:
/6986910
/Electrical Schematic
V-1405-4 (AJNY20001 & Above) (08/2011)
V-1407-2
V-1450-4
/Hydraulic Schematic
V-1406-2
Original price was: 20.10Current price is: 10. USD
- Description
Description
Bobcat Utility Vehicle 3450 Hydraulic & Electrical Schematic
Size : 422 KB
Format : PDF
Language : English
Brand: Bobcat
Type of machine: Utility Vehicle
Type of document: Hydraulic & Electrical Schematic
Model: Bobcat 3450 Utility Vehicle
Date: 08/2010
Serial Number: AJNY11001 & Above
Contents:
/6986910
/Electrical Schematic
V-1405-4 (AJNY20001 & Above) (08/2011)
V-1407-2
V-1450-4
/Hydraulic Schematic
V-1406-2












