-33%
✓
                Expert Support
✓
                Full Speed
✓
                100% Working
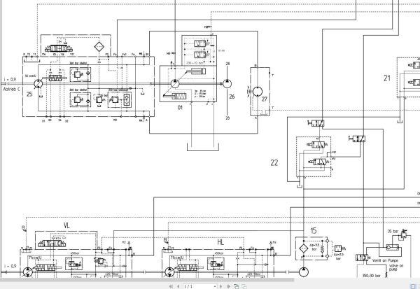
Bomag BC 573 RB-4 Drawing-No.A57190826_00_001 Hydraulic Schematic 2014 EN DE
This is PDF file,check detail below, you will get it after pay. Any problem you can contact admin for more information.
20 USD
- Description
 
Description
Bomag BC 573 RB-4 Drawing-No.A57190826_00_001 Hydraulic Schematic 2014 EN DE
Size: 293 KB
Format: PDF
Interface: English, German
Brand: Bomag
Type of Manual: Hydraulic Schematic
Machine: Bomag BC 573 RB-4 Machinery
Publicaton: 2014
Drawing-No.A57190826_00_001
Number Of Page: 1 Page

							











