Expert Support
Full Speed
100% Working
Bomag BC 672-4, BC 1172-4 Tier 4f Function.274 Schematic 2014 EN DE
30 USD
- Description
Description
Bomag BC 672-4, BC 1172-4 Tier 4f Function.274 Schematic 2014 EN DE
Size: 6.12 MB
Format: PDF
Interface: English, German
Brand: Bomag
Type of Manual: Diagram
Machine: Bomag BC 672-4, BC 1172-4 Tier 4f Machinery
Publicaton: 2014
Function.274
Number Of Page: 56 Pages
Index:
Cover sheet
Table of Contents
Structure identifier overview
CAN-Bus Overview
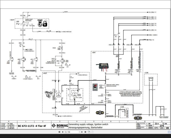
Generating supply voltage, Ignition switch
Fuses machine
Supply controller
Fuses cabin
Motor control module (MCM2)
Aftertreatment control module (ACM)
Common powertrain controller (CPCL
Common powertrain controller (CPC4)
Reversible fan, WIF-sensor fuel filter, Heating dryer SCR
Communication CAN1 / CAN2
Indicators BAUSER 1
Indicators BAUSER 2
Accelerator pedal, brake, override system
Selection of travel direction and speed ranges
Wheel motors
Central lubrication system and tachograph
Steering
Blade and Shovel funktions
Air conditioning unit
Sockets, warning horn, windscreen wipers and washers
Camera, radio, mirror and rear window heating, rotary beacon
Independent vehicle heater and fresh air blower
Drivers seat
BOMAG Telematics
Working lights
Device tag list
Terminal strip overview Xl
Plug overview
Pin overview A66
Pin overview A70
Overview Central Electric
View Terminal strip Xl above
View Terminal strip Xl below













