Expert Support
Full Speed
100% Working
Bomag BM1x00-35 Hydraulic Schematic Function 705 2020 EN DE
Original price was: 30.20Current price is: 20. USD
- Description
Description
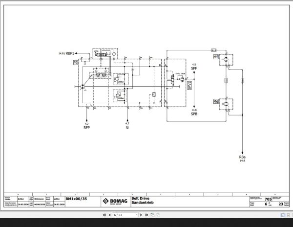
Bomag BM1x00-35 Hydraulic Schematic Function 705 2020 EN DE
Bomag BM1x00-35 Hydraulic Schematic Function 705 2020 EN DE
Size: 884 KB
Format: PDF
Language: English, German
Brand: Bomag
Type of Machine: Machinery
Type of Manual: Hydraulic Schematic
Model: Bomag BM1x00-35 Machinery
Date: 2020
Function 705
Number Of Pages: 23 Pages
Contents:
Title page
Table of Contents : 1 – 23
Overview
Advance drive
Brake
Belt Drive
Control Block 1
Control Block 2
Control Block 3
Control Block 4
Water installation
Options 1
Options 2
Heat exchanger_tank
Gearbox
Device tag list: 1 – BL8
Device tag list: BL9 – KHi
Device tag list: KH2 – P3
Device tag list: P4 – SPV2
Device tag list: ST1 – ST19
Device tag list: ST25 – Z5
Device tag list : Z7 – Z27
Device tag list : Z28 – Z28













