Expert Support
Full Speed
100% Working
Bomag BM1x00-35 Tier 4Final-Tier 3LC Hydraulic Schematic Function 310 2015 EN DE
Original price was: 20.10Current price is: 10. USD
- Description
Description
Bomag BM1x00-35 Tier 4Final-Tier 3LC Hydraulic Schematic Function 310 2015 EN DE
Bomag BM1x00-35 Tier 4Final-Tier 3LC Hydraulic Schematic Function 310 2015 EN DE
Size: 1.07 MB
Format: PDF
Language: English, German
Brand: Bomag
Type of Machine: Machinery
Type of Manual: Hydraulic Schematic
Model: Bomag BM1x00-35 Tier 4Final-Tier 3LC Machinery
Date: 2015
Function 310
Number Of Pages: 22 Pages
Contents:
Cover sheet
Table of Contents:1 -15.f
Overview
Advance drive
Cooling traction motors brake
Belt drive
Control block 1
Control block 2
Control block 3
Control block 4
water system
Options 1
Options 2
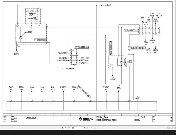
Heat exchanger_tank
Gearbox
Device tag list: – C2
Device tag list: C3 – M3 05802659
Device tag list: M4 05802659 – P7 05802663
Device tag list: P8 05901022 – ST9 05887871
Device tag list: ST1O 05887872 – SV5
Device tag list: SV6 88313512 – Z17
Device tag list: Z18 – Z30













