Expert Support
Full Speed
100% Working
Bomag Combination Rollers BW 144 AC-2 Electric Hydraulic Schematics
20 USD
- Description
Description
List of Files:
Bomag Combination Rollers BW 144 AC-2 101810281023 – 101810289999 (00817476) Electric Hydraulic Schematics
000000000084130121_00_000.pdf
Deutsch
001-Stromlaufplan
002-Versorgung, Starten, Kabine, Steckdose
003-Bremse, Überwachung, Anzeigen, Signalhorn
004-Vibration, Temperatur Asphalt
005-Berieselung, Hundegang, Kantenschneidgerät
006-Omegameter, Speed Control
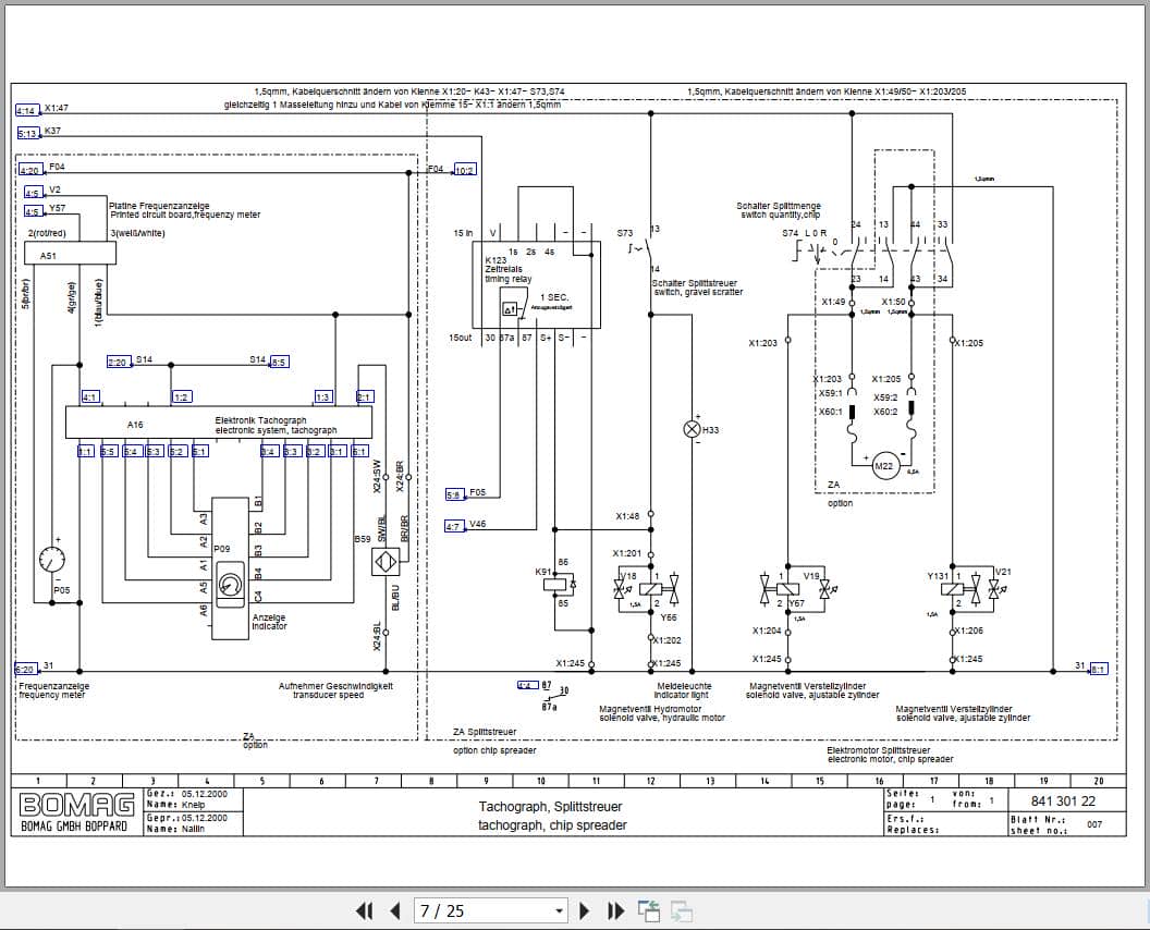
007-Tachograph, Splittstreuer
008-Blinkbegrenzung, Arbeitsbeleuchtung (Stvzo)
009-Variomatic, Bandage Ungeteilt, Bw141-151-2
010-Variomatic, Bandage Geteilt, Bw144-Bw154-2, Bvm
011-Elektrokasten
012-Elektrokasten
013-Elektrokasten
014-Elektrokasten
101-Bauteilliste
English
001-Circuit Diagram
002-Supply, Starting Unit, Cabin, Socket, Engine Hour Meter
003-Brake, Monitoring, Indicators, Warning Horn, Warning Equipment
004-Vibration, Temperature Asphalt
005-Sprinkler System, Crab Walk, Edge Cutter
006-Omega Meter, Speed Control
007-Tachograph, Chip Spreader
008-Flash And Position Illumination, Working Light (Stvzo)
009-Variomatic, Roller Drum, United, Bw141-151-2
010-Variomatic, Roller Drum, 2 Halves, Bw144-Bw154-2, Bvm
011-Cross-Bonding Box
012-Cross-Bonding Box
013-Cross-Bonding Box
014-Cross-Bonding Box
101-Component Listing
000000000084130122_00_000.pdf
Deutsch
001-Stromlaufplan
002-Versorgung, Starten, Kabine, Steckdose, Betriebsstundenz.
003-Bremse, Überwachung, Anzeigen, Signalhorn, Rückfahrwarn.
004-Vibration, Temperatur Asphalt
005-Berieselung, Hundegang, Kantenschneidgerät
006-Omegameter, Speed Control
007-Tachograph, Splittstreuer
008-Blinkbegrenzung, Bremsleuchten, Arbeitsbeleuchtung (Stvzo)
009-Variomatic, Bandage Ungeteilt, Bw141-151-2
010-Variomatic, Bandage Geteilt, Bw144-Bw154-2, Bvm
011-Xenon-Arbeitsscheinwerfer
012-Elektrokasten
013-Elektrokasten
014-Elektrokasten
015-Elektrokasten
101-Bauteilliste
English
001-Circuit Diagram
002-Supply, Starting Unit, Cabin, Socket, Engine Hour Meter
003-Brake, Monitoring, Indicators, Warning Horn, Warning Equipment
004-Vibration, Temperature Asphalt
005-Sprinkler System, Crab Walk, Edge Cutter
006-Omega Meter, Speed Control
007-Tachograph, Chip Spreader
008-Flash And Position Illumination, Brake Light, Working Light (Stvzo)
009-Variomatic, Roller Drum, United, Bw141-151-2
010-Variomatic, Roller Drum, 2 Halves, Bw144-Bw154-2, Bvm
011-Xenon Worklamp
012-Cross-Bonding Box
013-Cross-Bonding Box
014-Cross-Bonding Box
015-Cross-Bonding Box
101-Component Listing
000000000084470304_00_001.pdf
000000000084470304_00_002.pdf











