Expert Support
Full Speed
100% Working
Bomag Combination Rollers BW 151 AC-50 Electric Hydraulic Schematics
20 USD
- Description
Description
List of Files:
Bomag Combination Rollers BW 151 AC-50 101921071001 – 101921079999 (00824503) Electric Hydraulic Schematics
000000000000000282_00_000.pdf
Doc1 Leading Documentation
Cover Sheet
Table Of Contents
Overview Can Communication
Efs Circuit Diagram
Power Supply
Power Supply (Pot.30)
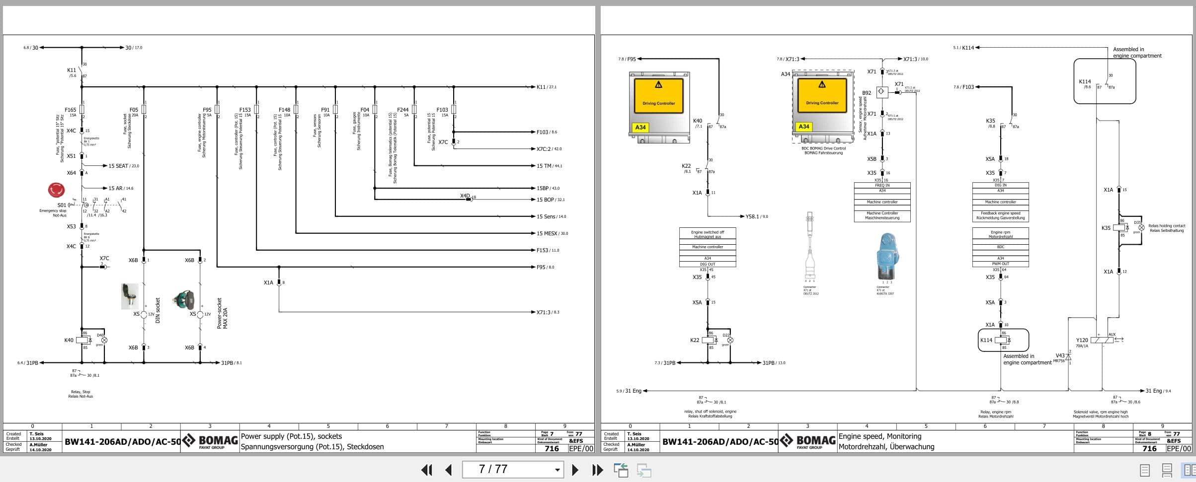
Power Supply (Pot.15), Sockets
Engine Speed, Monitoring
Engine Kubota Tier 2
Engine Deutz Tier 2
Drive Control: Supply
Drive Control: Can-Bus
Drive Control: Communication, Diagnosis, Gateway
Drive Control: Vibration
Drive Control: Sensors
Drive Control: Drive, Brake
Drive Control: Warning Buzzers, Horn
Drive Control: Crab – Walk, Option
Drive Control: Steering
Drive Control: Sprinkler System
Edge Cutter, Option
Display Unit
Travel Lever
Lighting Stvzo E1+E2 Option
Lighting Stvzo E2 Option
Seat-Heater, Heating-Cooling Unit, Option
Asph.-Temp, Option
Rops – Lighting, Option
Cabin – Supply, Option
Cabin – Fuse Protection, Option
Cabin – Operator Panel, Option
Cabin – Lighting, Option
Cabin – Cabin Equipment, Option
Cabin – Radio, Tachograph Option
Electronical Burglary Protection, Option
Bomag Telematics, Option
Doc2 Reports And Drawings
Device Tag List
Plug Overview
Pin Overview A34
Pin Overview S55
Powerboard Übersicht
Connector Overview Side View
Connector Overview Top View
000000000000000337_00_000.pdf
Doc1 Leading Documentation
Cover Sheet
Table Of Contents
Overview Can Communication
Efs Circuit Diagram
Power Supply
Power Supply (Pot.30)
Power Supply (Pot.15), Sockets
Engine Speed, Monitoring
Engine Kubota Tier 2
Engine Deutz Tier 2
Drive Control: Supply
Drive Control: Can-Bus
Drive Control: Communication, Diagnosis, Gateway
Drive Control: Vibration
Drive Control: Sensors
Drive Control: Drive, Brake
Drive Control: Warning Buzzers, Horn
Drive Control: Crab – Walk, Option
Drive Control: Steering
Drive Control: Sprinkler System
Data-Collector: Engine Sensors, Water Level
Power Module: Supply
Power Module: Edge-Cutter
Display Unit
Travel Lever
Lighting Stvzo E1+E2 Option
Lighting Stvzo E2 Option
Seat-Heater, Heating-Cooling Unit, Option
Asph.-Temp, Option
Economizer, Option
Rops – Lighting, Option
Cabin – Supply, Option
Cabin – Fuse Protection, Option
Cabin – Operator Panel, Option
Cabin – Lighting, Option
Cabin – Cabin Equipment, Option
Cabin – Radio, Tachograph Option
Bomag Bcm + Gps, Option Vm31
Electronical Burglary Protection, Option
Bomag Telematics, Option
Doc2 Reports And Drawings
Device Tag List
Plug Overview
Pin Overview A15
Pin Overview A34
Pin Overview A70
Pin Overview A80
Pin Overview A83
Pin Overview S55
Powerboard Übersicht
Connector Overview Side View
Connector Overview Top View
000000000000000486_00_000.pdf
Doc1 Leading Documentation
Cover Sheet
Table Of Contents
Overview Can Communication
Efs Circuit Diagram
Power Supply
Power Supply (Pot.30)
Power Supply (Pot.15), Sockets
Engine Speed, Monitoring
Engine Kubota Tier 2
Engine Deutz Tier 2
Drive Control: Supply
Drive Control: Can-Bus
Drive Control: Communication, Diagnosis, Gateway
Drive Control: Vibration
Drive Control: Sensors
Drive Control: Drive, Brake
Drive Control: Warning Buzzers, Horn
Drive Control: Crab – Walk, Option
Drive Control: Steering
Drive Control: Sprinkler System
Data-Collector: Engine Sensors, Water Level
Power Module: Supply
Power Module: Edge-Cutter
Display Unit
Travel Lever
Lighting Stvzo E1+E2 Option
Lighting Stvzo E2 Option
Seat-Heater, Heating-Cooling Unit, Option
Asph.-Temp, Option
Economizer, Option
Rops – Lighting, Option
Cabin – Supply, Option
Cabin – Fuse Protection, Option
Cabin – Operator Panel, Option
Cabin – Lighting, Option
Cabin – Cabin Equipment, Option
Cabin – Radio, Tachograph Option
Bomag Bcm + Gps, Option Vm31
Electronical Burglary Protection, Option
Bomag Telematics, Option
Doc2 Reports And Drawings
Device Tag List
Pin Overview A15
Pin Overview A34
Pin Overview A70
Pin Overview A80
Pin Overview A83
Pin Overview S55
Plug Overview
Powerboard Übersicht
Connector Overview Side View
Connector Overview Top View
000000000000000546_00_000.pdf
Doc1 Leading Documentation
Cover Sheet
Table Of Contents
Overview Can Communication
Efs Circuit Diagram
Power Supply
Power Supply (Pot.30)
Power Supply (Pot.15), Sockets
Engine Speed, Monitoring
Engine Kubota Tier 3A
Engine Deutz Tier 2
Drive Control: Supply
Drive Control: Can-Bus
Drive Control: Communication, Diagnosis, Gateway
Drive Control: Vibration
Drive Control: Sensors
Drive Control: Drive, Brake
Drive Control: Warning Buzzers, Horn
Drive Control: Crab – Walk, Option
Drive Control: Steering
Drive Control: Sprinkler System
Data-Collector: Engine Sensors, Water Level
Power Module: Supply
Power Module: Edge-Cutter
Display Unit
Travel Lever
Lighting Stvzo E1+E2 Option
Lighting Stvzo E2 Option
Seat-Heater, Heating-Cooling Unit, Option
Asphaltmanger, Supply
Asphaltmanager
Asphaltmanger, Bop, Asph.-Temp
Rops – Lighting, Option
Cabin – Supply, Option
Cabin – Fuse Protection, Option
Cabin – Operator Panel, Option
Cabin – Lighting, Option
Cabin – Cabin Equipment, Option
Cabin – Radio, Tachograph Option
Bomag Bcm + Gps, Option Vm31
Interface Measurement
Electronical Burglary Protection, Option
Bomag Telematics, Option
Doc2 Reports And Drawings
Device Tag List
Pin Overview A15
Pin Overview A34
Pin Overview A70
Pin Overview A80
Pin Overview A83
Pin Overview A161
Pin Overview A162
Pin Overview S55
Plug Overview
Powerboard Layout
Connector Overview Side View
Connector Overview Top View
000000000000000716_00_000.pdf
Doc1 Leading Documentation
Cover Sheet
Table Of Contents
Overview Can Communication
Efs Circuit Diagram
Power Supply
Power Supply (Pot.30)
Power Supply (Pot.15), Sockets
Engine Speed, Monitoring
Engine Kubota Tier 3A
Engine Deutz Tier 2
Drive Control: Supply
Drive Control: Can-Bus
Drive Control: Communication, Diagnosis, Gateway
Drive Control: Vibration
Drive Control: Sensors
Drive Control: Drive, Brake
Drive Control: Warning Buzzers, Horn
Drive Control: Crab – Walk, Option
Drive Control: Steering
Drive Control: Sprinkler System
Data-Collector: Engine Sensors, Water Level
Power Module: Supply
Power Module: Edge-Cutter
Display Unit
Travel Lever
Lighting Stvzo E1+E2 Option
Lighting Stvzo E2 Option
Seat-Heater, Heating-Cooling Unit, Option
Asphaltmanger, Supply
Asphaltmanager
Asphaltmanger, Bop, Asph.-Temp
Rops – Lighting, Option
Cabin – Supply, Option
Cabin – Fuse Protection, Option
Cabin – Operator Panel, Option
Cabin – Lighting, Option
Cabin – Cabin Equipment, Option
Cabin – Radio, Tachograph Option
Bomag Bcm + Gps, Option Vm31
Interface Measurement
Electronical Burglary Protection, Option
Bomag Telematics, Option
E92 – Green Light Seat Belt
Doc2 Reports And Drawings
Device Tag List
Pin Overview A15
Pin Overview A34
Pin Overview A70
Pin Overview A80
Pin Overview A83
Pin Overview A161
Pin Overview A162
Pin Overview S55
Plug Overview
Powerboard Layout
Connector Overview Side View
Connector Overview Top View
000000000092112575_01_000.pdf
000000000092112575_02_000.pdf
000000000092112575_03_000.pdf











