Expert Support
Full Speed
100% Working
Bomag Combination Rollers BW 154 ACP-5 Electric Hydraulic Schematics
20 USD
- Description
Description
List of Files:
Bomag Combination Rollers BW 154 ACP-5 101871131001 – 101871139999 (00826317) Electric Hydraulic Schematics
000000000000000907_00_000.pdf
Aaa Title Page – Cover Sheet
Cover Sheet
Aab Table Of Contents
Table Of Contents
Apd Machine Index
Machine Index
Abc Notes
Revisions
Notes
Adb Structure Identifier Overview
Structure Identifier Overview
Alu Layout Mounting Locations
Layout Mounting Locations
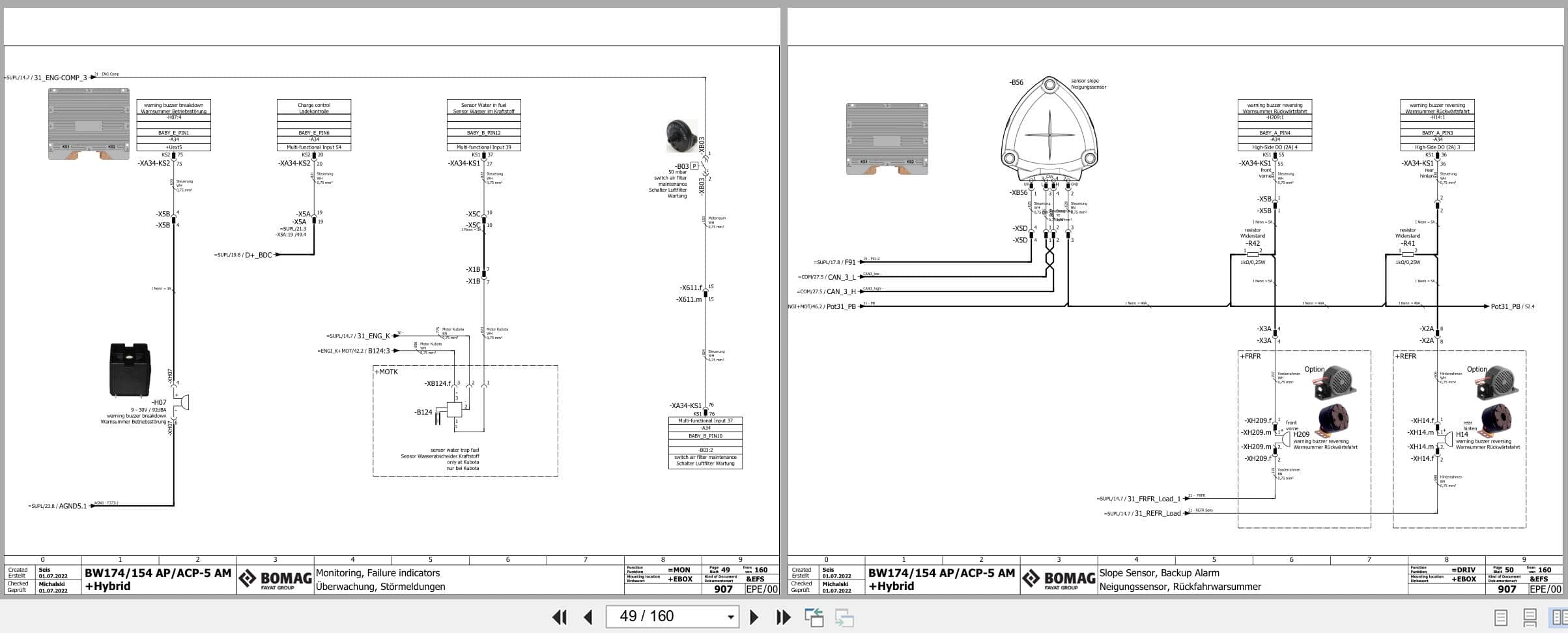
Efs Circuit Diagram
Supl Supply
Com Communication
Engi_D
Engi_K
Engi Engine
Mon Monitoring, Failure Indicators
Driv Drive Functions
Ster Steering Functions
Vib Vibration And Compaction
Work Working Functions
Wspr Water Spraying
Ilum Lighting
Comf Comfort Functions
Opt Optional Functions
Epb Device Tag List Electrical Engineering
Device Tag List
Ema3 Plug Overview
Plug Overview
Efa1 Pin Overview Ecu
Pin Overview A34
Pin Overview A81
Pin Overview A167
Pin Overview A168
Pin Overview A174
Pin Overview A233
Pin Overview P42
Pin Overview S55
Powerboard Layout
000000000000000954_00_000.pdf
Title Page – Cover Sheet
Table Of Contents : 1 – 22
Layout
Drive Circuit Ap
Drive Circuit Apo
Drive Circuit Acp
Steering
Vibration Circuit Ap
Vibration Circuit Apo
Vibration Circuit Acp
Cross Flushing Ap
Cross Flushing Apo
Cross Flushing Acp
Tank And Fan Drive
Option : Edge Cutter
Option : Chip Spreader
Option : Bypass Filtration – Option : Movable Chip Spreader
Device Tag List : A1 – A18
Device Tag List : A19 – B11
Device Tag List : B12 – P1.1
Device Tag List : P1.2 – V14
Device Tag List : Z1 – Z3











