Expert Support
Full Speed
100% Working
Bomag Single Drum Vibratory Rollers BW 211 D-4 Electrical Hydraulic Schematic
20 USD
- Description
Description
List of Files:
Bomag Single Drum Vibratory Rollers BW 211 D-4 Electrical Hydraulic Schematic
BW 211 D-4 101583091001 – 101583091666 (00818127)
000000000000000009_00_000.pdf
Doc1
Cover Sheet
Table Of Contents
Efs
Supply, Starting Unit
Pre-Heating, Fuel-Pre-Heating
Fuse Protection Potential 30
Fuse Protection Potential 15
Engine Speed, Brake, Back-Up Alarm
Seat Contact, Vibration
Speed Range Selection, Warning Horns
Monitoring, Failure Indicators
Indicators, Speedsensor
Supply Measurement Controller
Option Measurement Equipment
Bomag Compaction Management Bcm, Gps
Option Stvzo Illumination
Rops – Lighting, Socket
Cabin – Supply, Fuse Protection
Cabin – Lighting, Socket
Cabin – Cabin Equipment, Radio, Tachograph
Cabin – Heating, Air Conditioning, Additional Heater
Electronical Burglary Protection
Bomag Telematics
Doc2
Device Tag List
Terminal Strip Overview X1
Terminal Strip Overview X2
Plug Overview
Pin Overview A15
Pin Overview A83
Overview Central Electric
View Terminal Strip X1 Below
View Terminal Strip X1 Above
View Terminal Strip X1 Stvzo
View Terminal Strip X2
Overview Plug Location
000000000000000062_00_000.pdf
Doc1
Cover Sheet
Table Of Contents
Efs
Supply, Starting Unit
Pre-Heating, Fuel-Pre-Heating
Fuse Protection Potential 30
Fuse Protection Potential 15
Engine Speed, Brake, Back-Up Alarm
Seat Contact, Vibration
Speed Range Selection, Warning Horns
Monitoring, Failure Indicators
Indicators, Speedsensor
Supply Measurement Controller
Option Measurement Equipment
Bomag Compaction Management Bcm, Gps
Option Stvzo Illumination
Rops – Lighting, Socket
Cabin – Supply, Fuse Protection
Cabin – Lighting, Socket
Cabin – Cabin Equipment, Radio, Tachograph
Cabin – Heating, Air Conditioning, Additional Heater
Electronical Burglary Protection
Bomag Telematics
Doc2
Device Tag List
Terminal Strip Overview X1
Terminal Strip Overview X2
Plug Overview
Pin Overview A15
Pin Overview A83
Overview Central Electric
View Terminal Strip X1 Below
View Terminal Strip X1 Above
View Terminal Strip X1 Stvzo
View Terminal Strip X2
Overview Plug Location
000000000058120203_02_000.pdf
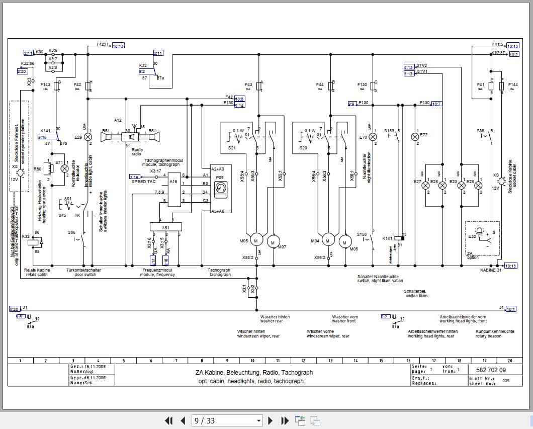
000000000058270209_00_000.pdf
Deutsch
001-Stromlaufplan
002-Versorgung, Starten, Motordrehzahl
003-Motor-Heizflansch, Signalhorn, Geschwindigkeit-Anz.
004-Bremse, Rückfahrwarneinr., Anzeige
005-Fahrstufen, Sitzkontaktsch., Vibration
006-Za Messtechnik
007-Bomag Compaction Management Bcm
008-Za Beleuchtung Und Stvzo
009-Za Kabine, Beleuchtung, Radio, Tachograph
010-Za Kabinenheizung, Klimaanlage, Zusatzheizung
101-Bauteilliste
English
001-Circuit Diagram
002-Supply, Starting Unit, Engine-Speed
003-Engine Heating-Flange Cont., Warning Horn, Speedometer
004-Brake, Back Up Alarm, Indicator
005-Speed-Ranges, Seat-Switch, Vibr.
006-Option Measurement Equipm.
007-Bomag Compaction Management Bcm
008-Opt. Illumination And Stvzo
009-Opt. Cabin, Headlights, Radio, Tachograph
010-Opt. Cabin-Heater, Air Conditioning, Add. Heater
101-Component Listing
000000000058270229_00_000.pdf
Deutsch
001-Stromlaufplan
002-Versorgung, Starten, Motordrehzahl
003-Motor-Heizflansch, Signalhorn, Kraftstoffvorwärmung
004-Bremse, Rückfahrwarneinr., Überwachung (Iveka)
005-Überwachung (Bauser)
006-Anzeigen
007-Fahrstufen, Sitzkontaktsch., Vibration
008-Za Messtechnik
009-Bomag Compaction Management Bcm, Gps
010-Za Beleuchtung Und Stvzo
011-Za Kabine, Beleuchtung, Radio, Tachograph
012-Za Kabinenheizung, Klimaanlage, Zusatzheizung
013-Diebstahlschutzsystem D-4, D-40, Dhc-4, Dh-40
101-Bauteilliste
English
001-Circuit Diagram
002-Supply, Starting Unit, Engine-Speed
003-Engine Heating-Flange Cont., Warning Horn, Fuel Pre-Heater
004-Brake, Back Up Alarm, Monitoring (Iveka)
005-Monitoring (Bauser)
006-Indicators
007-Speed-Ranges, Seat-Switch, Vibr.
008-Option Measurement Equipm.
009-Bomag Compaction Management Bcm, Gps
010-Opt. Illumination And Stvzo
011-Opt. Cabin, Headlights, Radio, Tachograph
012-Opt. Cabin-Heater, Air Conditioning, Add. Heater
013-Anti – Theft System
101-Component Listing
000000000058270241_00_000.pdf
Deutsch
001-Stromlaufplan
002-Versorgung, Starten, Motordrehzahl
003-Motor-Heizflansch, Signalhorn, Kraftstoffvorwärmung
004-Bremse, Rückfahrwarneinr.,
005-Überwachung
006-Anzeigen
007-Fahrstufen, Sitzkontaktsch., Vibration
008-Za Messtechnik
009-Bomag Compaction Management Bcm, Gps
010-Za Beleuchtung Und Stvzo
011-Za Kabine, Beleuchtung, Radio, Tachograph
012-Za Kabinenheizung, Klimaanlage, Zusatzheizung
013-Diebstahlschutzsystem D-4, D-40, Dhc-4, Dh-40
101-Bauteilliste
English
001-Circuit Diagram
002-Supply, Starting Unit, Engine-Speed
003-Engine Heating-Flange Cont., Warning Horn, Fuel Pre-Heater
004-Brake, Back Up Alarm,
005-Monitoring
006-Indicators
007-Speed-Ranges, Seat-Switch, Vibr.
008-Option Measurement Equipm.
009-Bomag Compaction Management Bcm, Gps
010-Opt. Illumination And Stvzo
011-Opt. Cabin, Headlights, Radio, Tachograph
012-Opt. Cabin-Heater, Air Conditioning, Add. Heater
013-Anti – Theft System
101-Component Listing
58270241Alt.Pdf
Deutsch
001-Stromlaufplan
002-Versorgung, Starten, Motordrehzahl
003-Motor-Heizflansch, Signalhorn, Kraftstoffvorwärmung
004-Bremse, Rückfahrwarneinr.,
005-Überwachung
006-Anzeigen
007-Fahrstufen, Sitzkontaktsch., Vibration
008-Za Messtechnik
009-Bomag Compaction Management Bcm, Gps
010-Za Beleuchtung Und Stvzo
011-Za Kabine, Beleuchtung, Radio, Tachograph
012-Za Kabinenheizung, Klimaanlage, Zusatzheizung
013-Diebstahlschutzsystem D-4, D-40, Dhc-4, Dh-40
101-Bauteilliste
English
001-Circuit Diagram
002-Supply, Starting Unit, Engine-Speed
003-Engine Heating-Flange Cont., Warning Horn, Fuel Pre-Heater
004-Brake, Back Up Alarm,
005-Monitoring
006-Indicators
007-Speed-Ranges, Seat-Switch, Vibr.
008-Option Measurement Equipm.
009-Bomag Compaction Management Bcm, Gps
010-Opt. Illumination And Stvzo
011-Opt. Cabin, Headlights, Radio, Tachograph
012-Opt. Cabin-Heater, Air Conditioning, Add. Heater
013-Anti – Theft System
101-Component Listing
BW 211 D-4 101583091667 – 101583091827 (00824159)
000000000000000062_00_000.pdf
Doc1
Cover Sheet
Table Of Contents
Efs
Supply, Starting Unit
Pre-Heating, Fuel-Pre-Heating
Fuse Protection Potential 30
Fuse Protection Potential 15
Engine Speed, Brake, Back-Up Alarm
Seat Contact, Vibration
Speed Range Selection, Warning Horns
Monitoring, Failure Indicators
Indicators, Speedsensor
Supply Measurement Controller
Option Measurement Equipment
Bomag Compaction Management Bcm, Gps
Option Stvzo Illumination
Rops – Lighting, Socket
Cabin – Supply, Fuse Protection
Cabin – Lighting, Socket
Cabin – Cabin Equipment, Radio, Tachograph
Cabin – Heating, Air Conditioning, Additional Heater
Electronical Burglary Protection
Bomag Telematics
Doc2
Device Tag List
Terminal Strip Overview X1
Terminal Strip Overview X2
Plug Overview
Pin Overview A15
Pin Overview A83
Overview Central Electric
View Terminal Strip X1 Below
View Terminal Strip X1 Above
View Terminal Strip X1 Stvzo
View Terminal Strip X2
Overview Plug Location
000000000058120203_02_000.pdf
BW 211 D-4 101583591001 – 101583591096 (00824389)
000000000000000062_00_000.pdf
Doc1
Cover Sheet
Table Of Contents
Efs
Supply, Starting Unit
Pre-Heating, Fuel-Pre-Heating
Fuse Protection Potential 30
Fuse Protection Potential 15
Engine Speed, Brake, Back-Up Alarm
Seat Contact, Vibration
Speed Range Selection, Warning Horns
Monitoring, Failure Indicators
Indicators, Speedsensor
Supply Measurement Controller
Option Measurement Equipment
Bomag Compaction Management Bcm, Gps
Option Stvzo Illumination
Rops – Lighting, Socket
Cabin – Supply, Fuse Protection
Cabin – Lighting, Socket
Cabin – Cabin Equipment, Radio, Tachograph
Cabin – Heating, Air Conditioning, Additional Heater
Electronical Burglary Protection
Bomag Telematics
Doc2
Device Tag List
Terminal Strip Overview X1
Terminal Strip Overview X2
Plug Overview
Pin Overview A15
Pin Overview A83
Overview Central Electric
View Terminal Strip X1 Below
View Terminal Strip X1 Above
View Terminal Strip X1 Stvzo
View Terminal Strip X2
Overview Plug Location
000000000058120203_02_000.pdf











