Expert Support
Full Speed
100% Working
Bomag Single Drum Vibratory Rollers BW 332 DEEP IMPACT Electrical Hydraulic Schematic
20 USD
- Description
Description
List of Files:
Bomag Single Drum Vibratory Rollers BW 332 DEEP IMPACT Electrical Hydraulic Schematic
BW 332 DEEP IMPACT 101583441002 – 101583441003 (00818725)
000000000000000012_00_000.pdf
Doc1
Cover Sheet
Table Of Contents
Efs
Supply, Starting Unit
Pre-Heating, Fuel-Pre-Heating
Fuse Protection Potential 30
Fuse Protection Potential 15
Engine – Deutz Emr 2
Engine – Deutz Emr 3 Machine-Part
Engine – Deutz Emr 3 Motor-Part
Supply Driving Controller
Communication, Diagnosis
Driving System, Slope Sensor, Seat Contact Switch
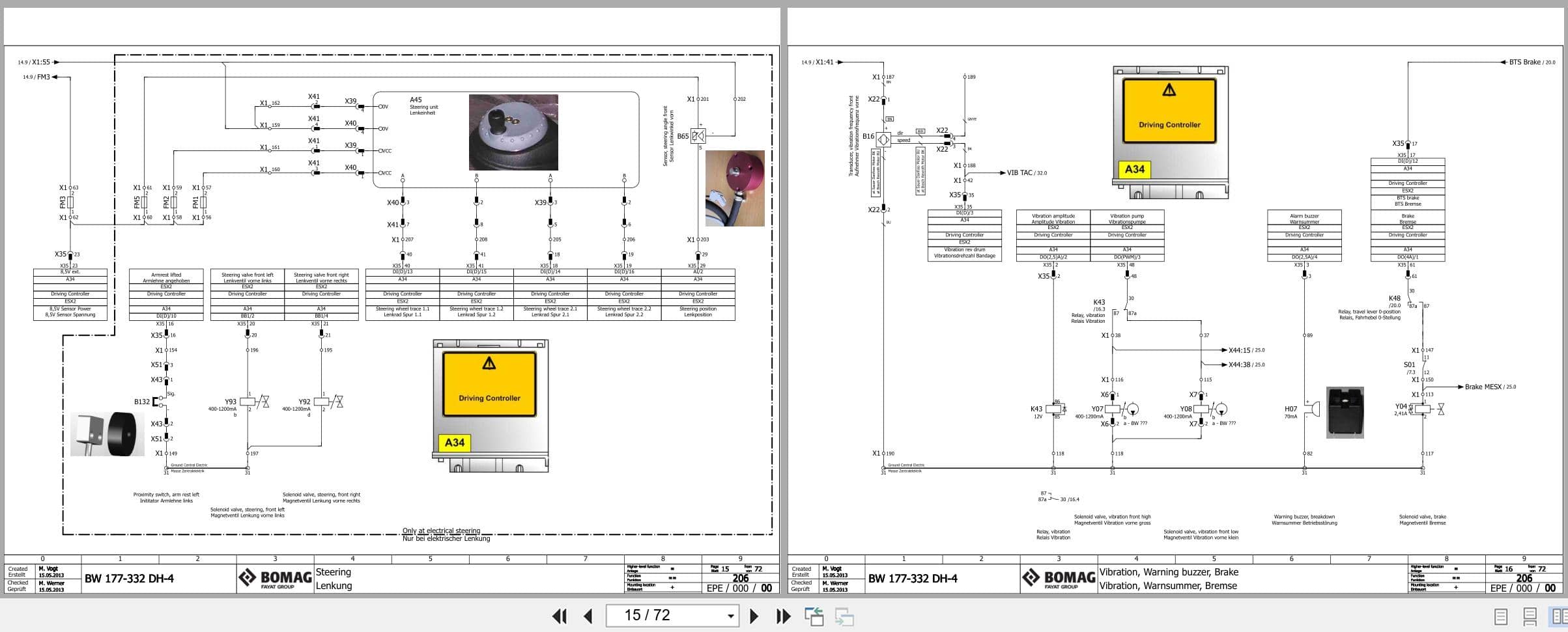
Steering
Vibration, Warning Buzzer, Brake
Warning Horns
Data Collector
Lc-Display
Travel Lever
Vibration-Plates
Supply Measurement Controller
Option Measurement Equipment
Variocontrol
Bomag Compaction Management Bcm, Gps
Option Stvzo Illumination
Rops – Lighting, Socket
Cabin – Supply, Fuse Protection
Cabin – Lighting, Socket
Cabin – Cabin Equipment, Radio, Tachograph
Cabin – Heating, Air Conditioning, Additional Heater
Doc2
Device Tag List
Terminal Strip Overview X1
Terminal Strip Overview X2
Plug Overview
Pin Overview A34
Pin Overview A54
Pin Overview A80
Pin Overview A81
Pin Overview A83
Overview Central Electric
View Terminal Strip X1 Below
View Terminal Strip X1 Above
View Terminal Strip X1 Stvzo
View Terminal Strip X2
Overview Plug Location
000000000000000088_00_000.pdf
Doc1
Cover Sheet
Table Of Contents
Efs
Supply, Starting Unit
Pre-Heating, Fuel-Pre-Heating
Fuse Protection Potential 30
Fuse Protection Potential 15
Engine – Deutz Emr 2
Engine – Deutz Emr 3 Machine-Part
Engine – Deutz Emr 3 Motor-Part
Supply Driving Controller
Communication, Diagnosis
Driving System
Slope Sensor, Seat Contact Switch, Speed Sensors
Steering
Vibration, Warning Buzzer, Brake
Warning Horns
Data Collector
Lc-Display
Travel Lever
Vibration-Plates
Supply Measurement Controller
Option Measurement Equipment
Variocontrol
Bomag Compaction Management Bcm, Gps
Option Stvzo Illumination
Rops – Lighting, Socket
Cabin – Supply, Fuse Protection
Cabin – Lighting, Socket
Cabin – Cabin Equipment, Radio, Tachograph
Cabin – Heating, Air Conditioning, Additional Heater
Bomag Telematics
Doc2
Device Tag List
Terminal Strip Overview X1
Terminal Strip Overview X2
Plug Overview
Pin Overview A34
Pin Overview A54
Pin Overview A80
Pin Overview A81
Pin Overview A83
Overview Central Electric
View Terminal Strip X1 Below
View Terminal Strip X1 Above
View Terminal Strip X1 Stvzo
View Terminal Strip X2
Overview Plug Location
000000000000000151_00_000.pdf
Cover Sheet
Table Of Contents : 1 – 8.a
Overview
Propel Circuit
Vibration Circle – Steering
Vario
Return Flows
Device Tag List :01 – 18
Device Tag List :19 – 24
BW 332 DEEP IMPACT 101584091001 – 101584091004 (00818867)
000000000000000132_00_000.pdf
Doc1 Leading Documentation
Cover Sheet
Table Of Contents
Efs Circuit Diagram
Supply, Starting Unit
Pre-Heating, Fuel-Pre-Heating
Fuse Protection Potential 30
Fuse Protection Potential 15
Engine – Deutz Emr 2
Engine – Deutz Emr 3 Machine-Part
Engine – Deutz Emr 3 Motor-Part
Supply Driving Controller
Communication, Diagnosis
Driving System
Slope Sensor, Seat Contact Switch, Speed Sensors, Fan
Steering
Vibration, Warning Buzzer, Brake
Warning Horns
Data Collector
Lc-Display
Travel Lever
Vibration-Plates
Dozer Blade
Supply Measurement Controller
Option Measurement Equipment
Variocontrol
Bomag Compaction Management Bcm, Gps
Option Stvzo Illumination
Rops – Lighting, Socket
Cabin – Supply, Fuse Protection
Cabin – Lighting, Socket
Cabin – Cabin Equipment, Radio, Tachograph
Cabin – Heating, Air Conditioning, Additional Heater
Electronical Burglary Protection
Bomag Telematics
Back Up Monitoring
Doc2 Reports And Drawings
Device Tag List
Terminal Strip Overview X1
Terminal Strip Overview X2
Plug Overview
Pin Overview A34
Pin Overview A54
Pin Overview A80
Pin Overview A81
Pin Overview A83
Pin Overview A146
Overview Central Electric
View Terminal Strip X1 Below
View Terminal Strip X1 Above
View Terminal Strip X1 Stvzo
View Terminal Strip X2
Overview Plug Location
000000000000000206_00_000.pdf
Doc1 Leading Documentation
Cover Sheet
Table Of Contents
Efs Circuit Diagram
Supply, Starting Unit
Pre-Heating, Fuel-Pre-Heating
Fuse Protection Potential 30
Fuse Protection Potential 15
Engine – Deutz Emr 2
Engine – Deutz Emr 3 Machine-Part
Engine – Deutz Emr 3 Motor-Part
Supply Driving Controller
Communication, Diagnosis
Driving System
Slope Sensor, Seat Contact Switch, Speed Sensors, Fan
Steering
Vibration, Warning Buzzer, Brake
Warning Horns
Data Collector
Lc-Display
Travel Lever
Vibration-Plates
Dozer Blade
Supply Measurement Controller
Option Measurement Equipment
Variocontrol
Bomag Compaction Management Bcm, Gps
Option Stvzo Illumination
Rops – Lighting, Socket
Cabin – Supply, Fuse Protection
Cabin – Lighting, Socket
Cabin – Cabin Equipment, Radio, Tachograph
Cabin – Heating, Air Conditioning, Additional Heater
Electronical Burglary Protection
Bomag Telematics
Back Up Monitoring
Doc2 Reports And Drawings
Device Tag List
Terminal Strip Overview X1
Terminal Strip Overview X2
Plug Overview
Pin Overview A34
Pin Overview A54
Pin Overview A80
Pin Overview A81
Pin Overview A83
Pin Overview A146
Overview Central Electric
View Terminal Strip X1 Below
View Terminal Strip X1 Above
View Terminal Strip X1 Stvzo
View Terminal Strip X2
Overview Plug Location











