Expert Support
Full Speed
100% Working
BYD Forklift Service and Spare Part Manual
Original price was: 60.40Current price is: 40. USD
- Description
Description
BYD Forklift Service and Part Manual
Size : 1.63 GB
Format : PDF
Language : English
Brand: BYD
Type of machine: Forklift
Content:
– Training:
1-CounterBalance-series
2-Warehouse-trucks
3-Tractor
Forklift battery balance operation manual for dealers V.03.pptx
IGBT charger trouleshooting manual 20190422.pptx
software
trouble shooting
– Parts Manual:
1-PARTS MANUAL_ECB1618_PM
2-PARTS MANUAL_ECB2025_PM
3-PARTS MANUAL_ECB3035_PM
4-PARTS MANUAL_STACKER
4-PARTS MANUAL_STACKER.zip
5-SUPPLEMENT MANUAL_STICKER AND DECALS_SPM-ECB002016001-EN_ENGLISH
6-PARTS MANUAL & LIST_PALLET TRUCK_PTP20 SERIES_PM-PTP202016003-EN_English
7-PARTS MANUAL Hemmar Cabin
Grammar Seat
Sideshift
– Operate Manual:
Operator Manual of the Pallet Truck
OPERATOR MANUAL_FORKLIFT_ECB SERIES_OM-ECB2016002-EN
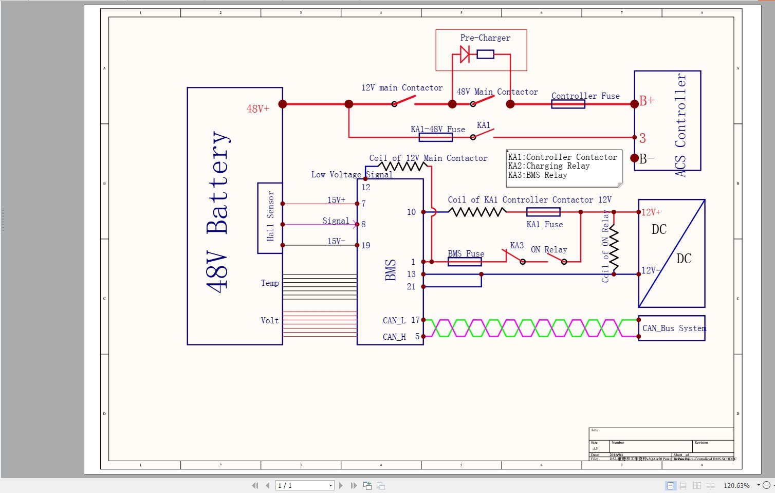
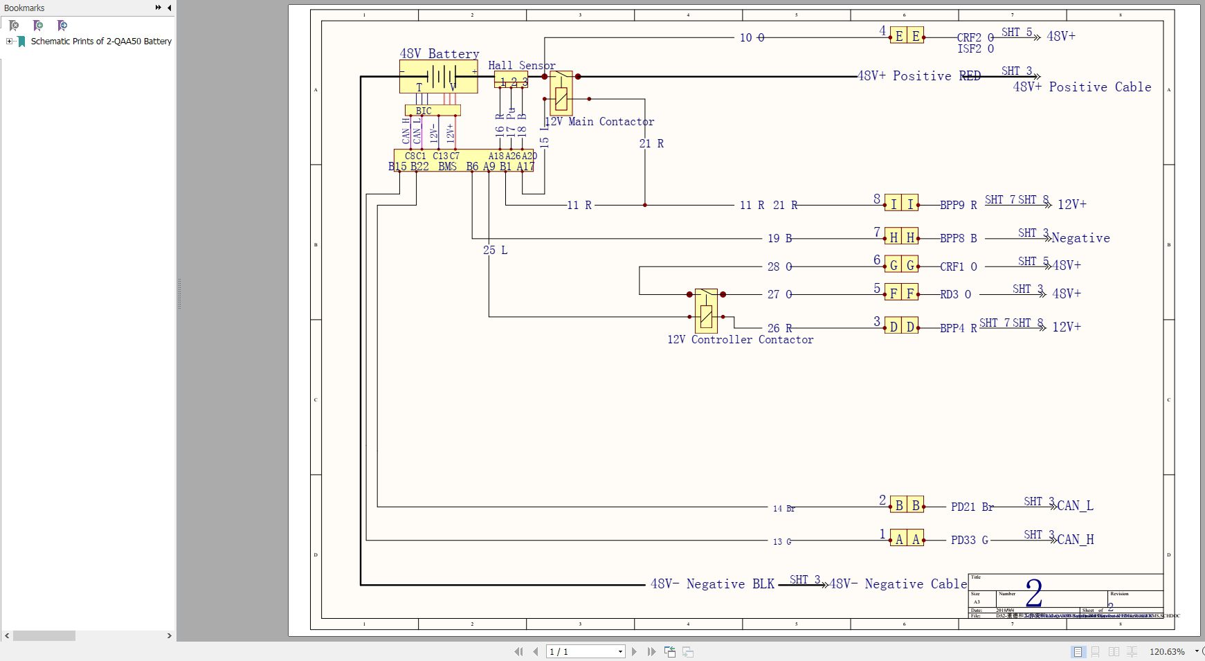
– Service Manual:
SERVICE MANUAL_ECB1618_SM-ECB202016001-EN
SERVICE MANUAL_ECB2025_SM-ECB202016001-EN
SERVICE MANUAL_ECB3035_SM-ECB302016001-EN
SERVICE MANUAL_PALLET TRUCK_PTP20 SERIES_PM-PTP202016001-EN_English
SERVICE MANUAL_STACKER_SM-EPS142016001-EN_English
– Instruction manual:
1-ECB truck
3-Stacker
4-Pallet truck
6-Battery cell balance machine
8-80V 250A resistor box
– Troubleshooting Error Code List:
12.Diagnostics-according to error codes
– Diagnostic software:
01 DRIVER KVASER
02 SOFTWARE N. INSTRUMENTS
03 APLICACIONES DIAGNOSTICO
– EPF Files:
1-EPF Basic Truck
2-EPF Comfort Truck
– Service Bulletin:
Active The Oil Pressure Monitoring fucntion For ECB50.pdf
ECB16_18 outer mast removal servie bulletin.pdf
LAtiguillos del orbitrol para la ECB50 direction dura.docx
Service bulletin – 4.0 New SW Parameter setting.pdf
Service bulletin -install the new braking cylinder for ECB50 unit.pdf
– Software Instructions:
11-Codeloader Instruction
12-DriveTool Instruction
BYD Truck calibrate – Shortcut.lnk
speed calculate.pdf
update software for the controller.pdf





















