Expert Support
Full Speed
100% Working
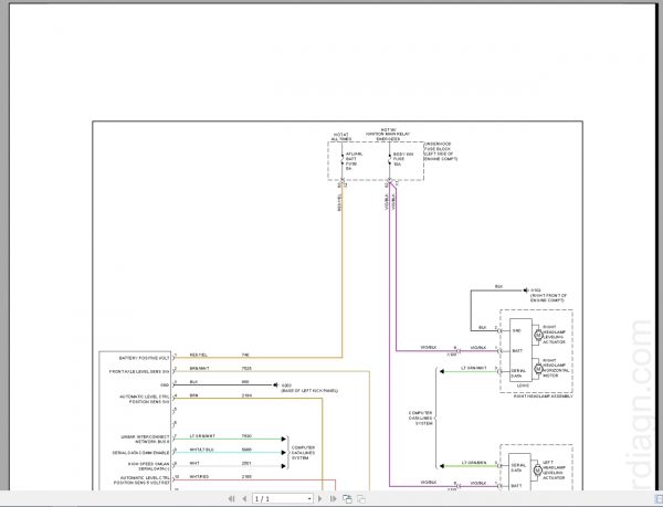
Cadillac XTS (3.6L) System Wiring Diagrams 2012+
Original price was: 30.20Current price is: 20. USD
- Description
Description
Cadillac XTS (3.6L) System Wiring Diagrams 2012+
Size: 13.8 MB
Format: PDF
Language: English
Brand: Cadillac
Type of Machine: Automotive
Type of Document: Wiring Diagrams
Model: Cadillac XTS (3.6L)
Date: 2012+
Content:
Automatic A/C Circuit
Anti-lock Brakes Circuit
Forced Entry Circuit, W/ Passive Keyless Entry
Forced Entry Circuit, W/O Passive Keyless Entry
Pass-Key Circuit
Body Control Modules Circuit
Computer Data Lines Circuit
Cooling Fan Circuit
Cruise Control Circuit
Defoggers Circuit
Electronic Power Steering Circuit
Power Tilt Steering Column Circuit
Electronic Suspension Circuit
3.6L VIN 3, Engine Performance Circuit
Backup Lamps Circuit
Exterior Lamps Circuit
Ground Distribution Circuit
Adaptive Front Lighting Circuit
Headlamps Circuit
Horn Circuit
Collision Avoidance Circuit
Head-Up Display Circuit
Instrument Cluster Circuit
Courtesy Lamps Circuit
Instrument Illumination Circuit
Driver’s Memory Seat Circuit
Memory Mirrors Circuit
Memory Power Tilt & Power Telescopic Circuit
Lane Departure Warning Circuit
Navigation Circuit, W/ Surround Amplifier
Navigation Circuit, W/O Surround Amplifier
Object Detection Circuit
Parking Assistant Circuit
Rear View Camera Circuit
Power Distribution Circuit
Power Door Locks Circuit, W/ Passive Keyless Entry
Power Door Locks Circuit, W/O Passive Keyless Entry
Electrochromic Mirror Circuit
Power Mirrors Circuit
Driver Power Seat Circuit
Front Heated Seats Circuit
Heated Steering Wheel Circuit
Passenger Power Seat Circuit
Rear Heated Seats Circuit
Power Top/Sunroof Circuit
Power Windows Circuit
Radio Circuit, W/ Surround Amplifier
Radio Circuit, W/O Surround Amplifier
Video System Circuit
Park Brake System Circuit
Shift Interlock Circuit
Charging Circuit
Starting Circuit
Supplemental Restraints Circuit
A/T Circuit
Rear Differential Lock Circuit
Trunk Release Circuit
Warning Systems Circuit
Wiper/Washer Circuit
Driver’s Memory Seat Circuit
Memory Mirrors Circuit
Memory Power Tilt & Power Telescopic Circuit
All Around Vision Camera Circuit
Blind Spot Monitoring Circuit
Lane Departure Warning Circuit, W/ Brake Prefill
Lane Departure Warning Circuit, W/O Brake Prefill
Navigation Circuit
Parking Assistant Circuit
Rear View Camera Circuit
Power Distribution Circuit
Power Door Locks Circuit
Electrochromic Mirror Circuit
Power Mirrors Circuit
Driver Power Seat Circuit
Front Heated Seats Circuit
Heated Steering Wheel Circuit
Passenger Power Seat Circuit
Rear Heated Seats Circuit
Power Top/Sunroof Circuit
Power Windows Circuit
Radio Circuit
Park Brake System Circuit
Steering Lock Circuit
Charging Circuit
Starting Circuit
Supplemental Restraints Circuit
A/T Circuit
Rear Differential Lock Circuit
Power Liftgate Circuit
Warning Systems Circuit
Wiper/Washer Circuit

















