✓
Expert Support
✓
Full Speed
✓
100% Working
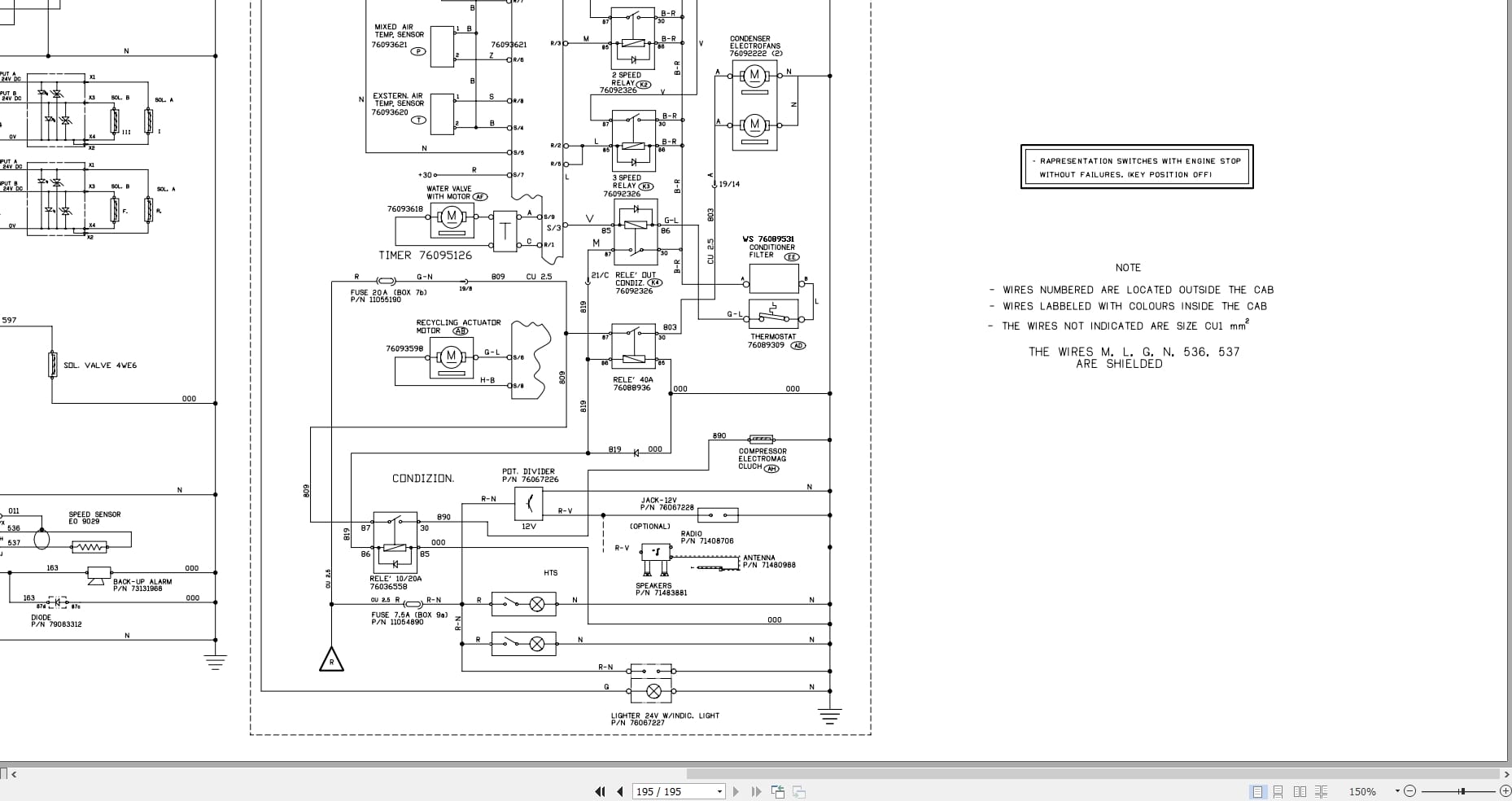
Case Crawler Dozer 1650K Service Manual
Size: 11.89 MB
Format: PDF
Language: English
Brand: Case
Type of Machine: Crawler Dozer
Type of Manual: Service Manual, Electrical Schematic, Hydraulic Schematic
Model: Case 1650K Crawler Dozer
Number of Pages: 195 Pages
Contents:
Section 1 Engine
Section 2 Transmission
Section 3 Final Drives
Section 5 Undercarriage
Section 6 Dozer Equipment Hydraulic System
Section 7 Electrical System
20 USD
- Description
Description
Case Crawler Dozer 1650K Service Manual
Size: 11.89 MB
Format: PDF
Language: English
Brand: Case
Type of Machine: Crawler Dozer
Type of Manual: Service Manual, Electrical Schematic, Hydraulic Schematic
Model: Case 1650K Crawler Dozer
Number of Pages: 195 Pages
Contents:
Section 1 Engine
Section 2 Transmission
Section 3 Final Drives
Section 5 Undercarriage
Section 6 Dozer Equipment Hydraulic System
Section 7 Electrical System













