



Expert Support
Full Speed
100% Working
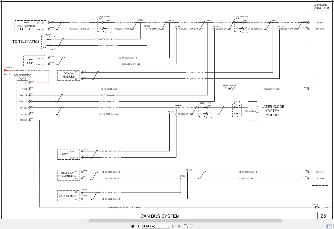
Case Crawler Dozer 850M Tier 4 Electrical Schematic RAC47621946
20 USD
- Description
Description
Case Crawler Dozer 850M Tier 4 Electrical Schematic RAC47621946
Size: 1.67 MB
Format: PDF
Language: English
Brand: Case
Type of Machine: Crawler Dozer
Type of Manual: Electrical Schematic
Model: Case 850M Tier 4 Crawler Dozer
Part Number: RAC47621946
Number of Pages: 4 Pages
Related Products
-
Case Machine New Model Service Manual Full DVD 2019
0 out of 5Case Machine New Model Service Manual Full DVD 2019Size: 142GbLanguage: EnglishBrand: CaseType of machine: Case All Kind MachineType of document: Service Manual, Technical ManualWindows: All Window 32 & 64bitFormat document: pdfNote: Read clear descryption and contents first550300 USDHot-45%
REALEASE :
09.06.2019
REALEASE :
09.06.2019
-
Case IH AG Agricultural Service Manual PDF Updated [2019-03.2020] 11,3Gb
0 out of 5Case IH AG Agricultural Service Manual PDF Updated [2019-03.2020] 11,3GbSize: 11.3 GbLanguage: EnglishBrand: Case IH AG AGRICULTUREType of machine: Case IH AgriculturalType of document: Service ManualNew Model updatedWindows: All Window 32 & 64bitFormat document: pdfAmount of DVD: 1 DVDHigh Speed Link DownloadUpdated [03.2020] 40 file New Manual (New from 2019-2020)300220 USDHot-27%
REALEASE :
17.04.2020
REALEASE :
17.04.2020
-
Case Track Loader Backhoe 580N 580SN 580SN WT 590SN Service Manual 84605839 PDF
0 out of 5Case Track Loader Backhoe 580N, 580SN, 580SN WT, 590SN Service Manual 84605839Size: 140 MBFormat: PDFLanguage: EnglishBrand: CaseType of machine: Crawler ExcavatorType of document: Service ManualModel: Case 580N, 580SN, 580SN WT, 590SN Service ManualCase 580NCase 580-SNCase 580SN-WTCase 590 SNNumber of Pages: 3377 PagesPart No: 84605839580N – from PIN NCC560000; 580SN – from PIN NCC564000;580SN WT – from PIN NCC567500; 590SN – from PIN NCC568500Date: 03.2012200100 USDHot-50%
REALEASE :
02.07.2022
REALEASE :
02.07.2022
-
Case CE Construction 2022 PDF Service Manual
0 out of 5USDCase CE Construction 2022 PDF Service ManualLanguage: English, German, Multi-Language…Brand: Kobelco Heavy EquipmentType of machine: Kobelco Heavy Equipment MachineryType of document: Service ManualWindows: All Windows 32 & 64bit, MAC OSFormat document: PDF 1. You can see some models clear in this list2. If you need to exchange so contact us3. If you need one model so contact us Write us detail here: We have full all modelItem Number:…………………….Description:…………………….Language:…………………….Type:…………………….Model:……………………. CONTACT US FOR PAYMENT: Skype: Autoepcservice Whatsapp: https://wa.me/message/LXJU2U6GMOV4E1 Email: admin@autoepcservice.com or autoepcservice@gmail.com Working Days/Hours: [Mon-Sat]/[8:00AM-20:00PM] WeChat ID: AUTOEPCSERVICE Fanpage: https://www.facebook.com/Autoepcsoftware/REALEASE :
13.04.2022
-
Case Landscaper Loader Shop Manual DVD
0 out of 5Case Landscaper Loader Shop Manual DVDSize: 1.29GbLanguage: EnglishBrand: CaseType of machine: Case GraderType of document: Service Manual, Operator Manual, Parts ManualWindows: All Window 32 & 64bitFormat document: pdfNote: Read clear descryption and contents firstContents Detail: CASE 570LXT Loader Landscaper Series 2 Service ManualCASE 570LXT Loader Landscaper Service ManualCASE 570MXT Loader Landscaper Service ManualCASE 570LXT Loader Landscaper Operator ManualCASE 570LXT Loader,Landscaper Series 2 Operator ManualCASE 570MXT Loader Landscaper Operator ManualCase 570MXT Loader Landscaper Parts ManualCASE 570MXT Series 3 Tier 3 Loader Landscaper Operator ManualCase 570NXT Loader Landscaper Tier IV Parts Manual2018 USDHot-10%
REALEASE :
28.05.2019
REALEASE :
28.05.2019
-
Case Mini Excavator Shop Manual CD
0 out of 5Case Mini Excavator Shop Manual CDSize: 604mbLanguage: EnglishBrand: CaseType of machine: Case Mini ExcavatorType of document: Service Manual,Operators Manual,Part CatalogWindows: All Window 32 & 64bitFormat document: pdfPass: wordwide-autosoftware-epc Note: Read clear descryption and contents first Contents Detail: Case 28 31 35 Service ManualCase CX14 6-37900NA Mini Excavator Operators ManualCase CX31B,36B Mini Excavator Service ManualCase CX47 6-37931 Mini Excavator Operators ManualCase CX14 6-37900NA Mini Excavator Operators ManualCASE CX17B Mini Crawler Excavator Part CatalogCASE CX17B Mini Crawler Excavator Parts ManualCASE CX20B-CX22B Mini Crawler Excavator Part CatalogCASE CX27B Mini Crawler Excavator Part CatalogCase CX31B,36B Mini Excavator Service ManualCASE CX40B Mini Crawler Excavator Part CatalogCase CX47 6-37931 Mini Excavator Operators ManualCase Mini Excavator CX15B Parts ManualCASE MINI EXCAVATOR CX15B SERIE II PARTS MANUALSCase Mini Excavator CX15BCX18B Series 2 SpanishCASE Mini Excavator CX16B y CX18B Workshop Manual SpanishCase Mini Excavator CX20B – CX22B Parts ManualCase Mini Excavator CX40B Parts ManualCase Mini Hydraulic Excavator CX31B – CX36B Workshop Manual SpanishCASE Mini-Excavators CX27B Parts Manual2517 USDHot-32%
REALEASE :
28.05.2019
REALEASE :
28.05.2019
-
Case Motor Grader Service Manual CD
0 out of 5Case Motor Grader Service Manual CDSize: 500mbLanguage: EnglishBrand: CaseType of machine: Case Motor GraderType of document: Service ManualWindows: All Window 32 & 64bitFormat document: pdfPass: wordwide-autosoftware-epc Note: Read clear descryption and contents first Contents Detail: 836C AWD 856C S4845B 865B 885B845DHL 865 VHP 885 AWD T32512 USDHot-52%
REALEASE :
28.05.2019
REALEASE :
28.05.2019
-
Case Construction Service Manuals 20GB PDF DVD_Spanish Language
0 out of 5Case Construction Service Manuals 20GB PDF DVD_SpanishSize: 19,9 GBBrand: CASE CE – Case ConstructionType: SM – Service ManualFormat: PDFLanguage: SPA – Spanish – ESOS: All Window 32 & 64 bitAmount of DVD: 1 DVDHigh-Speed Link Download300160 USDHot-47%
REALEASE :
22.07.2020
REALEASE :
22.07.2020


