✓
Expert Support
✓
Full Speed
✓
100% Working
Case Excavator CX75C CX80C Service Training Manual
Size: 52.06 MB
Format: PDF
Language: English
Brand: Case
Type of Machine: Excavator
Type of Manual: Service Training Manual, Electrical Schematic, Hydraulic Schematic
Model: Case CX75C, CX80C Excavator
20 USD
- Description
Description
List of Files:
-CAB
CXC MSR Features.pdf
[MSR] Air Conditioner System.pdf
[MSR]CXC ROPS CAB.pdf
-Electrical
Component – Electrical.pdf
Electrical Components.pdf
Fuel Main Filter Pressure Sensor.pdf
-Engine
[4LE2]Tier 4A Engine Components.pdf
-Fault Codes
Engine Fault Codes.pdf
Machine Fault Codes.pdf
-Hydraulic
Auxiliary Line System.pdf
Hydraulic Components Main Line II.pdf
Hydraulic Components Pilot Line II.pdf
-Monitor
Computer Calibration.pdf
Engine Service Monitor.pdf
Monitor Display.pdf
Service Monitor.pdf
-Schematics
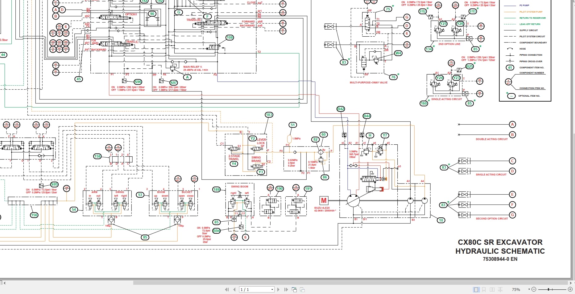
CX75 Hydraulic schematic.pdf
CX80 Hydraulic schematic.pdf
Electrical Schematic CX75C CX80C.pdf
Hydraulic Circuits.pdf
-Specifications
MilliAmp Values.pdf
Specifications.pdf













