✓
Expert Support
✓
Full Speed
✓
100% Working
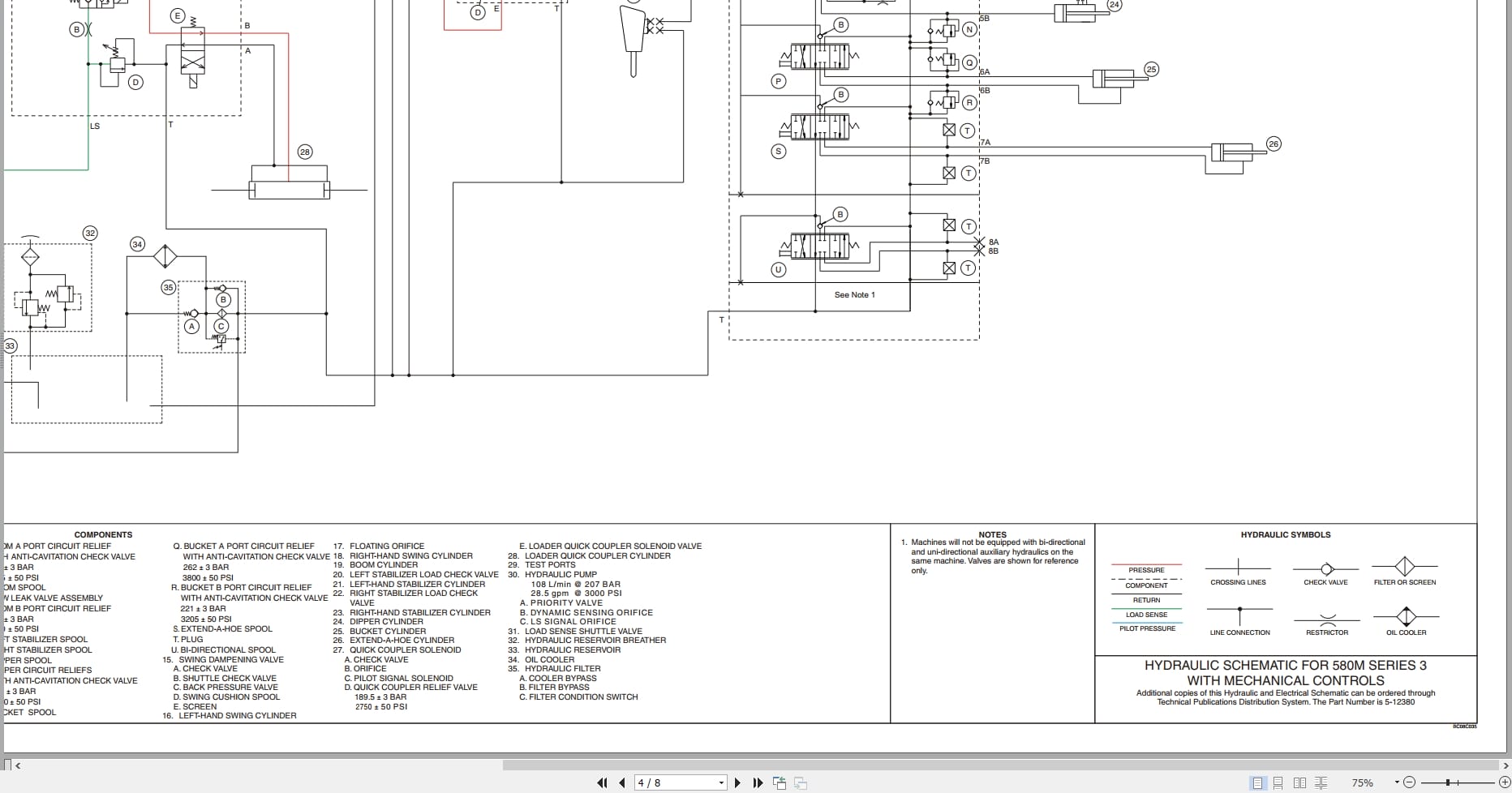
Case Loader Backhoe 580SM to 590SM+ Series 3 Hydraulic Electrical Schematic 5-12380
Size: 1.58 MB
Format: PDF
Language: English
Brand: Case
Type of Machine: Loader Backhoe
Type of Manual: Hydraulic Schematic, Electrical Schematic
Model: Case 580SM, 580SM+, 590SM, 590SM+ Series 3 Loader Backhoe
Part Number: 5-12380
Number of Pages: 8 Pages
20 USD
- Description
Description
Case Loader Backhoe 580SM to 590SM+ Series 3 Hydraulic Electrical Schematic 5-12380
Size: 1.58 MB
Format: PDF
Language: English
Brand: Case
Type of Machine: Loader Backhoe
Type of Manual: Hydraulic Schematic, Electrical Schematic
Model: Case 580SM, 580SM+, 590SM, 590SM+ Series 3 Loader Backhoe
Part Number: 5-12380
Number of Pages: 8 Pages











