✓
Expert Support
✓
Full Speed
✓
100% Working
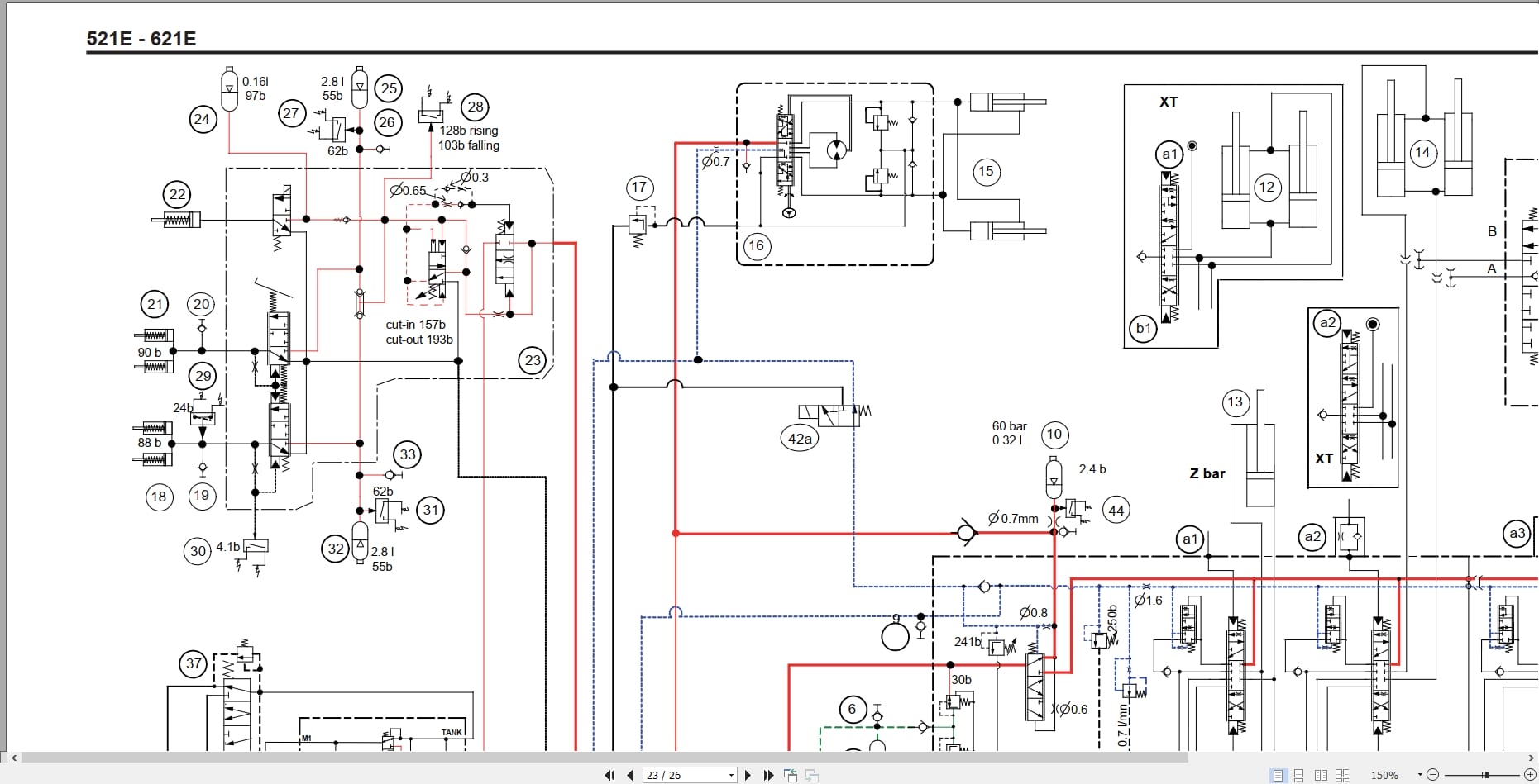
Case Wheel Loader E Series Service Training Manual
Size: 93.38 MB
Format: PDF
Language: English
Brand: Case
Type of Machine: Wheel Loader
Type of Manual: Service Training Manual, Electrical Schematic, Hydraulic Schematic
Model: Case E Series Wheel Loader
20 USD
- Description
Description
List of Files:
AIC Flow Chart ver 9.25.pdf
Section 0 CE General Section.pdf
Section 00 CE 5-821E Content.pdf
Section 1 CE 5-921E MChar.pdf
Section 10 Workbook 0609.pdf
Section 2 CE 5-921E Electrical.pdf
Section 3 CE 5-821E Engine.pdf
Section 4 CE 5-921E Trans.pdf
Section 5A CE 5-621E Steering.pdf
Section 5B CE 5-621E Brake Cool.pdf
Section 5C CE 5-621E HYD.pdf
Section 6A CE 7-821E Steering.pdf
Section 6B CE 7-821E Brake Cool.pdf
Section 6C CE 7-821E HYD.pdf
Section 7A CE 921E Steering.pdf
Section 7B CE 921E Brake Cool.pdf
Section 7C CE 921E HYD.pdf
Section 8 EST Wheel Loader.pdf
Section 9 EST Easy Engine.pdf













