Expert Support
Full Speed
100% Working
CAT 390F HSM1-UP Excavator Hydraulic_Electrical System – Attachment
Original price was: 33.30Current price is: 30. USD
- Description
Description
CAT 390F HSM1-UP Excavator Hydraulic_Electrical System – Attachment
Size: 15.4 MB
Fomat: PDF
Language: English
Brand: CAT – Caterpillar
Type of machine: Hydraulic Excavator
Type of document: Schematic – Hydraulic_Electrical System
Model: CAT 390F HSM1-UP Excavator
Password: wordwide-autosoftware-epc
Content:
– 312E,312F,313F,316E,316F,318E,318F,320E,320F,323E,323F,325F,335F,336F,340F,349F,352F,374F and 390F Excavator Air Conditioning Electrical System
– 390F Excavator Electrical System (Interactive)
– 390F Excavator Hydraulic System – Attachment – Boom Lowering Control Valve (Interactive)
– 390F Excavator Hydraulic System – Attachment – Combined Function – Electronic Control (Interactive)
– 390F Excavator Hydraulic System – Attachment – Stick Lowering Control Valve (Interactive)
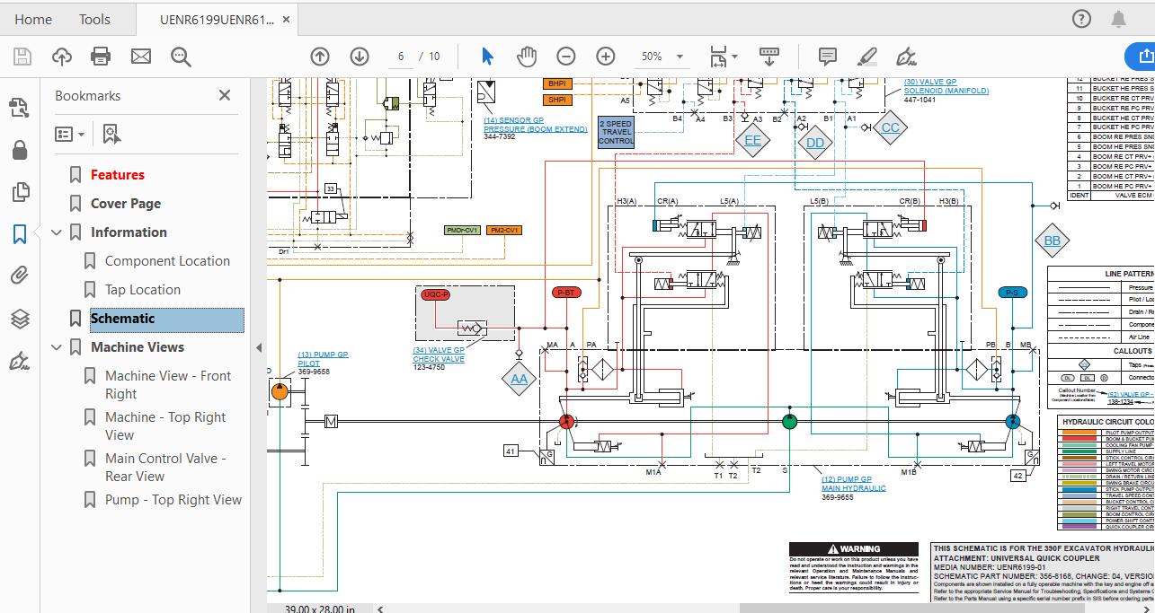
– 390F Excavator Hydraulic System – Universal Quick Coupler (Interactive)
– 390F Excavator Hydraulic System (Interactive)
– 390F Excavator Hydraulic System (Medium Pressure) (Interactive)
– 390F Excavator Hydraulic System (One Way Two Pump With Electronic Control) (Interactive)
– CAT Excavator Air Conditioning Electrical System















