Expert Support
Full Speed
100% Working
CAT Excavator 312 6BL Operators Service Manual and Schematics
50 USD
- Description
Description
List of Files:
-Disassembly & Assembly
RENR9008 312 Excavator Final Drive Supplement.pdf
SENR5664 AC Heating R134a.pdf
SENR6123 Supplement 3054 Engine for 312 Excavator.pdf
SENR6139 311 312 Excavators Machine Systems.pdf
SENR6241 3054 Engine for Caterpillar Built Machines.pdf
UENR3262 Seal Installation.pdf
-General Service Information
SELD0080 Cylinder Packs Con Rods Piston Packs.pdf
SELD0083 Engines.pdf
SELD0179 3500 Engines Short Blocks.pdf
SELD0188 3204 Long Blocks Reman Technical Supplement.pdf
SELD0189 3304 3306 Long Blocks.pdf
SELD0190 3406 C-15 Long Blocks.pdf
SELD0191 3408 3412 Long Blocks.pdf
SELD0196 3116 Long Blocks.pdf
SELD0205 Selection Flowchart for Engines etc.pdf
SELD0249 3208 Long Blocks.pdf
SELD0250 3126 C7 Long Blocks.pdf
SELD0267 C-10 C-12 Long Blocks.pdf
SELD0276 Short Blocks.pdf
SELD0301 3046 3066 Long Blocks.pdf
SENR0512 Service Welding Guide.pdf
-Operators & Maintenance Manual
KEBU6891 CAT Quick Coupler for CAT CO.pdf
SEBU5596 Product Identification Numbers (PIN) Location Guide.pdf
SEBU6250 CAT Machine Fluids Recommendations.pdf
SEBU6745 312 Excavator.pdf
SEBU6846 Supplement For 311 312 320 320 L 320 N.pdf
SEBU6912 Supplement for 312 Excavator.pdf
SEBU7373 Product Link 101.pdf
SEBU8142 Product Link 121SR 321SR 420 421 522 523.pdf
SEBU8257 European Union Physical Agents (Vibration) Directive.pdf
SEBU9208 CAT Filters Recommendations.pdf
-Safety
SENR7733 General Service Repair Safety Info.pdf
-Schematics
RENR1078 312 312B Excavators Medium Pressure with Blade Hydraulic System (Attachment).pdf
RENR1112 312 312B 312B L Excavators Medium Pressure Hydraulic System (Attachment).pdf
RENR2954 312 Excavator Equipped with Quick Coupler Attachments.pdf
RENR3276 312 317 Excavators Electrical System – Attachment Quick.pdf
SENR3981 Fluid Power Electrical Graphic Symbols.pdf
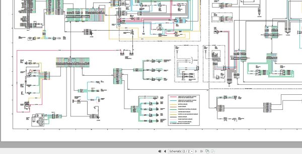
SENR6127 Caterpillar 312 Excavator Electrical System.pdf
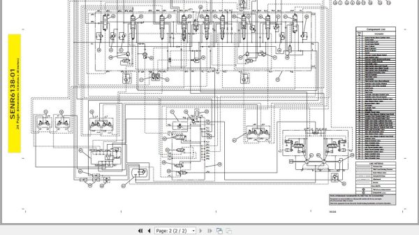
SENR6138 312 Excavators Hydraulic System.pdf
SENR6174 311 312 Excavators Hydraulic System (Attachment) – 2 Pump Flow.pdf
SENR6175 311 312 Excavators Hydraulic System Single-Action (One) Pump (Attachment).pdf
SENR6176 311 312 Excavators Hydraulic System Double Action 1 Pump (Attachment).pdf
SENR6177 311 312 Excavators Hydraulic System (Attachment) – Common Piping Two Pump.pdf
SENR6179 311 312 Excavators Hydraulic System (Attachment) – Boom Lowering Control Valve.pdf
SENR6237 Caterpillar 312 Excavator Electrical System.pdf
SENR8995 312 Excavators Hydraulic System.pdf
-Specifications
SENR5815 3054 Engine.pdf
SENR6134 311 312 Excavators Hydraulic Systems.pdf
SENR6209 312 Excavator Attachments.pdf
-Systems Operators
KENR6303 Equip Manager User Guide.pdf
KENR6304 Equip Manager Dealer Administrator Manual.pdf
RENR7911 Product Link 121S 300.pdf
RENR8143 Product Link PL522 523.pdf
SENR5816 3054 Engine for Caterpillar Built Machines.pdf
SENR6038 311 312 Excavators Electronic Electrical System.pdf
SENR6136 311 312 Excavators Hydraulic System.pdf
SENR6210 311 312 Excavators Attachments.pdf
-Systems Operators – Fundamentals
SEGV3008 Electrical System for All Caterpillar Products.pdf
-Testing & Adjusting
SENR6124 311 312 Excavators Hydraulic Electronic Systems.pdf
-Torque Specifications
SENR3130 Torque Specifications.pdf
-Troubleshooting



















