Expert Support
Full Speed
100% Working
CAT Excavator 349F L HPD Operators Service Manual and Schematics
50 USD
- Description
Description
List of Files:
-Disassembly and Assembly
KENR8150 C13 Engines for CAT Built Machines.pdf
UENR0131 C13 Engines for CAT Built Machines.pdf
UENR0193 349F 352F Excavators Engine Supplement.pdf
UENR0194 349F 352F Excavators Machine Systems.pdf
-Operators and Maintenance Manual
SEBU5596 Product Identification Numbers (PIN) Location Guide.pdf
SEBU6250 CAT Machine Fluids Recommendations.pdf
SEBU8358 Grade Control Depth Slope for E F-Series Excavators.pdf
SEBU8757 349F 352F Excavators.pdf
SEBU9208 CAT Filters Recommendations.pdf
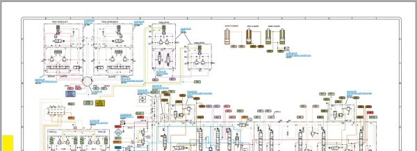
-Schematic
SENR3981 Fluid Power Electrical Graphic Symbols.pdf
UENR3640 349F Excavator Electrical System (Interactive) (Cab).pdf
UENR3641 349F Excavator Hydraulic System.pdf
UENR3643 349F Excavator Hydraulic System – Attachment – Combined Function – Electric Control.pdf
UENR3644 349F Excavator Hydraulic System – Attachment – Medium Pressure – Electric Control.pdf
UENR3647 349F Excavator Hydraulic System – Attachment – Alternate Control Pattern.pdf
UENR5974 349E 349E L 349F and 349F L Excavator Hydraulic System – Attachment – Quick Coupler Two Valves.pdf
-Specifications
KENR7970 Mobile Hydraulic Power Units Air Conditioning Heating.pdf
UENR4125 Air Conditioning Heating R134a.pdf
-Systems Operators
KENR9608 Hydraulic Power Unit Tool Control System.pdf
UENR1725 Grade Control Depth Slope for E-Series F-Series Excavators.pdf
UENR2954 – 349F 352F Excavators Hydraulic System.pdf
UENR3619 – F Series Monitor Monitoring System.pdf
UENR4302 C13 Tier 4 Final Engines.pdf
-Testing and Adjusting
UENR2955 349F 352F Excavators Hydraulic System.pdf
-Troubleshooting
UENR0955 C13 C15 C18 Tier 4 Final Engines.pdf
UENR3618 349F Excavator.pdf



















