-33%
✓
Expert Support
✓
Full Speed
✓
100% Working
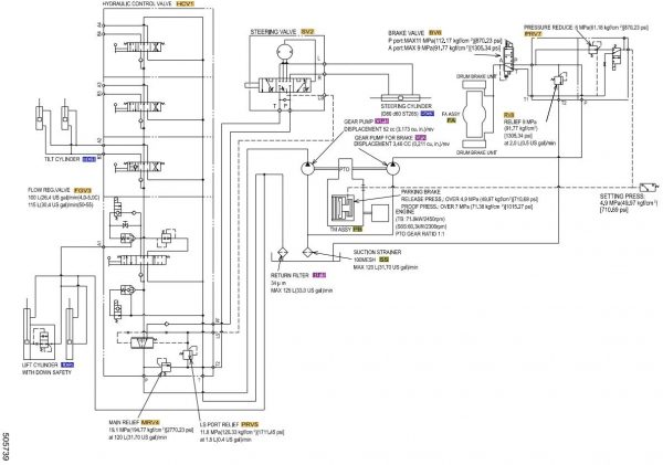
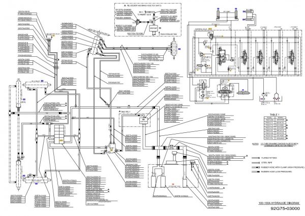
CAT Forklift MCFE DP100N2 Electrical & Hydraulic Diagram
CAT Forklift MCFE DP100N2 Electrical & Hydraulic Diagram
Size: 4.69 MB
Format: PDF
Language: English
Brand: CAT
Type of Machine: Forklift
Type of document: Electrical Schematic, Hydraulic Schematic
Model: CAT DP100N2 Forklift MCFE
Content:
CAT Forklift MCFE DP100N2 AT15F-00011-09999 99709-80100 Hydraulic Diagram-MC
CAT Forklift MCFE DP100N2 AT15F-00011-09999 99799-50100 Hydraulic Schematic
CAT Forklift MCFE DP100N2 AT15F-00011-09999 99799-62100 Electrical Schematic
Original price was: 30.20Current price is: 20. USD
- Description
Description
CAT Forklift MCFE DP100N2 Electrical & Hydraulic Diagram
Size: 4.69 MB
Format: PDF
Language: English
Brand: CAT
Type of Machine: Forklift
Type of document: Electrical Schematic, Hydraulic Schematic
Model: CAT DP100N2 Forklift MCFE
Content:
CAT Forklift MCFE DP100N2 AT15F-00011-09999 99709-80100 Hydraulic Diagram-MC
CAT Forklift MCFE DP100N2 AT15F-00011-09999 99799-50100 Hydraulic Schematic
CAT Forklift MCFE DP100N2 AT15F-00011-09999 99799-62100 Electrical Schematic














