-33%
✓
Expert Support
✓
Full Speed
✓
100% Working
CAT Forklift MCFE DP120N1 Electrical & Hydraulic Diagram
CAT Forklift MCFE DP120N1 Electrical & Hydraulic Diagram
Size: 3.11 MB
Format: PDF
Language: English
Brand: CAT
Type of Machine: Forklift
Type of document: Electrical Schematic, Hydraulic Schematic
Model: CAT DP120N1 Forklift MCFE
Content:
CAT Forklift MCFE DP120N1 AT15E-00011-19999 99799-50100 Electrical Diagram
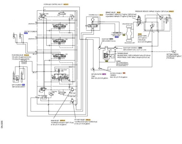
CAT Forklift MCFE DP120N1 F15E-00011-09999 99799-80100 Hydraulic Diagram-FC
Original price was: 30.20Current price is: 20. USD
- Description
Description
CAT Forklift MCFE DP120N1 Electrical & Hydraulic Diagram
Size: 3.11 MB
Format: PDF
Language: English
Brand: CAT
Type of Machine: Forklift
Type of document: Electrical Schematic, Hydraulic Schematic
Model: CAT DP120N1 Forklift MCFE
Content:
CAT Forklift MCFE DP120N1 AT15E-00011-19999 99799-50100 Electrical Diagram
CAT Forklift MCFE DP120N1 F15E-00011-09999 99799-80100 Hydraulic Diagram-FC














