-50%
✓
Expert Support
✓
Full Speed
✓
100% Working
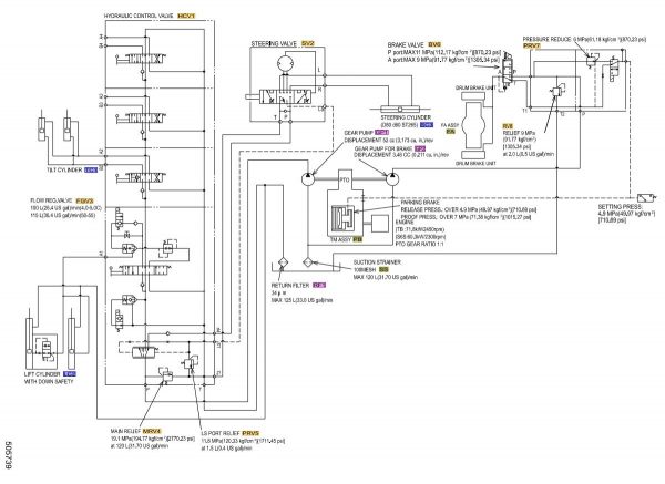
CAT Forklift MCFE DP135NM1 Hydraulic Diagram
CAT Forklift MCFE DP135NM1 Hydraulic Diagram
Size: 142 KB
Format: PDF
Language: English
Brand: CAT
Type of Machine: Forklift
Type of document: Hydraulic Schematic
Model: CAT DP135NM1 Forklift MCFE
Content:
CAT Forklift MCFE DP135NM1 AT15E-20011-39999 99709-80100 Hydraulic Diagram-MC
Original price was: 20.10Current price is: 10. USD
- Description
Description
CAT Forklift MCFE DP135NM1 Hydraulic Diagram
Size: 142 KB
Format: PDF
Language: English
Brand: CAT
Type of Machine: Forklift
Type of document: Hydraulic Schematic
Model: CAT DP135NM1 Forklift MCFE
Content:
CAT Forklift MCFE DP135NM1 AT15E-20011-39999 99709-80100 Hydraulic Diagram-MC










