-33%
✓
Expert Support
✓
Full Speed
✓
100% Working
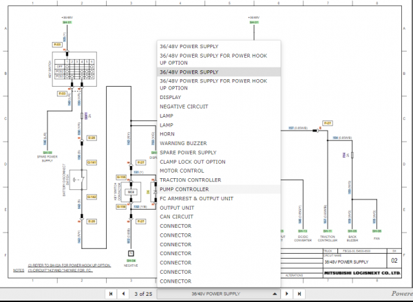
CAT Forklift MCFE EC30N Electrical Schematic
CAT Forklift MCFE EC30N Electrical Schematic
Size: 3.39 MB
Format: PDF
Language: English
Brand: CAT
Type of Machine: Forklift
Type of document: Electrical Schematic
Model: CAT MCFE Forklift MCFE
Content:
CAT Forklift MCFE EC30N ATB31B-50001-99999 SCFEA-ATB30-190 Electrical Schematic
Original price was: 30.20Current price is: 20. USD
- Description
Description
CAT Forklift MCFE EC30N Electrical Schematic
Size: 3.39 MB
Format: PDF
Language: English
Brand: CAT
Type of Machine: Forklift
Type of document: Electrical Schematic
Model: CAT MCFE Forklift MCFE
Content:
CAT Forklift MCFE EC30N ATB31B-50001-99999 SCFEA-ATB30-190 Electrical Schematic














