-50%
✓
Expert Support
✓
Full Speed
✓
100% Working
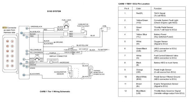
CAT Forklift MCFE GC30 Electrical Diagram
CAT Forklift MCFE GC30 Electrical Diagram
Size: 143 KB
Format: PDF
Language: English
Brand: CAT
Type of Machine: Forklift
Type of document: Electrical Schematic
Model: CAT GC30 Forklift MCFE
Number of Pages: 1 Page
Content:
CAT Forklift MCFE GC30 S15G Fuel System 6EM-00001-99999 99729-85100 ELectrical Diagram
Original price was: 20.10Current price is: 10. USD
- Description
Description
CAT Forklift MCFE GC30 Electrical Diagram
Size: 143 KB
Format: PDF
Language: English
Brand: CAT
Type of Machine: Forklift
Type of document: Electrical Schematic
Model: CAT GC30 Forklift MCFE
Number of Pages: 1 Page
Content:
CAT Forklift MCFE GC30 S15G Fuel System 6EM-00001-99999 99729-85100 ELectrical Diagram










