-50%
✓
Expert Support
✓
Full Speed
✓
100% Working
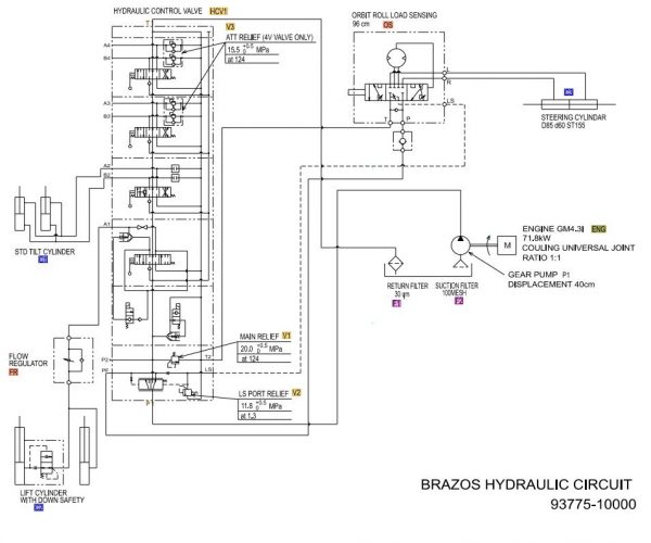
CAT Forklift MCFE GC45K STR Hydraulic Diagram
CAT Forklift MCFE GC45K STR Hydraulic Diagram
Size: 146 KB
Format: PDF
Language: English
Brand: CAT
Type of Machine: Forklift
Type of document: Hydraulic Schematic
Model: CAT GC45K Forklift MCFE
Content:
CAT Forklift MCFE GC45K AT87B-00001-09999 99739-82110 Hydraulic Schematic
CAT Forklift MCFE GC45K AT87B-10011-19999 99739-82110 Hydraulic Schematic
Original price was: 20.10Current price is: 10. USD
- Description
Description
CAT Forklift MCFE GC45K STR Hydraulic Diagram
Size: 146 KB
Format: PDF
Language: English
Brand: CAT
Type of Machine: Forklift
Type of document: Hydraulic Schematic
Model: CAT GC45K Forklift MCFE
Content:
CAT Forklift MCFE GC45K AT87B-00001-09999 99739-82110 Hydraulic Schematic
CAT Forklift MCFE GC45K AT87B-10011-19999 99739-82110 Hydraulic Schematic












